Черв'ячний редуктор Ч-80-63
Черв'ячний редуктор Ч-80-63
Редуктор черв'ячний Ч-80-63 одноступінчастий універсальний призначений для перетворення моменту, що крутить, і частоти обертання валу в приводі. Такі пристрої мають плавний хід і при роботі він не шумить, що дозволяє встановлювати редуктор в будь-яке місце. Він здатний працювати при постійному та реверсивному навантаженні з періодичними зупинками.
Редуктор складається із спеціального ведучого гвинта та веденого колеса, які поміщені в єдиний корпус із лапами, для кріплення.
Замовити черв'ячні редуктори та інші пристрої можна у нас на сайті або зателефонувавши менеджерам.
Співпрацюючи з "Промпривод", ви отримуєте ряд переваг:
- 100% гарантія виконання умов договору.
- Усі пристрої проходять додаткові тести, що унеможливлює будь-який брак.
- Гарантія 12 місяців.
- Ціни нижчі за ринок на 3-10%
- З кожним редуктором йде паспорт з усіма печатками ВТК.
- Доставка можлива по всій Україні.
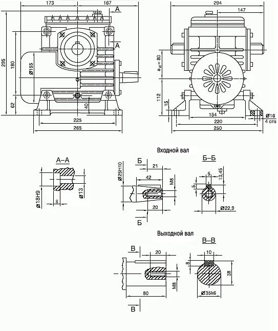
Габаритні та приєднувальні розміри Ч-80

Технічні характеристики редуктора Ч-80
| Передавальні числа | Частота обертання вхідного вала, об/хв | Максимальне навантаження на валу | |||||||
| Ном. | Факт. | 750 | 1000 | 1500 | Вхід. вал, Н | Вихід. вал, Н | |||
| Допустимий Мкр на вих. валу, Нм | ККД | Допустимий Мкр на вих. валу, Нм | ККД | Допустимий Мкр на вих. валу, Нм | ККД | ||||
| 63 | 64 | 224 | 0.6 | 212 | 0.62 | 190 | 0.64 | 500 | 4000 |
Варіанти складання редуктора Ч-80

Варіанти розташування черв'ячної пари

Варіанти розташування лап по площинах

Приклад запису умовного позначення під час замовлення:

Червячный редуктор Ч-80-63
Відгуків про цей товар ще не було.
Немає відгуків про цей товар, станьте першим, залиште свій відгук.
Немає питань про даний товар, станьте першим і задайте своє питання.