Черв'ячний редуктор Ч-80-80
Черв'ячний редуктор Ч-80-80
Черв'ячний редуктор Ч-80-80 відноситься до одноступінчастих пристроїв. Основна робота редуктора – це перетворення крутного моменту та частоти обертання валу у приводі машин та різного обладнання на виробництві.
Навантаження може бути прямим, змінним або реверсивним. Середовище, в якому працює редуктор, не повинно бути агресивним або вибухонебезпечним.
До мінусів такого редуктора можна віднести потужнісні втрати зі збільшенням швидкості обертання та схильність до заїдання при великих навантаженнях.
Замовити черв'ячні редуктори та інші пристрої можна у нас на сайті або зателефонувавши менеджерам.
Співпрацюючи з "Промпривод", ви отримуєте ряд переваг:
- 100% гарантія виконання умов договору.
- Усі пристрої проходять додаткові тести, що унеможливлює будь-який брак.
- Гарантія 12 місяців.
- Ціни нижчі за ринок на 3-10%
- З кожним редуктором йде паспорт з усіма печатками ВТК.
- Доставка можлива по всій Україні.
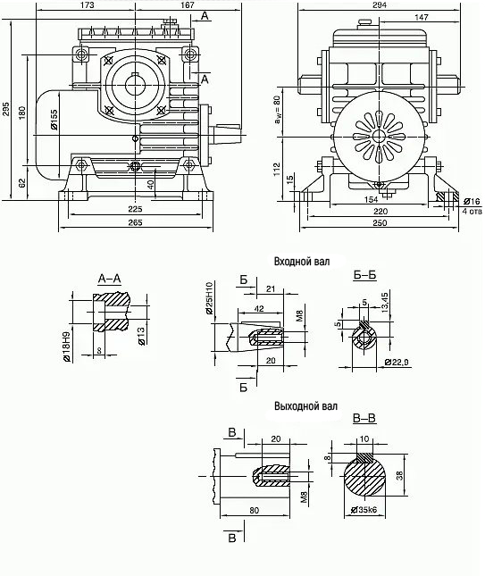
Габаритні та приєднувальні розміри Ч-80

Технічні характеристики редуктора Ч-80
| Передавальні числа | Частота обертання вхідного вала, об/хв | Максимальне навантаження на валу | |||||||
| Ном. | Факт. | 750 | 1000 | 1500 | Вхід. вал, Н | Вихід. вал, Н | |||
| Допустимий Мкр на вих. валу, Нм | ККД | Допустимий Мкр на вих. валу, Нм | ККД | Допустимий Мкр на вих. валу, Нм | ККД | ||||
| 80 | 78 | 200 | 0.55 | 190 | 0.58 | 175 | 0.64 | 500 | 4000 |
Варіанти складання редуктора Ч-80

Варіанти розташування черв'ячної пари

Варіанти розташування лап по площинах

Приклад запису умовного позначення під час замовлення:

Червячный редуктор Ч-80-80
Відгуків про цей товар ще не було.
Немає відгуків про цей товар, станьте першим, залиште свій відгук.
Немає питань про даний товар, станьте першим і задайте своє питання.