Черв'ячний редуктор РЧН-180-51
Черв'ячний одноступінчастий редуктор РЧН-180-51
Редуктор РЧН-180 є агрегатом з одноступінчастою черв'ячною передачею, яка розташована над черв'ячним колесом.
Застосовується цей пристрій у приводах та механізмах кранового обладнання, транспортерів та підйомників.
Черв'ячний редуктор РЧН-180 має плавний хід та самогальмування, що допомагає використовувати агрегат без додаткової гальмівної системи.
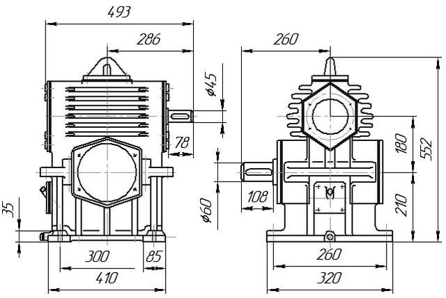
Габаритні та приєднувальні розміри редуктора РЧН-180

Основні технічні характеристики черв'ячного редуктора РЧН-180
| Типорозмір редуктора | Міжосьова відстань, мм | Передавальне число | Номінальна потужність на швидкохідному валу, кВт | ККД | Вага, кг | ||
| 750 | 1000 | 1500 | |||||
| РЧН-180 | 180 | 12.33 | - | 11 | 8.9 | 0.89 | 177 |
| 18.5 | 8.1 | 5.9 | 0.86 | ||||
| 37 | 5.16 | 3.3 | 0.78 | ||||
| 51 | 3.68 | 3.3 | 0.74 | ||||
Оформити замовлення та придбати редуктори РЧН-180 з різними передавальними числами ви можете у нас на сайті "Промпривод". Також ви маєте можливість проконсультуватися з особистого питання з фахівцями нашого call-центру. Під час купівлі в нашій компанії ви отримаєте сертифікат якості, а також гарантію на 12 місяців. Доставка можлива на всій території України в найкоротші терміни.



Червячный редуктор РЧН-180-51
Відгуків про цей товар ще не було.
Немає відгуків про цей товар, станьте першим, залиште свій відгук.
Немає питань про даний товар, станьте першим і задайте своє питання.