Глобоїдний редуктор РГЛ-180-35
Редуктор РГЛ-180-35
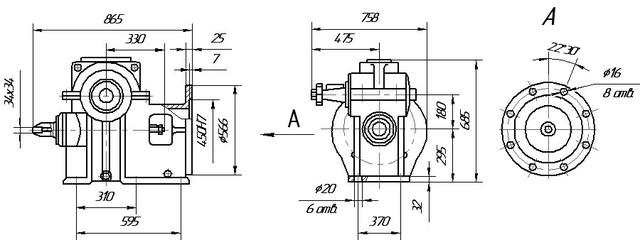
Редуктор глобоїдного типу РГЛ-180-35 використовується для укомплектування лебідок для пасажирських та вантажних ліфтів. Корпус даного механізму виготовлений з чавуну та має фланцеве кріплення для електродвигуна.
Встановлюється у вибухобезпечних приміщеннях із температурою навколишнього середовища від -15о до +40оС. Застосовується для укомплектування лебідок для таких типів ліфтів:
- Пасажирські.
- Вантажні.
Компанія «Промпривод» пропонує широкий вибір редукторів, а також запасних частин. Для замовлення редуктора РГЛ-180 Ви можете зателефонувати за телефонами, вказаними на сайті або скористатися допомогою онлайн менеджера.
У зв'язку з постійним розширенням клієнтської бази було введено гнучку систему знижок для постійних клієнтів. Кожен редуктор проходить перевірку у відділі якості. Надаємо офіційну документацію та здійснюємо швидку та своєчасну доставку по всіх регіонах України.
Конструкція глобоїдного редуктора РГЛ-180

Технічні характеристики редуктора РГЛ-180-35
| Тип | iN | n1 | P1 | T2 | Fra |
| хв-1 | кВт | Н·м | Н | ||
| РГЛ-180 | 35 | 1000 | 9 | 1680 | 50000 |
Розміри вхідних і вихідних валів

Розміри вхідних конічних валів
| Типорозмір | d | I | I1 | b | t |
| РГЛ-180 | 65 мм | 140 мм | 108 мм | 16 мм | 35 мм |
Розміри вихідних конічних валів
| Типорозмір | d | I | I1 | b | t |
| РГЛ-180 | 120 мм | 210 мм | 155 мм | 28 мм | 62 мм |
Варіанти збирання редуктора

Глобоидный редуктор РГЛ-180-35
Відгуків про цей товар ще не було.
Немає відгуків про цей товар, станьте першим, залиште свій відгук.
Немає питань про даний товар, станьте першим і задайте своє питання.