ГПШ-400-10
Циліндричний редуктор ГПШ-400-10
Редуктори типу ГПШ-400-10 – двоступінчасті циліндричні механізми, які відіграють роль перетворювача величин, що надходять через швидкохідний вал редуктора до системи.
Даний вид редукторів відноситься до найбільш надійних зі свого класу, тому знайшов широке поширення для виробничих та господарських потреб.
Компанія «Промпривод» займається виготовленням, ремонтом та продажем редукторів даного типу. Завдяки якісному та ввічливому обслуговуванню ваших компетентних фахівців наше виробництво зарекомендувало себе як надійний постачальник обладнання для виробництв та господарських потреб по всій Україні.
При необхідності, ви можете зв'язатися з нашим менеджером, який допоможе зробити оптимальну покупку, підібравши необхідний вам механізм.
Конструкція редуктора ГПШ-400-10

Габаритні та приєднувальні розміри редуктора ГПШ-400
| Типорозмір | АБ | Ат | А1 | А2 | А3 | В | В1 | Н | Н1 | L | L1 | M | Маса |
| ГПШ-400 | мм | кг | |||||||||||
| 150 | 250 | 73 | 93 | 270 | 355 | 310 | 480 | 240 | 826 | 270 | 133 | 267 | |
Основні технічні дані редуктора ГПШ-400
| Типорозмір | Частота обертання вхідного вала, об/хв | Потужність на вхідному валу, кВт |
| ГПШ-400 | 1000 | До 16.3 |
| 1500 | До 19.2 |
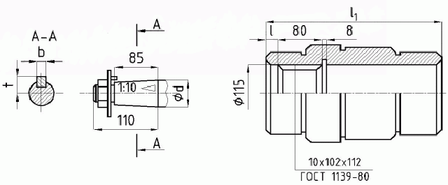
Розміри кінців вала ГПШ-400-10

| Типорозмір | d | b | t | l | l1 |
| мм | |||||
| ГПШ-400 | 40 | 12 | 21.5 | 20 | 320 |
Умовне позначення редуктора ГПШ-400-10

ГПШ-400-10
Відгуків про цей товар ще не було.
Немає відгуків про цей товар, станьте першим, залиште свій відгук.
Немає питань про даний товар, станьте першим і задайте своє питання.