Мотор-редуктор 3МП-100
Мотор-редуктор 3МП-100
3МП-100 (раніше позначався як мотор-редуктор 1МПЗ2-100) мотор-редуктор планетарний, призначений для зниження частоти обертання та передачі крутного моменту механізмам загальномашинобудівного призначення (виключаючи механізми для підйому вантажу).
Умови застосування редукторів:
- режим роботи тривалий, з тривалістю роботи 24 години на добу;
- навантаження постійне та змінне (в межах номінального крутного моменту) одного напрямку та реверсивне;
- висота над рівнем моря до 1000 м;
- зовнішнє середовище неагресивне, невибухонебезпечне із вмістом непровідного пилу до 10мг/м3
- кліматичне виконання П(N) помірний клімат, категорія розміщення 3 - експлуатація в приміщеннях, де коливання температури та вологості повітря істотно менше, ніж на відкритому повітрі, робоча температура навколишнього середовища від -45С до +40С, або Т (тропічний клімат), категорія розміщення 2-експлуатація під навісом або в приміщенні, де коливання температури та вологості повітря несуттєво відрізняються від коливань на відкритому повітрі, робоча температура навколишнього середовища від -10С до +45С.
Для комплектації мотор-редукторів використовуються асинхронні двигуни серії 4АМ, серії АІР або серії АІ. За погодженням із виробником допускається комплектація мотор-редукторів двигунами сільськогосподарського виконання 4АСУ1 та іншими спеціальними двигунами (морського, вибухобезпечного виконання, постійного струму, зниженої напруги).
Основні технічні характеристики мотор-редуктора 3МП-100
| Кількість обертів вихідного вала, об/хв | Мкр на вихідний валу, Нм | Застосовуваний двигун | Максимальне навантаження на вихідному валу, Н | ККД, % | Вага редуктора без двигуна, кг | |
| Марка | Потужність, кВт | |||||
| Одноступінчастий мотор редуктор | ||||||
| 112 | 3756 | 4А250S6 | 45 | 13000 | 98 | 280 |
| 3088 | 4А225М6 | 37 | ||||
| 140 | 3673 | 4A250M6 | 55 | |||
| 3005 | 4А250S6 | 45 | ||||
| 180 | 3895 | 4А250S4 | 75 | |||
| 2856 | 4А225М4 | 55 | ||||
| 224 | 3756 | 4А250М4 | 90 | |||
| 3130 | 4А250S4 | 75 | ||||
| 280 | 3037 | 4А250М4 | 90 | |||
| 2531 | 4А250S4 | 75 | ||||
| Двоступінчастий мотор редуктор | ||||||
| 18 | 3895 | 4А160S8 | 7.5 | 13000 | 97 | 290 |
| 2857 | 4A132M8 | 5.5 | ||||
| 22.4 | 4591 | 4А160S6 | 11 | |||
| 3130 | 4A132M6 | 7.5 | ||||
| 28 | 3673 | 4A160S6 | 11 | |||
| 2504 | 4A132M6 | 7.5 | ||||
| 35.5 | 3950 | 4A160S4 | 15 | |||
| 2897 | 4A132М4 | 11 | ||||
| 45 | 4570 | 4А180S4 | 22 | |||
| 3115 | 4A160S4 | 15 | ||||
| 56 | 3672 | 4А180S4 | 22 | |||
| 2503 | 4A160S4 | 15 | ||||
| 71 | 3950 | 4A180М2 | 30 | |||
| 2897 | 4А180S2 | 22 | ||||
| 90 | 3116 | 4A180М2 | 30 | |||
| 2285 | 4А180S2 | 22 | ||||
| Триступінчастий мотор редуктор | ||||||
| 3.55 | 3950 | АІР100LA8 | 1.5 | 13000 | 96 | 310 |
| 2897 | АІР90LВ8 | 1.1 | ||||
| 4.4 | 3187 | АІР100LB8 | 1.5 | |||
| 2338 | АІР90LВ8 | 1.1 | ||||
| 5.6 | 3673 | АІР100LA6 | 2.2 | |||
| 2504 | АІР90L6 | 1.5 | ||||
| 7.1 | 3950 | АІР100S4 | 3 | |||
| 2897 | АІР90L4 | 2.2 | ||||
| 9 | 4155 | АІР100L4 | 4 | |||
| 3116 | АІР100S4 | 3 | ||||
| 12.5 | 4114 | АІР100L2 | 5.5 | |||
| 2995 | АІР100S2 | 4 | ||||
| 16 | 3214 | АІР100L2 | 5.5 | |||
| 2338 | АІР100S2 | 4 | ||||
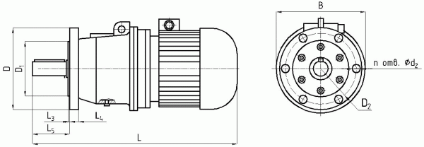
Габаритні та приєднувальні розміри мотор-редуктора 3МП-100
(виконання на лапах)

| Кількість ступенів у мотор редукторі 3МП-100 | L | B | H | L1 | L2 | B1 | B2 | H1 | H2 | H3 | d1 |
| не більше | |||||||||||
| одноступінчастий | 1305 | 550 | 570 | 200 | 340 | 340 | 415 | 235 | 40 | 40 | 35 |
| двоступінчастий | 1080 | 415 | 485 | – | |||||||
| триступінчастий | 850 | 415 | 420 | ||||||||
Габаритні та приєднувальні розміри мотор-редуктора 3МП-100
(фланцеве виконання)

| Кількість ступенів у мотор редукторі 3МП-100 | L | B | L3 | L4 | L5 | D | D1 | D2 | d2 | n |
| не більше | ||||||||||
| одноступінчастий | 1305 | 550 | 14 | 28 | 180 | 500 | 400 | 450 | 22 | 8 |
| двоступінчастий | 1080 | 500 | ||||||||
| триступінчастий | 850 | 500 | ||||||||
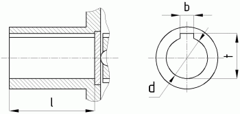
Приєднувальні розміри циліндричних валів мотор-редуктора

| d | d1 | I | I1 | b | t |
| 80 | М56×4 | 170 | 130 | 20 | 41.25 |
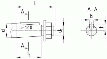
Приєднувальні розміри конічних валів мотор-редуктора 3МП

| d | I | b | t |
| 80k6 | 160 | 22 | 85 |
Приєднувальні розміри порожнистих валів мотор-редуктора 3МП

| d | I | b | t |
| на індивідуальне замовлення | |||
Мотор-редуктор 3МП-100: варіанти складання

ПРИКЛАД УМОВНОГО ПОЗНАЧЕННЯ ПРИ ЗАМОВЛЕННІ
Мотор-редуктор ЗМП-100-56-320 УЗ, 380 В, де:
3МП - тип моторредуктора;
100 - радіус розташування сателітів, мм;
56 - номінальна частота обертання вихідного валу, об/хв;
G320 - конструктивне виконання за способом монтажу;
У3 - кліматичне виконання згідно з ГОСТ 15150-69;
380 - напруга мережі.
Зазначимо, що за бажанням замовника ми можемо укомплектувати мотор-редуктор ЗМП-100 (1МПЗ2) електродвигуном із вбудованим електромагнітним гальмом та електродвигуном вибухозахищеного виконання. Щоб купити 3МП редуктор - телефонуйте за вказаними телефонами.
Мотор-редуктор 3МП-100
Відгуків про цей товар ще не було.
Немає відгуків про цей товар, станьте першим, залиште свій відгук.
Немає питань про даний товар, станьте першим і задайте своє питання.