Мотор-редуктор 3МП-25
Мотор-редуктор 3МП-25
Мотор-редуктор 3МП-25 є планетарним і застосовується в різному обладнанні (крім підйомних механізмів) для зниження швидкості обертання та передачі крутного моменту іншим пристроям.
Агрегат 3МП-25 може виконуватися як одноступінчастий, двоступінчастий або триступінчастий. Є надійним та має високі показники ККД.
Для комплектації виробу застосовуються асинхронні двигуни серії 4АМ, серії АІР або АІР. За погодженням із виробником допускається комплектація двигунами сільськогосподарського виконання 4АСУ1 та іншими спеціальними двигунами (морського, вибухобезпечного виконання, постійного струму, зниженої напруги).
Купити даний мотор-редуктор можна на нашому сайті компанії «Промпривод» за ціною від виробника. Ми надаємо продукцію лише високої якості та з впевненістю даємо тривалу гарантію 12 місяців. До кожного товару додається оригінальний паспорт із докладним описом технічних характеристик та відмітками ВТК. Доставка здійснюється по всій території України.
Основні технічні характеристики мотор-редуктора 3МП-25:
| Кількість оборотів вихідного валу, об/хв | Мкр на вихідному валу, Нм | Застосовуваний двигун | Максимальне навантаження на вихідному валу, Н | ККД, % | Вага редуктора без двигуна, кг | |
| Марка | Потужність, кВт | |||||
| Одноступінчастий мотор редуктор | ||||||
| 112 | 64 | АІР80А6 | 0.75 | 600 | 97 | 8 |
| 140 | 73 | АІР80А4 | 1.1 | |||
| 180 | 78 | АІР80В4 | 1.5 | |||
| 224 | 63 | АІР80А2 | 1.5 | |||
| 280 | 73 | АІР80В2 | 2.2 | |||
| Двоступінчастий мотор редуктор | ||||||
| 18 | 62 | АІР56А4 | 0.12 | 750 | 96 | 7 |
| 22.4 | 74 | АІР56В4 | 0.18 | |||
| 28 | 83 | АІР63А4 | 0.25 | |||
| 35.5 | 66 | АІР63А4 | 0.25 | |||
| 45 | 77 | АІР63В4 | 0.37 | |||
| 56 | 61 | АІР63В4 | 0.37 | |||
| 71 | 72 | АІР63В2 | 0.55 | |||
| 90 | 57 | АІР63В2 | 0.55 | |||
| Триступінчастий мотор редуктор | ||||||
| 3.55 | 90 | АІР56А4 | 0.12 | 800 | 95 | 9 |
| 4.4 | 90 | АІР56А4 | 0.12 | |||
| 5.6 | 90 | АІР56А4 | 0.12 | |||
| 7.1 | 81 | АІР56А4 | 0.12 | |||
| 9 | 81 | АІР56А4 | 0.12 | |||
| 12.5 | 81 | АІР56А4 | 0.12 | |||
| 16 | 70 | АІР56А4 | 0.12 | |||
Габаритні та приєднувальні розміри мотор-редуктора 3МП-25
(виконання на лапах)

| Кількість ступенів у мотор редукторі 3МП-25 | L | B | H | L1 | L2 | B1 | B2 | H1 | H2 | H3 | d1 |
| не більше | |||||||||||
| одноступінчастий | 478 | 200 | 205 | 63 | 110 | 120 | 150 | 80 | 12 | 20 | 12 |
| двоступінчастий | 417 | 160 | 171 | – | |||||||
| триступінчастий | 397 | 150 | 160 | ||||||||
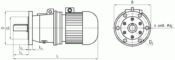
Габаритні та приєднувальні розміри мотор-редуктора 3МП-25
(фланцеве виконання)

| Кількість ступенів у мотор редукторі 3МП-25 | L | B | L3 | L4 | L5 | D | D1 | D2 | d2 | n |
| не більше | ||||||||||
| одноступінчастий | 478 | 200 | 4 | 10 | 50 | 155 | 110 | 130 | 12 | 4 |
| двоступінчастий | 417 | 160 | ||||||||
| триступінчастий | 397 | 150 | ||||||||
Приєднувальні розміри циліндричних валів мотор-редуктора 3МП

| d | d1 | I | I1 | b | t |
| 25 | М16×1.5 | 60 | 42 | 5 | 13.45 |
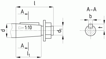
Приєднувальні розміри конічних валів мотор-редуктора 3МП

| d | I | b | t |
| 25k6 | 42 | 8 | 28 |
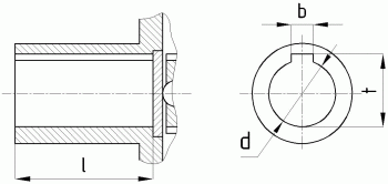
Приєднувальні розміри порожнистих валів мотор-редуктора 3МП

| d | I | b | t |
| на індивідуальне замовлення | |||
Мотор-редуктор 3МП-25: варіанти складання

Приклад умовного позначення для мотор-редуктора 3МП-25
3МП-25-112-0,75-64-G110-Ц-У3-380В, де:
3МП – тип мотор-редуктора – мотор-редуктор планетарний;
25 - габарит - міжосьова відстань;
112 - обороти вихідного валу, об/хв;
0,75 – потужність електродвигуна, кВт;
64 - крутний момент на вихідному валу, Н.м;
G110 - конструктивне виконання за способом монтажу;
Ц - варіант виконання вихідного валу;
У3 - кліматичне виконання та категорія розміщення;
380В - номінальна напруга мережі змінного струму.
Мотор-редуктор 3МП-25
Відгуків про цей товар ще не було.
Немає відгуків про цей товар, станьте першим, залиште свій відгук.
Немає питань про даний товар, станьте першим і задайте своє питання.