Мотор-редуктор 3МП-40
Мотор-редуктор 3МП-40
Мотор-редуктор 3МП-40 (раніше позначався як 1МПз2-40) планетарний, призначений для зниження частоти обертання і передачі моменту, що крутить, механізмам загальномашинобудівного призначення, (виключаючи механізми для підйому вантажу). Варіанти позначення: 3МП-40, ЗМП-40.
Умови застосування редукторів:
- режим роботи тривалий, з тривалістю роботи 24 години на добу;
- навантаження постійне та змінне (в межах номінального крутного моменту) одного напрямку та реверсивне;
- висота над рівнем моря до 1000 м;
- зовнішнє середовище неагресивне, невибухонебезпечне із вмістом непровідного пилу до10 мг/м3
- кліматичне виконання П (N) помірний клімат, категорія розміщення 3 експлуатація в приміщеннях, де коливання температури та вологості повітря істотно менше, ніж на відкритому повітрі, робоча температура навколишнього середовища від -45С до +40С, або Т (тропічний клімат), категорія розміщення 2-експлуатація під навісом або в приміщенні, де коливання температури та вологості повітря несуттєво відрізняються від коливань на відкритому повітрі, робоча температура навколишнього середовища від -10С до +45С.
Для комплектації виробу застосовуються асинхронні двигуни серії 4АМ, серії АІР або АІР. За погодженням із виробником допускається комплектація двигунами сільськогосподарського виконання 4АСУ1 та іншими спеціальними двигунами (морського, вибухобезпечного виконання, постійного струму, зниженої напруги).
Основні технічні характеристики мотор-редуктора 3МП-40:
| Кількість оборотів вихідного валу, об/хв | Мкр на вихідному валу, Нм | Застосовуваний двигун | Максимальне навантаження на вихідному валу, Н | ККД, % | Вага редуктора без двигуна, кг | |||
| Марка | Потужність, кВт | |||||||
| Одноступінчастий мотор редуктор | ||||||||
| 112 | 340 | АІР112МВ6 | 4 | 2400 | 98 | 35 | ||
| 250 | AІР112МА6 | 3 | ||||||
| 140 | 340 | AІР132S6 | 5.5 | |||||
| 260 | AІР112В6 | 4 | ||||||
| 180 | 375 | AІР132S4 | 7.5 | |||||
| 235 | AІР112М4 | 5.5 | ||||||
| 224 | 375 | AІР132S4 | 7.5 | |||||
| 230 | AІР112М4 | 5.5 | ||||||
| 280 | 375 | AІР132М4 | 11 | |||||
| 250 | AІР132S4 | 7.5 | ||||||
| Двоступінчастий мотор редуктор | ||||||||
| 18 | 375 | AІР90LA8 | 0.75 | 4200 | 97 | 32 | ||
| 280 | AІР80В8 | 0.55 | ||||||
| 22.4 | 375 | AІР80В6 | 1.1 | |||||
| 225 | AІР71В6 | 0.55 | ||||||
| 28 | 364 | AІР80В6 | 1.1 | |||||
| 250 | AІР80А6 | 0.75 | ||||||
| 35.5 | 375 | AІР80В4 | 1.5 | |||||
| 285 | AІР80А4 | 1.1 | ||||||
| 45 | 308 | AІР80В4 | 1.5 | |||||
| 225 | AІР80А4 | 1.1 | ||||||
| 56 | 365 | AІР90L4 | 2.2 | |||||
| 248 | AІР80B4 | 1.5 | ||||||
| 71 | 375 | AІР90L2 | 3 | |||||
| 280 | AІР80В2 | 2.2 | ||||||
| 90 | 310 | AІР90L2 | 3 | |||||
| 225 | AІР80В2 | 2.2 | ||||||
| Триступінчастий мотор редуктор | ||||||||
| 3.55 | 375 | АІР63А6 | 0.18 | 4540 | 96 | 35 | ||
| 4.4 | 330 | АІР63А6 | 0.18 | |||||
| 5.6 | 375 | АІР63В6 | 0.25 | |||||
| 7.1 | 375 | АІР63В4 | 0.37 | |||||
| 9 | 330 | АІР63В4 | 0.37 | |||||
| 12.5 | 375 | АІР63В2 | 0.55 | |||||
| 16 | 330 | АІР63В2 | 0.55 | |||||
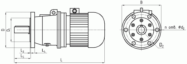
Габаритні та приєднувальні розміри мотор-редуктора 3МП-40
(виконання на лапах)

| Кількість ступенів у мотор редукторі 3МП-40 | L | B | H | L1 | L2 | B1 | B2 | H1 | H2 | H3 | d1 |
| не більше | |||||||||||
| одноступінчастий | 725 | 350 | 305 | 110 | 170 | 180 | 220 | 112 | 22 | 63 | 20 |
| двоступінчастий | 625 | 250 | 247 | – | |||||||
| триступінчастий | 500 | 224 | 247 | ||||||||
Габаритні та приєднувальні розміри мотор-редуктора 3МП-40
(фланцеве виконання)

| Кількість ступенів у мотор редукторі 3МП-40 | L | B | L3 | L4 | L5 | D | D1 | D2 | d2 | n |
| не більше | ||||||||||
| одноступінчастий | 725 | 350 | 6 | 16 | 90 | 200 | 130 | 165 | 15 | 6 |
| двоступінчастий | 625 | 250 | ||||||||
| триступінчастий | 500 | 224 | ||||||||
Приєднувальні розміри циліндричних валів мотор-редуктора 3МП

| d | d1 | I | I1 | b | t |
| 35 | М20×1.5 | 80 | 58 | 6 | 18.55 |
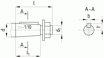
Приєднувальні розміри конічних валів мотор-редуктора 3МП

| d | I | b | t |
| 35k6 | 80 | 10 | 38 |
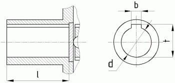
Приєднувальні розміри порожнистих валів мотор-редуктора 3МП

| d | I | b | t |
| 30Н7 | 70 | 8 | 33.1 |
Мотор-редуктор 3МП-40: варіанти складання

ПРИКЛАД УМОВНОГО ПОЗНАЧЕННЯ ПРИ ЗАМОВЛЕННІ
Мотор-редуктор ЗМП40-90-110 УЗ, 380 В, де:
3МП - тип моторредуктора;
40 - радіус розташування сателітів, мм;
90 - номінальна частота обертання вихідного валу, об/хв;
G110 - конструктивне виконання за способом монтажу;
У3 - кліматичне виконання згідно з ГОСТ 15150-69;
380 В - напруга мережі.
Зазначимо, що за бажанням ви можете купити мотор-редуктор ЗМП, укомплектований електродвигуном із вбудованим електромагнітним гальмом та електродвигуном вибухозахищеного виконання.
Мотор-редуктор 3МП-40
Відгуків про цей товар ще не було.
Немає відгуків про цей товар, станьте першим, залиште свій відгук.
Немає питань про даний товар, станьте першим і задайте своє питання.