Мотор-редуктор 3МП-50
Мотор-редуктор 3МП-50
3МП-50 (раніше позначався як мотор-редуктор 1МПЗ2-50) мотор-редуктор планетарний, призначений для зниження частоти обертання та передачі крутного моменту механізмам загальномашинобудівного призначення (виключаючи механізми для підйому вантажу).
Умови застосування редукторів:
- режим роботи тривалий, з тривалістю роботи 24 год на добу;
- навантаження постійне та змінне (в межах номінального крутного моменту) одного напрямку та реверсивне;
- висота над рівнем моря до 1000 м;
- зовнішнє середовище неагресивне, невибухонебезпечне із вмістом непровідного пилу до 10 мг/м3
- кліматичне виконання П (N) помірний клімат, категорія розміщення 3 - експлуатація в приміщеннях, де коливання температури та вологості повітря істотно менше, ніж на відкритому повітрі, робоча температура навколишнього середовища від -45С до +40С, або Т (тропічний клімат), категорія розміщення 2-експлуатація під навісом або в приміщенні, де коливання температури та вологості повітря несуттєво відрізняються від коливань на відкритому повітрі, робоча температура навколишнього середовища від -10С до +45С.
Для комплектації мотор-редукторів використовуються асинхронні двигуни серії 4АМ, серії АІР або серії АІ. За погодженням із виробником допускається комплектація мотор-редукторів двигунами сільськогосподарського виконання 4АСУ1 та іншими спеціальними двигунами (морського, вибухобезпечного виконання, постійного струму, зниженої напруги).
Основні технічні характеристики мотор-редуктора 3МП-50:
| Кількість обертів вихідного вала, об/хв | Мкр на вихідному валу, Нм | Застосовуваний двигун | Максимальне навантаження на вихідному валу, Н | ККД, % | Вага редуктора без двигуна, кг | ||||
| Марка | Потужність, кВт | ||||||||
| Одноступінчастий мотор редуктор | |||||||||
| 112 | 620 | АІР132М6 | 7.5 | 3430 | 98 | 55 | |||
| 455 | AІР132S6 | 5.5 | |||||||
| 140 | 750 | AІР160S6 | 11 | ||||||
| 510 | AІР132М6 | 7.5 | |||||||
| 180 | 750 | AІР160S4 | 15 | ||||||
| 570 | AІР132М4 | 11 | |||||||
| 224 | 610 | AІР160S4 | 15 | ||||||
| 450 | AІР132М4 | 11 | |||||||
| Двоступінчастий мотор редуктор | |||||||||
| 18 | 750 | AІР100L8 | 1.5 | 6420 | 97 | 48 | |||
| 570 | AІР90LВ8 | 1.1 | |||||||
| 22.4 | 750 | AІР100L6 | 2.2 | ||||||
| 570 | AІР90L6 | 1.5 | |||||||
| 28 | 730 | AІР100L6 | 2.2 | ||||||
| 495 | AІР90L6 | 1.5 | |||||||
| 35.5 | 750 | AІР100S4 | 3 | ||||||
| 570 | AІР90L4 | 2.2 | |||||||
| 45 | 660 | AІР100S4 | 3 | ||||||
| 480 | AІР90L4 | 2.2 | |||||||
| 56 | 680 | AІР100L4 | 4 | ||||||
| 510 | AІР100S4 | 3 | |||||||
| 71 | 730 | AІР100L2 | 5.5 | ||||||
| 530 | AІР90L4 | 4 | |||||||
| 90 | 570 | AІР90L2 | 5.5 | ||||||
| 415 | AІР100S2 | 4 | |||||||
| Триступінчастий мотор редуктор | |||||||||
| 3.55 | 605 | АІР71В8 | 0.25 | 6550 | 96 | 53 | |||
| 459 | АІР63А6 | 0.18 | |||||||
| 4.4 | 700 | АІР80А8 | 0.37 | ||||||
| 550 | АІР71В8 | 0.25 | |||||||
| 5.6 | 750 | АІР71В6 | 0.55 | ||||||
| 570 | АІР71А6 | 0.37 | |||||||
| 7.1 | 695 | АІР71А4 | 0.55 | ||||||
| 9 | 750 | АІР71В4 | 0.75 | ||||||
| 555 | АІР71А4 | 0.55 | |||||||
| 12.5 | 750 | АІР71А2 | 1.1 | ||||||
| 525 | АІР71В2 | 0.75 | |||||||
| 16 | 650 | АІР71В2 | 1.1 | ||||||
| 445 | АІР71А2 | 0.75 | |||||||
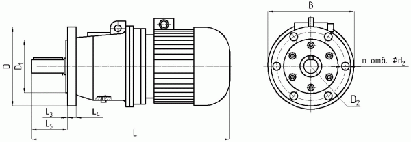
Габаритні та приєднувальні розміри мотор-редуктора 3МП-50
(виконання на лапах)

| Кількість ступенів у мотор редукторі 3МП-50 | L | B | H | L1 | L2 | B1 | B2 | H1 | H2 | H3 | d1 |
| не більше | |||||||||||
| одноступінчастий | 925 | 350 | 360 | 145 | 210 | 220 | 266 | 132 | 22 | 43 | 22 |
| двоступінчастий | 682 | 270 | 295 | – | |||||||
| триступінчастий | 637 | 270 | 295 | ||||||||
Габаритні та приєднувальні розміри мотор-редуктора 3МП-50
(фланцеве виконання)

| Кількість ступенів у мотор редукторі 3МП-50 | L | B | L3 | L4 | L5 | D | D1 | D2 | d2 | n |
| не більше | ||||||||||
| одноступінчастий | 925 | 350 | 8 | 18 | 124 | 250 | 180 | 215 | 17 | 6 |
| двоступінчастий | 682 | 270 | ||||||||
| триступінчастий | 637 | 270 | ||||||||
Приєднувальні розміри циліндричних валів мотор-редуктора 3МП

| d | d1 | I | I1 | b | t |
| 45 | М30×2 | 110 | 82 | 12 | 23.45 |
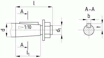
Приєднувальні розміри конічних валів мотор-редуктора 3МП

| d | I | b | t |
| 45k6 | 110 | 14 | 48.5 |
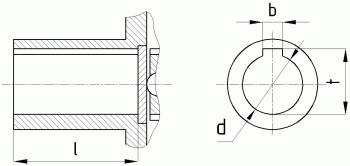
Приєднувальні розміри порожнистих валів мотор-редуктора 3МП

| d | I | b | t |
| 40Н7 | 80 | 12 | 43.3 |
Мотор-редуктор 3МП-50: варіанти складання

ПРИКЛАД УМОВНОГО ПОЗНАЧЕННЯ ПРИ ЗАМОВЛЕННІ
Мотор-редуктор ЗМП-50-56-320 УЗ, 380 В, де:
3МП - тип моторредуктора;
50 - радіус розташування сателітів, мм;
56 - номінальна частота обертання вихідного валу, об/хв;
G320 - конструктивне виконання за способом монтажу;
У3 - кліматичне виконання згідно з ГОСТ 15150-69;
380 В - напруга мережі.
Зазначимо, що за бажанням замовника ми можемо укомплектувати мотор-редуктор ЗМП-50 (1МПЗ2) електродвигуном із вбудованим електромагнітним гальмом та електродвигуном вибухозахищеного виконання.
Мотор-редуктор 3МП-50
Відгуків про цей товар ще не було.
Немає відгуків про цей товар, станьте першим, залиште свій відгук.
Немає питань про даний товар, станьте першим і задайте своє питання.