Мотор редуктор 3МП-50 2 ступені 18 об/хв
Мотор редуктор 3МП-50 2 ступені 18 об/хв
Мотор редуктор 3 МП-50 2 ступені 18 об/хв являє собою електромеханічний привод, що використовується для укомплектування тихохідного промислового обладнання — бетонозмішувачі, преси, дозатори, верстати, крім вантажопідіймальних механізмів. Також перетворювач задіюють у сільському господарстві для монтажу на елеватори, зрошувальні системи, напувалки для птахів, насосні станції та інше.
Відрізняється 3МП від інших промислових редукторів високим крутним моментом на вихідному валу, здатністю рівномірно розподіляти радіальні сили корпусом, високою стійкістю до планетарних навантажень, а також порівняно невеликими габаритами та масою.
Купити мотор редуктор 3МП-50 2 ступені 18 об/хв можна на сайті компанії «Промпривод». Перетворювач комплектується асинхронним електродвигуном марки АІР90LB8. Ціни на обладнання у нас на порядок нижчі, ніж у конкурентів. На продукцію надаємо гарантію 12 місяців. Відвантаження виконується в суворо зазначені терміни на всій території України.
Умови використання мотор-редуктора 3МП 50
| Характеристика | Значення |
| Тип навантаження | Постійний, змінний |
| Напрямок обертання тихохідного вала | Односпрямований або реверсивний |
| Режим роботи | Тривалий або з періодичними зупинками |
| Кліматичне виконання | У, Т, категорія розміщення 2,3 |
| Температурний діапазон | От -45 до +45 С |
| Зовнішнє середовище | Невибухонебезпечне, неагресивне, зміст непровідного пилу не перевищує 10 мг/м3 |
Основні технічні характеристики мотор-редуктора 3МП 50 (18 об/хв, АІР90LB8)
| Частота обертання вихідного валу об/хв | Кількість ступенів | ККД мотор-редуктора не менш % | Маса Редуктора кг | Допустиме радіально-консольне навантаження на вихідному валу, Н | Комплектуючий електродвигун | |
| Марка | Потужність кВт | |||||
| 18 | 2 | 75% | 74 | 5970 | АІР90LB8 | 1,1 |
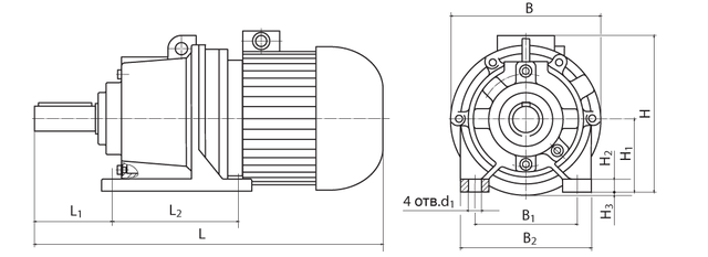
Конструкція та габаритні розміри мотор-редуктора 3МП 50 (18 об/хв, АІР90LB8)
Габаритні та приєднувальні розміри мотор-редуктора 3МП 50 (виконання — на лапах)

| Позначення мотор-редуктора | Частота обертання вихідного валу об/хв | L | B | H | L1 | L2 | B1 | B2 | H1 | H2 | H3 | d1 |
| Не більше | ||||||||||||
| 3МП-50 | 18 | 637 | 270 | 295 | 145 | 210 | 220 | 266 | 132 | 22 | - | 22 |
Конструкція та габаритні розміри мотор-редуктора 3МП 50 (18 об/хв, АІР90LB8)
Габаритні та приєднувальні розміри мотор-редуктора 3МП 50 (виконання — фланець)

| Позначення мотор-редуктора | Частота обертання вихідного валу об/хв | L | B | L3 | L4 | L5 | D | D1 | D2 | d2 | n |
| Не більше | |||||||||||
| 3МП-50 | 18 | 637 | 270 | 8 | 18 | 124 | 250 | 180 | 215 | 17 | 6 |
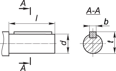
Приєднувальні розміри циліндричних валів мотор-редуктора 3МП

| Мотор-редуктор | d | l | b | t |
| 3МП-50 | 45k6 | 110 | 14 | 48,5 |
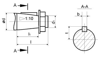
Приєднувальні розміри конічних валів мотор-редуктора 3МП

| Мотор-редуктор | d | d1 | l | l1 | b | t |
| 3МП-50 | 45 | М30х2,0 | 110 | 82 | 12 | 23,45 |
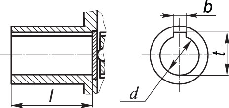
Приєднувальні розміри порожнистих валів мотор-редуктора 3МП

| Мотор-редуктор | d | l | b | t |
| 3МП-50 | 40Н7 | 80 | 12 | 43,3 |
Мотор редуктор 3МП-50 2 ступени 18 об/мин
Відгуків про цей товар ще не було.
Немає відгуків про цей товар, станьте першим, залиште свій відгук.
Немає питань про даний товар, станьте першим і задайте своє питання.