Мотор редуктор 3МП-50 2 ступені 28 об/хв
Мотор редуктор 3МП-50 2 ступені 28 об/хв
Мотор редуктор 3МП-50 2 ступені 28 об/хв - один з різновидів загальнопромислових перетворювачів, що використовуються для захисту двигуна від перевантаження. Монтується обладнання на бетономішалки, котельні та насосні станції, також застосовується у сільському господарстві.
Встановлювати механізми можна в умовах помірного та тропічного клімату в приміщеннях із вибухобезпечним неагресивним середовищем. 3МП здатні рівномірно розподіляти радіальні сили вздовж корпусу, а також відрізняється стійкістю до високоінтенсивних безперервних навантажень відносно невеликими габаритами і масою, в порівнянні з іншими моделями редукторів.
Купити мотор редуктор 3МП-50 2 ступені 28 об/хв за ціною, нижчою від ринку можна на сайті компанії «Промпривод». Ми є виробниками обладнання, тому постачаємо клієнтам якісні нові редуктори. Перед відправкою перевіряємо всю продукцію у відділі технічного контролю.
Умови використання мотор-редуктора 3МП 50
| Характеристика | Значення |
| Тип навантаження | Постійний, змінний |
| Напрямок обертання тихохідного вала | Односпрямований або реверсивний |
| Режим роботи | Тривалий або з періодичними зупинками |
| Кліматичне виконання | У, Т, категорія розміщення 2,3 |
| Температурний діапазон | От -45 до +45 С |
| Зовнішнє середовище | Неагресивне, невибухонебезпечне, із вмістом непровідного пилу до 10мг/м3 |
Основні технічні характеристики мотор-редуктора 3МП 50 (28 об/хв, АІР90L6)
| Частота обертання вихідного вала об/хв | Кількість ступенів | ККД мотор-редуктора не менше % | Маса редуктора кг | Допустиме радіально-консольне навантаження на вихідному валу, Н | Комплектуючий електродвигун | |
| Марка | Потужність кВт | |||||
| 28 | 2 | 74% | 69 | 5560 | АІР90L6 | 1,5 |
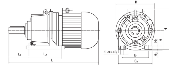
Конструкція та габаритні розміри мотор-редуктора 3МП 50 (28 об/хв, АІР90L6)
Габаритні та приєднувальні розміри мотор-редуктора 3МП 50 (виконання - на лапах)

| Позначення мотор-редуктора | Частота обертання вихідного вала об/хв | L | B | H | L1 | L2 | B1 | B2 | H1 | H2 | H3 | d1 |
| Не більше | ||||||||||||
| 3МП-50 | 28 | 637 | 270 | 295 | 145 | 210 | 220 | 266 | 132 | 22 | - | 22 |
Конструкція та габаритні розміри мотор-редуктора 3МП 50 (28 об/хв, АІР90L6)
Габаритні та приєднувальні розміри мотор-редуктора 3МП 50 (виконання - фланець)

| Позначення мотор-редуктора | Частота обертання вихідного вала об/хв | L | B | L3 | L4 | L5 | D | D1 | D2 | d2 | n |
| Не більше | |||||||||||
| 3МП-50 | 28 | 637 | 270 | 8 | 18 | 124 | 250 | 180 | 215 | 17 | 6 |
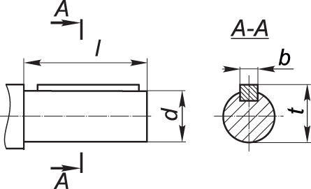
Приєднувальні розміри циліндричних валів мотор-редуктора 3МП

| Мотор-редуктор | d | l | b | t |
| 3МП-50 | 45k6 | 110 | 14 | 48,5 |
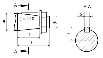
Приєднувальні розміри конічних валів мотор-редуктора 3МП

| Мотор-редуктор | d | d1 | l | l1 | b | t |
| 3МП-50 | 45 | М30х2,0 | 110 | 82 | 12 | 23,45 |
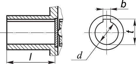
Приєднувальні розміри порожнистих валів мотор-редуктора 3МП

| Мотор-редуктор | d | l | b | t |
| 3МП-50 | 40Н7 | 80 | 12 | 43,3 |
Мотор редуктор 3МП-50 2 ступени 28 об/мин
Відгуків про цей товар ще не було.
Немає відгуків про цей товар, станьте першим, залиште свій відгук.
Немає питань про даний товар, станьте першим і задайте своє питання.