Мотор редуктор 3МП-50 2 ступені 35.5 об/хв
Мотор редуктор 3МП-50 2 ступені 35.5 об/хв
Мотор редуктор 3МП-50 2 ступені 35.5 об/хв використовується у сільському господарстві та різних сферах промисловості. Перетворювач складається з двох основних робочих елементів – асинхронного електродвигуна АІР90L4 та редуктора зубчастого типу з планетарною передачею. Встановлюють його для зниження навантаження на двигун.
3МП відрізняються високою стійкістю до ударних навантажень і високими показниками моменту, що крутить, на вихідному валу. Також механізм може рівномірно розподіляти радіальні сили корпусу. Також він стійкий до високоінтенсивних безперервних навантажень і має відносно невеликі розміри та масу.
Купити мотор редуктор 3МП-50 2 ступені 35.5 об/хв з гарантією за порівняно невисокою ціною можна на сайті компанії «Промпривод». Устаткування відповідає встановленим стандартам якості. Продукція постачається у максимально короткий термін по всій Україні. Якщо виникнуть проблеми з вибором товарів, звертайтеся за допомогою до менеджерів компанії.
Умови використання мотор-редуктора 3МП 50
| Характеристика | Значення |
| Тип навантаження | Постійний, змінний |
| Напрямок обертання тихохідного вала | Односпрямований або реверсивний |
| Режим роботи | Тривалий або з періодичними зупинками |
| Кліматичне виконання | У, Т, категорія розміщення 2,3 |
| Температурний діапазон | От -45 до +45 С |
| Зовнішнє середовище | Невибухонебезпечне, неагресивне, вміст непровідного пилу не перевищує 10 мг/м3 |
Основні технічні характеристики мотор-редуктора 3МП 50 (35.5 об./хв, АІР90L4)
| Частота обертання вихідного вала об/хв | Кількість ступенів | ККД мотор-редуктора не менш ніж % | Маса редуктора кг | Допустиме радіально-консольне навантаження на вихідному валу, Н | Комплектуючий електродвигун | |
| Марка | Потужність кВт | |||||
| 35.5 | 2 | 79% | 74 | 5970 | АІР90L4 | 2,2 |
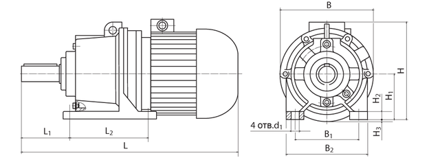
Конструкція та габаритні розміри мотор-редуктора 3МП 50 (35.5 об./хв, АІР90L4)
Габаритні та приєднувальні розміри мотор-редуктора 3МП 50 (виконання - на лапах)

| Позначення мотор-редуктора | Частота обертання вихідного вала об/хв | L | B | H | L1 | L2 | B1 | B2 | H1 | H2 | H3 | d1 |
| Не більше | ||||||||||||
| 3МП-50 | 35.5 | 637 | 270 | 295 | 145 | 210 | 220 | 266 | 132 | 22 | - | 22 |
Конструкція та габаритні розміри мотор-редуктора 3МП 50 (35.5 об./хв, АІР90L4)
Габаритні та приєднувальні розміри мотор-редуктора 3МП 50 (виконання - фланець)

| Позначення мотор-редуктора | Частота обертання вихідного вала об/хв | L | B | L3 | L4 | L5 | D | D1 | D2 | d2 | n |
| Не більше | |||||||||||
| 3МП-50 | 35,5 | 637 | 270 | 8 | 18 | 124 | 250 | 180 | 215 | 17 | 6 |
Приєднувальні розміри циліндричних валів мотор-редуктора 3МП

| Мотор-редуктор | d | l | b | t |
| 3МП-50 | 45k6 | 110 | 14 | 48,5 |
Приєднувальні розміри конічних валів мотор-редуктора 3МП

| Мотор-редуктор | d | d1 | l | l1 | b | t |
| 3МП-50 | 45 | М30х2,0 | 110 | 82 | 12 | 23,45 |
Приєднувальні розміри порожнистих валів мотор-редуктора 3МП

| Мотор-редуктор | d | l | b | t |
| 3МП-50 | 40Н7 | 80 | 12 | 43,3 |
Мотор редуктор 3МП-50 2 ступени 35.5 об/мин
Відгуків про цей товар ще не було.
Немає відгуків про цей товар, станьте першим, залиште свій відгук.
Немає питань про даний товар, станьте першим і задайте своє питання.