Мотор редуктор 3МП-50 (3 ступені, 12.5 об/хв)
Мотор редуктор 3МП-50 (3 ступені, 12.5 об/хв)
Мотор редуктор 3МП-50 3 ступені АІР71А2 є електромеханічним приводом, що використовується в тихохідному промисловому устаткуванні - бетономішалки, дозатори, преси. Основне призначення перетворювача – зменшення навантаження на двигун робочого механізму. Вдається досягти такого ефекту за рахунок зменшення обертального моменту та збільшення кількості обертів основного механізму.
Для 3МП властиві високий крутний момент на вихідному валу, широкі кінематичні можливості та значні передавальні числа. Перетворювач має 3 робочі ступені та комплектується асинхронним електродвигуном АІР71А2.
Купити мотор редуктор 3МП-50 3 ступені АІР71А2 за ціною, нижчою, ніж середньоринкова на 3-10% можна на сайті компанії «Промпривод». На перетворювачі, представлені в каталозі, надається гарантія 12 місяців. Продукція відповідає ГОСТ. Постачається обладнання після обов'язкової передпродажної перевірки у відділі технічного контролю. Якщо виникне питання під час виборів товарів, менеджери нададуть консультацію.
Умови використання мотор-редуктор 3МП 50
| Характеристика | Значення |
| Тип навантаження | Постійний, змінний |
| Напрямок обертання тихохідного валу | Односпрямований або реверсивний |
| Режим роботи | Тривалий або з періодичними зупинками |
| Кліматичне виконання | У, Т, категорія розміщення 2,3 |
| Температурний діапазон | Від -45 до +45С |
| Зовнішнє середовище | Неагресивне, вибухобезпечне, з вмістом непровідного пилу до 10мг/м3 |
Основні технічні характеристики мотор-редуктора 3МП 50 (12.5 об/хв, АІР71А2)
| Частота обертання вихідного валу об/хв | Кількість ступенів | ККД мотор-редуктора не менш % | Маса редуктора кг | Допустиме радіально-консольне навантаження на вихідному валу, Н | Комплектуючий електродвигун | |
| Марка | Потужність кВт | |||||
| 12.5 | 3 | 75% | 67 | 5275 | АІР71А2 | 0,75 |
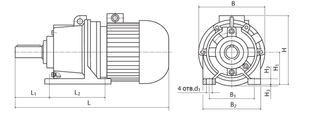
Габаритні та приєднувальні розміри мотор-редуктора 3МП 50 (виконання – на лапах)

| Позначення мотор-редуктора | Частота обертання вихідного валу об/хв | L | B | H | L1 | L2 | B1 | B2 | H1 | H2 | H3 | d1 |
| Не більше | ||||||||||||
| 3МП-50 | 12.5 | 637 | 270 | 295 | 145 | 210 | 220 | 266 | 132 | 22 | - | 22 |
Габаритні та приєднувальні розміри мотор-редуктора 3МП 50 (виконання - фланець)

| Позначення мотор-редуктора | Частота обертання вихідного валу об/хв | L | B | L3 | L4 | L5 | D | D1 | D2 | d2 | n |
| Не більше | |||||||||||
| 3МП-50 | 12.5 | 637 | 270 | 8 | 18 | 124 | 250 | 180 | 215 | 17 | 6 |
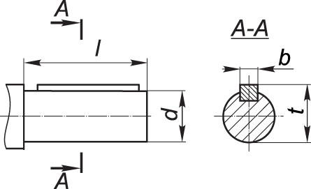
Приєднувальні розміри циліндричних валів мотор-редуктора 3МП

| Мотор-редуктор | d | l | b | t |
| 3МП-50 | 45k6 | 110 | 14 | 48,5 |
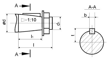
Приєднувальні розміри конічних валів мотор-редуктора 3МП

| Мотор-редуктор | d | d1 | l | l1 | b | t |
| 3МП-50 | 45 | М30х2,0 | 110 | 82 | 12 | 23,45 |
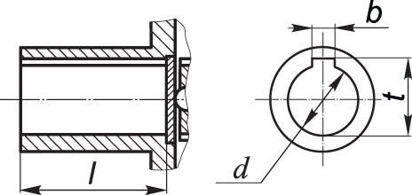
Приєднувальні розміри порожнистих валів мотор-редуктора 3МП

| Мотор-редуктор | d | l | b | t |
| 3МП-50 | 40Н7 | 80 | 12 | 43,3 |
Мотор редуктор 3МП-50 (3 ступени, 12.5 об/мин)
Відгуків про цей товар ще не було.
Немає відгуків про цей товар, станьте першим, залиште свій відгук.
Немає питань про даний товар, станьте першим і задайте своє питання.