Мотор редуктор 3МП-50 (3 ступені, 16 об/хв)
Мотор редуктор 3МП-50 (3 ступені 16 об/хв)
Мотор редуктор 3МП-50 (3 ступені 16 об/хв) має відмінні експлуатаційні характеристики, тому його активно залучають у різних сферах промисловості та сільському господарстві. Однак при всіх його позитивних функціональних можливостях, не слід використовувати його для комплектації вантажопідйомних механізмів.
Основне призначення 3МП - зниження навантаження на двигун, за допомогою зменшення обертального моменту та збільшення кількості обертів робочого механізму.
Якщо говорити про позитивні характеристики, то 3МП відрізняються:
- високим показником крутного моменту;
- значними кінематичними можливостями;
- стійкістю до високоінтенсивних робочих навантажень;
- відносно невеликою масою та розмірними параметрами;
- рівномірним розподілом радіальної сили корпусу.
Купити мотор редуктор 3МП-50 (3 ступені 16 об/хв) за ціною, нижчою від ринку, вам пропонує компанія «Промпривод». У нас на сайті представлені лише якісні перетворювачі власного виробництва. Кожна модель перед відправкою проходить спеціалізовану перевірку у відділі технічного контролю. Відвантаження продукції виконується у суворо обумовлені терміни на всій території України.
Умови використання мотор-редуктор 3МП 50
| Характеристика | Значення |
| Тип навантаження | Постійний, змінний |
| Напрямок обертання тихохідного валу | Односпрямований або реверсивний |
| Режим роботи | Тривалий або з періодичними зупинками |
| Кліматичне виконання | У, Т, категорія розміщення 2,3 |
| Температурний діапазон | Від -45 до +45С |
| Зовнішнє середовище | Неагресивне, невибухонебезпечне, із вмістом непровідного пилу до 10мг/м3 |
Основні технічні характеристики мотор-редуктора 3МП 50 (3 ступені 16 об/хв)
| Частота обертання вихідного валу об/хв | Кількість ступенів | ККД мотор-редуктора не менше % | Маса редуктора кг | Допустиме радіально-консольне навантаження на вихідному валу, Н | Комплектуючий електродвигун | |
| Марка | Потужність кВт | |||||
| 16 | 3 | 75% | 67 | 5275 | АІР71А2 | 0,75 |
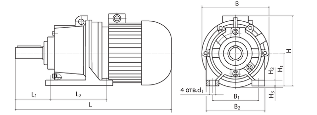
Габаритні та приєднувальні розміри мотор-редуктора 3МП 50 (виконання - на лапах)

| Позначення мотор-редуктора | Частота обертання вихідного валу об/хв | L | B | H | L1 | L2 | B1 | B2 | H1 | H2 | H3 | d1 |
| Не більше | ||||||||||||
| 3МП-50 | 16 | 637 | 270 | 295 | 145 | 210 | 220 | 266 | 132 | 22 | - | 22 |
Габаритні та приєднувальні розміри мотор-редуктора 3МП 50 (виконання - фланець)

| Позначення мотор-редуктора | Частота обертання вихідного валу об/хв | L | B | L3 | L4 | L5 | D | D1 | D2 | d2 | n |
| Не більше | |||||||||||
| 3МП-50 | 16 | 637 | 270 | 8 | 18 | 124 | 250 | 180 | 215 | 17 | 6 |
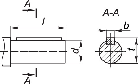
Приєднувальні розміри циліндричних валів мотор-редуктора 3МП

| Мотор-редуктор | d | l | b | t |
| 3МП-50 | 45k6 | 110 | 14 | 48,5 |
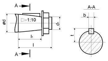
Приєднувальні розміри конічних валів мотор-редуктора 3МП

| Мотор-редуктор | d | d1 | l | l1 | b | t |
| 3МП-50 | 45 | М30х2,0 | 110 | 82 | 12 | 23,45 |
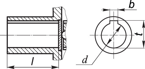
Приєднувальні розміри порожнистих валів мотор-редуктора 3МП

| Мотор-редуктор | d | l | b | t |
| 3МП-50 | 40Н7 | 80 | 12 | 43,3 |
Мотор редуктор 3МП-50 (3 ступени 16 об/мин)
Відгуків про цей товар ще не було.
Немає відгуків про цей товар, станьте першим, залиште свій відгук.
Немає питань про даний товар, станьте першим і задайте своє питання.