Мотор-редуктор 3МП-63
Мотор-редуктор 3МП-63
Мотор - редуктор 3МП-63 є планетарним пристроєм з радіусом розташування сателітів 63 мм. Його призначення – це зменшення швидкості обертів і передача моменту, що крутить, будь-яким іншим механізмам, крім підйомних пристроїв.
3МП-63 на вимогу замовника може бути виконаний як одноступінчастим, двоступінчастим або триступінчастим. Він дуже надійний та довговічний, а також має високий показник ККД. Запиленість довкілля має перевищувати 10мг/м3.
Придбати цей мотор-редуктор можна на нашому сайті компанії «Промпривод» за ціною від виробника. Ми надаємо продукцію лише високої якості та з впевненістю даємо тривалу гарантію 12 місяців. До кожного товару додається оригінальний паспорт із докладним описом технічних характеристик та відмітками ВТК. Доставка здійснюється по всій території України.
Основні технічні характеристики мотор-редуктора 3МП-63:
| Кількість обертів вихідного вала, об/хв | Мкр на вихідний валу, Нм | Застосовуваний двигун | Максимальне навантаження на вихідному валу, Н | ККД, % | Вага редуктора без двигуна, кг | ||||
| Марка | Потужність, кВт | ||||||||
| Одноступінчастий мотор редуктор | |||||||||
| 112 | 1265 | АІР160М6 | 15 | 5300 | 97 | 90 | |||
| 1561 | AІР180S6 | 18.5 | |||||||
| 140 | 1012 | AІР160М6 | 15 | ||||||
| 1248 | AІР180S6 | 18.5 | |||||||
| 180 | 1155 | AІР180S4 | 22 | ||||||
| 1575 | AІР180М4 | 30 | |||||||
| 224 | 1265 | AІР180М4 | 30 | ||||||
| 1561 | AІР200М4 | 37 | |||||||
| 280 | 1012 | AІР180М4 | 30 | ||||||
| 1248 | AІР200М4 | 37 | |||||||
| Двоступінчастий мотор редуктор | |||||||||
| 18 | 1131 | AІР112МА8 | 2.2 | 8000 | 96 | 85 | |||
| 1542 | AІР112МВ8 | 3 | |||||||
| 22.4 | 1239 | AІР112М6 | 3 | ||||||
| 1652 | AІР112МВ6 | 4 | |||||||
| 28 | 991 | AІР112М6 | 3 | ||||||
| 1322 | AІР112МВ6 | 4 | |||||||
| 35.5 | 1043 | AІР100L4 | 4 | ||||||
| 1434 | AІР112М4 | 5.5 | |||||||
| 45 | 1131 | AІР112L4 | 5.5 | ||||||
| 1542 | AІР132S4 | 7.5 | |||||||
| 56 | 909 | AІР112L4 | 5.5 | ||||||
| 1239 | AІР132S4 | 7.5 | |||||||
| 71 | 977 | AІР112М2 | 7.5 | ||||||
| 1434 | AІР132М2 | 11 | |||||||
| 90 | 771 | AІР112М2 | 7.5 | ||||||
| 1131 | AІР132М2 | 11 | |||||||
| Триступінчастий мотор редуктор | |||||||||
| 3.55 | 944 | АІР80А8 | 0.37 | 8500 | 95 | 70 | |||
| 1403 | АІР80В8 | 0.55 | |||||||
| 4.4 | 762 | АІР80А8 | 0.37 | ||||||
| 1132 | АІР80В8 | 0.55 | |||||||
| 5.6 | 890 | АІР71В6 | 0.55 | ||||||
| 1213 | АІР80А6 | 0.75 | |||||||
| 7.1 | 957 | АІР71В4 | 0.75 | ||||||
| 1403 | АІР80А4 | 1.1 | |||||||
| 9 | 1107 | АІР80А4 | 1.1 | ||||||
| 1510 | АІР80В4 | 1.5 | |||||||
| 12.5 | 1087 | АІР80В4 | 1.5 | ||||||
| 1594 | АІР90L4 | 2.2 | |||||||
| 16 | 849 | АІР80А2 | 1.5 | ||||||
| 1246 | АІР80В2 | 2.2 | |||||||
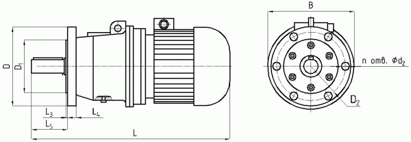
Габаритні та приєднувальні розміри мотор-редуктора 3МП-63
(виконання на лапах)

| Кількість ступенів у мотор редукторі 3МП-63 | L | B | H | L1 | L2 | B1 | B2 | H1 | H2 | H3 | d1 |
| не більше | |||||||||||
| одноступінчастий | 960 | 400 | 440 | 147 | 230 | 260 | 325 | 160 | 32 | – | 24 |
| двоступінчастий | 741 | 350 | 345 | – | |||||||
| триступінчастий | 652 | 350 | 345 | ||||||||
Габаритні та приєднувальні розміри мотор-редуктора 3МП-63
(фланцеве виконання)

| Кількість ступенів у мотор редукторі 3МП-63 | L | B | L3 | L4 | L5 | D | D1 | D2 | d2 | n |
| не більше | ||||||||||
| одноступінчастий | 960 | 400 | 8 | 20 | 124 | 300 | 230 | 265 | 19 | 6 |
| двоступінчастий | 741 | 350 | ||||||||
| триступінчастий | 652 | 350 | ||||||||
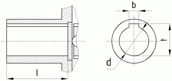
Приєднувальні розміри циліндричних валів мотор-редуктора 3МП

| d | d1 | I | I1 | b | t |
| 55 | М36×3 | 110 | 82 | 14 | 28.95 |
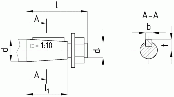
Приєднувальні розміри конічних валів мотор-редуктора 3МП

| d | I | b | t |
| 55k6 | 110 | 16 | 59 |
Приєднувальні розміри порожнистих валів мотор-редуктора 3МП

| d | I | b | t |
| на індивідуальне замовлення | |||
Мотор-редуктор 3МП-63: варіанти складання

Приклад умовного позначення
3МП-63-45-5,5-1131-G110-Ц-У3-380 В, де:
3МП - тип мотор-редуктора – мотор-редуктор планетарний;
63 - габарит - міжосьова відстань;
45 - обороти вихідного валу, об/хв;
5,5 - потужність електродвигуна, кВт;
1131 - момент, що крутить, на вихідному валу, Н.м;
G110 - конструктивне виконання за способом монтажу;
Ц - варіант виконання вихідного валу;
У3 - кліматичне виконання та категорія розміщення;
380 В - номінальна напруга мережі змінного струму.
Мотор-редуктор 3МП-63
Відгуків про цей товар ще не було.
Немає відгуків про цей товар, станьте першим, залиште свій відгук.
Немає питань про даний товар, станьте першим і задайте своє питання.