Мотор-редуктор 4 МП-40
Мотор-редуктор 4МП-40
Мотор-редуктор 4МП-40 відноситься до категорії планетарних і широко застосовується в багатьох галузях промисловості. Його завданням є передача моменту, що крутить, іншим механізмам (крім підйомних). Агрегат може працювати без зупинки до 24 годин в одному напрямку або реверсному та з різними типами навантаження (постійним або змінним).
Для комплектації виробу застосовуються асинхронні двигуни серії 4АМ, серії АІР або АІР. За погодженням із виробником допускається комплектація двигунами сільськогосподарського виконання 4АСУ1 та іншими спеціальними двигунами (морського, вибухобезпечного виконання, постійного струму, зниженої напруги).
Експлуатація обладнання може відбуватися за таких умов:
- висота над рівнем моря до 1000 м;
- помірний чи тропічний клімат;
- зовнішнє середовище неагресивне, невибухонебезпечне із вмістом непровідного пилу до 10 мг/м3;
Купити даний мотор-редуктор за найвигіднішою ціною можна у нас на сайті компанії «Промпривод». Для замовлення товару Ви можете оформити його онлайн або зв'язатися з нашим менеджером за номером, вказаним на сайті. До кожного товару додається гарантія 12 місяців і оригінальний паспорт до пристрою. Доставка здійснюється будь-яким зручним для Вас способом по всій території України.
Мотор-редуктор 4МП-40: основні технічні характеристики
| Частота, з якою обертається вихідний вал, об/хв | Момент крутіння на вихідному валу, Нм | Передавальне відношення редуктора | Маса, кг (не більше) | Двигун | |
| Марка | Потужність, кВт | ||||
| 2.5 | 440 | 351 | 31 | АІР63А6 | 0.18 |
| 5.6 | 300 | 253 | 32 | АІР56В4 | 0.18 |
| 7.1 | 315 | 186 | 34 | АІР63А4 | 0.25 |
| 9 | 375 | 147 | 35 | АІР63В4 | 0.37 |
| 12.5 | 400 | 230 | 36 | АІР63В2 | 0.55 |
| 16 | 335 | 186 | 36 | АІР63В2 | 0.55 |
| 18 | 375 | 39.7 | 43 | АІР90LА8CB | 0.75 |
| 22.4 | 375 | 39.7 | 40 | АІР80В6 | 1.1 |
| 28 | 375 | 31.8 | 45 | АІР90L6CB | 1.5 |
| 35.5 | 375 | 39.7 | 43 | АІР80В4 | 1.5 |
| 45 | 375 | 31.8 | 47 | АІР90L4CB | 2.2 |
| 56 | 375 | 25.6 | 47 | АІР90L4 | 2.2 |
| 71 | 375 | 39.7 | 46 | АІР90L2CB | 3 |
| 90 | 315 | 31.8 | 46 | АІР90L2CB | 3 |
| 112 | 375 | 7.9 | 43 | АІР132M8CB | 5.5 |
| 140 | 385 | 6.3 | 40 | АІР132S6CB | 5.5 |
| 180 | 375 | 7.9 | 45 | АІР132S4CB | 7.5 |
| 224 | 375 | 6.3 | 43 | АІР132M4CB | 11 |
| 280 | 375 | 5.48 | 47 | АІР132M4CB | 11 |
Мотор-редуктор 4МП-40: габаритні та приєднувальні розміри (кріплення на лапах)

| Кількість ступенів редуктора 4МП-40 | L | B | H | L1 | L2 | B1 | B2 | H1 | H2 | H3 | d |
| не більше | |||||||||||
| одноступінчастий | 725 | 350 | 305 | 110 | 170 | 180 | 220 | 112 | 20 | 63 | 20 |
| двоступінчастий | 625 | 250 | 247 | – | |||||||
| триступінчастий | 500 | 224 | 247 | ||||||||
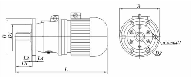
Мотор-редуктор 4МП-40: габаритні та приєднувальні розміри (кріплення на фланці)

| Кількість ступенів редуктора 4МП-40 | L | B | L3 | L4 | L5 | D | D1 | D2 | d1 | n |
| не більше | ||||||||||
| одноступінчастий | 725 | 350 | 6 | 16 | 90 | 200 | 130 | 165 | 15 | 6 |
| двоступінчастий | 625 | 250 | ||||||||
| триступінчастий | 500 | 224 | ||||||||
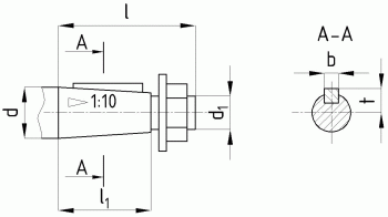
Розміри циліндричного вала мотор редуктора 4МП-40

| d | d1 | I | I1 | b | t |
| 35 | M20×1.5 | 80 | 58 | 6 | 18.55 |
Розміри конічного вала мотор редуктора 4МП-40

| d | I | b | t |
| 35k6 | 80 | 10 | 38 |
Мотор-редуктор 4МП-40: варіанти складання

ПРИКЛАД УМОВНОГО ПОЗНАЧЕННЯ ПРИ ЗАМОВЛЕННІ

Мотор-редуктор 4МП-40
Відгуків про цей товар ще не було.
Немає відгуків про цей товар, станьте першим, залиште свій відгук.
Немає питань про даний товар, станьте першим і задайте своє питання.