Мотор-редуктор 4 МП-63
Мотор-редуктор 4МП-63
Планетарний мотор-редуктор 4МП-63 що складається з планетарного редуктора та електроприводу призначений для того, щоб виробляти зниження частоти обертання, а також передачі крутного моменту механізмам загальномашинобудівного призначення, при цьому винятками є механізми для підйому вантажу.
Дане обладнання стійко переносить тривалу роботу (до 24 годин) з різними типами навантажень. Для продовження терміну служби пристрою не рекомендується експлуатувати його в агресивному середовищі, а також у середовищі, де ступінь запиленості перевищує 10 мг/м3
Для комплектації виробу застосовуються асинхронні двигуни серії 4АМ, серії АІР або АІР. За погодженням із виробником допускається комплектація двигунами сільськогосподарського виконання 4АСУ1 та іншими спеціальними двигунами (морського, вибухобезпечного виконання, постійного струму, зниженої напруги).
Купити мотор-редуктор 4МП-63 за найвигіднішою ціною можна у нас на сайті компанії «Промпривод». Для замовлення товару Ви можете оформити його онлайн або зв'язатися з нашими менеджерами за номером, вказаним на сайті. До кожного товару додається гарантія 1 рік та оригінальний паспорт до пристрою. Доставка здійснюється будь-яким зручним для Вас способом по всій території України. Для постійних клієнтів та оптових покупців діє гнучка система знижок.
Мотор-редуктор 4МП-63: основні технічні характеристики
| Частота, з якою обертається вихідний вал, об/хв | Момент крутіння на вихідному валу, Нм | Передавальне відношення редуктора | Маса, кг (не більше) | Двигун | ||
| Марка | Потужність, кВт | |||||
| Редуктор 4МП-63 з нормальним крутним моментом | 3.55 | 900 | 244 | 90 | АІР71А6 | 0.37 |
| 5.6 | 1250 | 244 | 90 | АІР71В4 | 0.75 | |
| 7.1 | 1000 | 200 | 90 | АІР71В4 | 0.75 | |
| 9 | 1180 | 163 | 94 | АІР80В4 | 1.1 | |
| 12.5 | 1060 | 112 | 96 | АІР80В4 | 1.5 | |
| 16 | 850 | 88 | 96 | АІР80В4 | 1.5 | |
| 18 | 1120 | 52 | 106 | АІР100L6 | 2.2 | |
| 22.4 | 1250 | 43 | 113 | АІР112МА6 | 3 | |
| 28 | 950 | 32 | 113 | АІР112МА6 | 3 | |
| 35.5 | 1000 | 25 | 116 | АІР112МВ6 | 4 | |
| 45 | 1120 | 32 | 125 | АІР112М4 | 5.5 | |
| 56 | 950 | 25 | 125 | АІР112М4 | 5.5 | |
| 71 | 710 | 20 | 125 | АІР112М4 | 5.5 | |
| 950 | 20 | 145 | АІР132S6 | 7.5 | ||
| 90 | 1120 | 8 | 221 | АІР160М8 | 11 | |
| 112 | 900 | 8.4 | 210 | АІР160S6 | 11 | |
| 115 | 1190 | 20 | 210 | АІР160L2 | 15 | |
| 140 | 1060 | 7 | 221 | АІР160М6 | 15 | |
| 180 | 950 | 8 | 212 | АІР160М4 | 18.5 | |
| Редуктор 4МП-63 з підвищеним крутним моментом | 3.55 | 1320 | 244 | 92 | АІР71В6 | 0.55 |
| 5.6 | 1800 | 244 | 93 | АІР80А4 | 1.1 | |
| 7.1 | 1400 | 200 | 93 | АІР80А4 | 1.1 | |
| 9 | 1600 | 164 | 95 | АІР80В4 | 1.5 | |
| 12.5 | 1600 | 112 | 100 | АІР90L4 | 2.2 | |
| 16 | 1250 | 88 | 100 | АІР90L4 | 2.2 | |
| 1550 | 88 | 110 | АІР100S4 | 3 | ||
| 18 | 1700 | 52 | 128 | АІР112МВ8 | 3 | |
| 22.4 | 1700 | 43 | 130 | АІР112МВ6 | 4 | |
| 28 | 1250 | 32 | 130 | АІР112МВ6 | 4 | |
| 35.5 | 1320 | 25 | 130 | АІР132S6 | 5.5 | |
| 1650 | 25 | 150 | АІР132М6 | 7.5 | ||
| 45 | 1500 | 32 | 145 | АІР132S4 | 7.5 | |
| 56 | 1250 | 25 | 145 | АІР132S4 | 7.5 | |
| 71 | 1250 | 20 | 160 | АІР132М4 | 11 | |
| 112 | 1250 | 20 | 210 | АІР160М6 | 15 | |
Мотор-редуктор 4МП-63: габаритні та приєднувальні розміри (кріплення на лапах)

| Частота обертання вихідного вала | L | B | H | L1 | L2 | B1 | B2 | H1 | H2 | H3 | d |
| не більше | |||||||||||
| 3.55…16 | 652 | 350 | 345 | 110 | 140 | 260 | 325 | 160 | 32 |
– | 24 |
| 18…90 | 741 | 350 | 345 | ||||||||
| 112…280 | 960 | 400 | 440 | ||||||||
| 18…90 | 1360 | 535 | 570 | ||||||||
| 112…280 | 1415 | 590 | 630 | 20 | |||||||
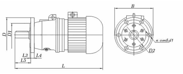
Мотор-редуктор 4МП-63: габаритні та приєднувальні розміри (кріплення на фланці)

| Частота обертання вихідного вала | L | B | L3 | L4 | L5 | D | D1 | D2 | d1 | n |
| не більше | ||||||||||
| 3.55…16 | 652 | 350 | 8 | 20 | 124 | 300 | 230 | 265 | 19 | 6 |
| 18…90 | 741 | 350 | ||||||||
| 112…280 | 960 | 400 | ||||||||
| 18…90 | 1360 | 600 | ||||||||
| 112…280 | 1415 | 600 | ||||||||
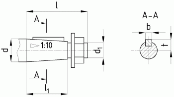
Розміри циліндричного вала мотор редуктора 4 МП-63

| d | d1 | I | I1 | b | t |
| 55 | M36×3 | 110 | 82 | 14 | 28.95 |
Розміри конічного вала мотор редуктора 4 МП-63

| d | I | b | t |
| 55k6 | 110 | 16 | 59 |
Мотор-редуктор 4МП-63: варіанти складання

ПРИКЛАД УМОВНОГО ПОЗНАЧЕННЯ ПРИ ЗАМОВЛЕННІ

Мотор-редуктор 4МП-63
Відгуків про цей товар ще не було.
Немає відгуків про цей товар, станьте першим, залиште свій відгук.
Немає питань про даний товар, станьте першим і задайте своє питання.