Мотор-редуктор 4МП-25
Мотор-редуктор 4МП-25
Пристрій 4МП-25 є планетарним мотор-редуктором широкого застосування. Його завдання – це передача моменту, що крутить, іншим механізмам, виключаючи механізми для підняття вантажів.
Дане обладнання може працювати до 24-х годин без перерви з різними типами навантажень в одному напрямку або реверсному. Зовнішнє середовище для експлуатації агрегату має бути неагресивним, невибухонебезпечним із вмістом непровідного пилу до 10 мг/м3.
Для комплектації виробу застосовуються асинхронні двигуни серії 4АМ, серії АІР або АІР. За погодженням із виробником допускається комплектація двигунами сільськогосподарського виконання 4АСУ1 та іншими спеціальними двигунами (морського, вибухобезпечного виконання, постійного струму, зниженої напруги).
Купити даний мотор-редуктор можна за найвигіднішою ціною у нас на сайті компанії «Промпривод». Для замовлення товару Ви можете оформити його онлайн або зв'язатися з нашим менеджером за номером, вказаним на сайті. До кожного товару додається гарантія 12 місяців і оригінальний паспорт до пристрою. Доставка здійснюється будь-яким зручним для Вас способом по всій території України.
Мотор-редуктор 4МП-25: основні технічні характеристики
| Частота, з якою обертається вихідний вал, об/хв | Момент крутіння на вихідному валу, Нм | Передавальне відношення редуктора | Маса, кг (не більше) | Двигун | |
| Марка | Потужність, кВт | ||||
| 18 | 80 | 47.1 | 10.5 | АІР63А6 | 0.18 |
| 22.4 | 45 | 37.7 | 9.6 | АІР63А6 | 0.18 |
| 28 | 56 | 47.1 | 9.6 | АІР56В4 | 0.18 |
| 71 | 47.1 | 10.5 | АІР63А4 | 0.25 | |
| 35.5 | 46 | 37.7 | 9.6 | АІР56В4 | 0.18 |
| 71 | 37.7 | 10.5 | АІР63А4 | 0.25 | |
| 45 | 50 | 28.8 | 10.5 | АІР63А4 | 0.25 |
| 71 | 28.8 | 11.3 | АІР63В4 | 0.37 | |
| 56 | 56 | 47.1 | 10.5 | АІР63А2 | 0.37 |
| 81 | 47.1 | 11.3 | АІР63В2 | 0.55 | |
| 71 | 69 | 37.7 | 11.3 | АІР63В2 | 0.55 |
| 90 | 57 | 30.6 | 11.3 | АІР63В2 | 0.55 |
| 112сп | 63 | 8.25 | 18.4 | АІР80А6 | 0.75 |
| 140 | 63 | 6.2 | 18.4 | АІР80В6 | 1.1 |
| 180 | 71 | 7.6 | 19.4 | АІР80В4 | 1.5 |
| 224 | 58 | 5.8 | 19.4 | АІР80В4 | 1.5 |
| 280 | 52 | 5.2 | 19.4 | АІР80В4 | 1.5 |
| 370 | 40 | 7.61 | 18.4 | АІР80А2 | 1.5 |
Мотор-редуктор 4МП-25: габаритні та приєднувальні розміри (кріплення на лапах)

| Кількість ступенів редуктора 4МП-25 | L | B | H | L1 | L2 | B1 | B2 | H1 | H2 | H3 | d |
| не більше | |||||||||||
| одноступінчастий | 478 | 200 | 205 | 63 | 110 | 12 | 150 | 80 | 12 | 20 | 12 |
| двоступінчастий | 417 | 160 | 171 | – | |||||||
| триступінчастий | 397 | 150 | 160 | ||||||||
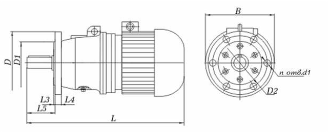
Мотор-редуктор 4МП-25: габаритні та приєднувальні розміри (кріплення на фланці)

| Кількість ступенів редуктора 4МП-25 | L | B | L3 | L4 | L5 | D | D1 | D2 | d1 | n |
| не більше | ||||||||||
| одноступінчастий | 478 | 200 | 4 | 10 | 50 | 155 | 110 | 130 | 12 | 4 |
| двоступінчастий | 417 | 160 | ||||||||
| триступінчастий | 397 | 150 | ||||||||
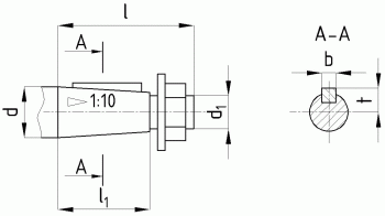
Розміри циліндричного вала мотор редуктора 4МП-25

| d | d1 | I | I1 | b | t |
| 25 | M16×1.5 | 60 | 42 | 5 | 13.45 |
Розміри конічного вала мотор редуктора 4МП-25

| d | I | b | t |
| 25k6 | 42 | 8 | 28 |
Мотор-редуктор 4МП-25: варіанти складання

ПРИКЛАД УМОВНОГО ПОЗНАЧЕННЯ ПРИ ЗАМОВЛЕННІ

Мотор-редуктор 4МП-25
Відгуків про цей товар ще не було.
Немає відгуків про цей товар, станьте першим, залиште свій відгук.
Немає питань про даний товар, станьте першим і задайте своє питання.