Мотор-редуктор 4МП-50
Мотор-редуктор 4МП-50
Мотор-редуктор 4МП-50 відноситься до планетарних редукторів, які призначені для того, щоб виробляти зниження частоти обертання, а також передачі крутного моменту механізмам загальномашинобудівного призначення, при цьому винятками є механізми для підйому вантажу.
Необхідний агрегат для використання в бурових установках, які мають своє призначення буріння на воду, крім того даний мотор-редуктор застосовується в конвеєрах шнекових, стрічкових, а також інших установках промислового призначення.
Умови застосування редукторів:
- режим роботи тривалий, з тривалістю роботи 24 години на добу;
- навантаження постійне та змінне (в межах номінального крутного моменту) одного напрямку та реверсивне;
- висота над рівнем моря до 1000 м;
- зовнішнє середовище неагресивне, невибухонебезпечне із вмістом непровідного пилу до 10 мг/м3;
- кліматичне виконання П (N) помірний клімат, категорія розміщення 3 експлуатація в приміщеннях, де коливання температури та вологості повітря істотно менше, ніж на відкритому повітрі, робоча температура навколишнього середовища від -45С до +40С, або Т (тропічний клімат), категорія розміщення 2-експлуатація під навісом або в приміщенні, де коливання температури та вологості повітря несуттєво відрізняються від коливань на відкритому повітрі, робоча температура навколишнього середовища від -10С до +45С.
Для комплектації виробу застосовуються асинхронні двигуни серії 4АМ, серії АІР або АІР. За погодженням із виробником допускається комплектація двигунами сільськогосподарського виконання 4АСУ1 та іншими спеціальними двигунами (морського, вибухобезпечного виконання, постійного струму, зниженої напруги).
Мотор-редуктор 4МП-50: основні технічні характеристики
| Частота, з якою обертається вихідний вал, об/хв | Момент крутіння на вихідному валу, Нм | Передавальне відношення редуктора | Маса, кг (не більше) | Двигун | |
| Марка | Потужність, кВт | ||||
| 3.55 | 615 | 201 | 55 | АІР71В8СВ | 0.25 |
| 5.6 | 830 | 238 | 50 | АІР71А4СВ | 0.55 |
| 7.1 | 690 | 176 | 50 | АІР71А4 | 0.55 |
| 9 | 690 | 153 | 52 | АІР71В4 | 0.75 |
| 12.5 | 695 | 238 | 52 | АІР71В2СВ | 1.1 |
| 16 | 650 | 176 | 52 | АІР71В2 | 1.1 |
| 18 | 765 | 39.4 | 69 | АІР100L8 | 1.5 |
| 22.4 | 750 | 39.4 | 69 | АІР100L6 | 2.2 |
| 28 | 680 | 31.9 | 69 | АІР100L6 | 2.2 |
| 35.5 | 755 | 39.4 | 69 | АІР100S6 | 3 |
| 45 | 620 | 31.9 | 69 | АІР100S4 | 3 |
| 56 | 655 | 25.1 | 75 | АІР100L4 | 4 |
| 71 | 695 | 39.4 | 75 | АІР100L2 | 5.5 |
| 90 | 560 | 31.9 | 75 | АІР100L2 | 5.5 |
| 112 | 570 | 7.8 | 112 | АІР132M6 | 7.5 |
| 140 | 700 | 6.9 | 178 | АІР160S6 | 11 |
| 180 | 745 | 7.8 | 183 | АІР160S4 | 15 |
| 224 | 605 | 6.3 | 183 | АІР160S4 | 15 |
Мотор-редуктор 4МП-50: габаритні та приєднувальні розміри (кріплення на лапах)

| Кількість ступенів редуктора 4МП-50 | L | B | H | L1 | L2 | B1 | B2 | H1 | H2 | H3 | d |
| не більше | |||||||||||
| одноступінчастий | 925 | 350 | 360 | 145 | 210 | 220 | 265 | 132 | 22 | 43 | 22 |
| двоступінчастий | 682 | 270 | 295 | – | |||||||
| триступінчастий | 637 | 270 | 295 | ||||||||
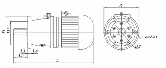
Мотор-редуктор 4МП-50: габаритні та приєднувальні розміри (кріплення на фланці)

| Кількість ступенів редуктора 4МП-50 | L | B | L3 | L4 | L5 | D | D1 | D2 | d1 | n |
| не більше | ||||||||||
| одноступінчастий | 925 | 350 | 8 | 18 | 124 | 250 | 180 | 215 | 17 | 6 |
| двоступінчастий | 682 | 270 | ||||||||
| триступінчастий | 637 | 270 | ||||||||
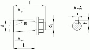
Розміри циліндричного вала мотор редуктора 4МП-50

| d | d1 | I | I1 | b | t |
| 45 | M30×2 | 110 | 82 | 12 | 23.45 |
Розміри конічного вала мотор редуктора 4МП-50

| d | I | b | t |
| 45k6 | 110 | 14 | 48.5 |
Мотор-редуктор 4МП-50: варіанти складання

ПРИКЛАД УМОВНОГО ПОЗНАЧЕННЯ ПРИ ЗАМОВЛЕННІ

Мотор-редуктор 4МП-50
Відгуків про цей товар ще не було.
Немає відгуків про цей товар, станьте першим, залиште свій відгук.
Немає питань про даний товар, станьте першим і задайте своє питання.