Мотор-редуктор 6 МП-31.5
Мотор-редуктор 6МП-31.5
Планетарні співвісні мотор-редуктори типу 6МП-31.5 можуть виготовлятися з одним, двома, трьома та чотирма ступенями залежно від умов їх подальшого використання. Перетворювачі можуть функціонувати при змінному струмі 220 або 380 В і частота 50 або 60 Гц.
Робота може проводитись як у прямому, так і реверсивному напрямку без уподобання. Помірний і тропічний клімат у неагресивному середовищі якнайкраще підходить для експлуатації даного перетворювача в тривалому режимі. Мотор-редуктор 6МП відрізняється низькими шумовими характеристиками, невеликою ціною та високою продуктивністю.
Компанія «Промпривод» пропонує своїм клієнтам можливість отримання детальної консультації від фахівців, які опишуть усі характеристики та особливості застосування мотор-редукторів 6МП планетарного типу. Ми пропонуємо придбати перетворювачі в наступних передавальних числах: 31.5, 40 і 50. Чемне обслуговування, тривала гарантія та доставка в будь-який регіон нашої країни робить процес придбання мотор-редукторів 6МП особливо комфортним.
Мотор-редуктор 6МП-31.5: основні технічні характеристики
| Мотор-редуктор 6МП — 31.5 | ||||
| Частота обертання вихідного валу, об/хв | Крутний момент, Н.М. | Ел./дв. | Р.кВт | |
| 2.24 | 345 | АІР 50 А4 | 0.06 | |
| 3.55 | 160 | АІР 50 А4 | 0.06 | |
| 240 | АІР 50 В4 | 0.09 | ||
| 4.5 | 125 | АІР 50 А4 | 0.06 | |
| 190 | АІР 50 В4 | 0.09 | ||
| 5.6 | 155 | АІР 50 В4 | 0.09 | |
| 202 | АІР 56 А4 | 0.12 | ||
| 7.1 | 165 | АІР 56 А4 | 0.12 | |
| 250 | АІР 56 В4 | 0.18 | ||
| 9.0 | 132 | АІР 56 А4 | 0.12 | |
| 200 | АІР 56 В4 | 0.18 | ||
| 11.2 | 150 | АІР 56 В4 | 0.18 | |
| 210 | АІР 63 А4 | 0.25 | ||
| 12.5 | 190 | АІР 63 А4 | 0.25 | |
| 134 | АІР 56 В4 | 0.18 | ||
| 14.0 | 120 | АІР 56 В4 | 0.18 | |
| 168 | АІР 63 А4 | 0.25 | ||
| 250 | АІР 63 В4 | 0.37 | ||
| 16 | 145 | АІР 63 В6 | 0.25 | |
| 18 | 125 | АІР 63 В6 | 0.25 | |
| 180 | АІР 71 А6 | 0.37 | ||
| 22.4 | 110 | АІР 63 В6 | 0.25 | |
| 150 | АІР 71 А6 | 0.37 | ||
| 224 | АІР 71 В6 | 0.55 | ||
| 28 | 120 | АІР 71 А6 | 0.37 | |
| 180 | АІР 71 В6 | 0.55 | ||
| 35.5 | 150 | АІР 71 А4 | 0.55 | |
| 200 | АІР 71 В4 | 0.75 | ||
| 45 | 120 | АІР 71 А4 | 0.55 | |
| 165 | АІР 71 В4 | 0.75 | ||
| 56 | 134 | АІР 71 В4 | 0.75 | |
| 190 | АІР 80 А4 | 1.1 | ||
| 71 | 150 | АІР 80 А4 | 1.1 | |
| 210 | АІР 80 В4 | 1.5 | ||
| 90 | 156 | АІР 80 А2 | 1.5 | |
| 224 | АІР 80 В2 | 2.2 | ||
| 112 | 120 | АІР 90 L6 | 1.5 | |
| 170 | АІР 100 L6 | 2.2 | ||
| 140 | 150 | АІР 90 L4 | 2.2 | |
| 200 | АІР 100 S4 | 3 | ||
| 140 | АІР 100 L6 | 2.2 | ||
| 180 | 115 | АІР 90 L4 | 2.2 | |
| 155 | АІР 90 S4 | 3 | ||
| 210 | АІР 100 L4 | 4 | ||
| 224 | 125 | АІР 100 S4 | 3 | |
| 170 | АІР 100 L4 | 4 | ||
| 280 | 134 | АІР 100 S2 | 4 | |
| 184 | АІР 100 L2 | 5.5 | ||
| 184 | АІР 112 M4 | 5.5 | ||
| 355 | 103 | АІР 100 S2 | 5.5 | |
| 140 | АІР 100 L2 | 5.5 | ||
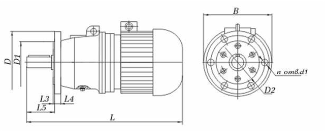
Мотор-редуктор 6МП-31.5: габаритні та приєднувальні розміри
Виконання на лапах

| Кількість ступенів редуктора 6МП-31.5 | L | B | H | L1 | L2 | B1 | B2 | H1 | H2 | H3 | d |
| не більше | |||||||||||
| одноступінчастий | 590 | 250 | 247 | 82 | 130 | 155 | 190 | 100 | 15 | 25 | 15 |
| двоступінчастий | 510 | 200 | 225 | – | |||||||
| триступінчастий | 460 | 190 | 215 | ||||||||
Фланцеве виконання

| Кількість ступенів редуктора 6МП-31.5 | L | B | L3 | L4 | L5 | D | D1 | D2 | d1 | n |
| не більше | ||||||||||
| одноступінчастий | 590 | 250 | 5 | 12 | 68 | 180 | 130 | 155 | 12 | 6 |
| двоступінчастий | 510 | 200 | ||||||||
| триступінчастий | 460 | 190 | ||||||||
ПРИКЛАД УМОВНОГО ПОЗНАЧЕННЯ ПРИ ЗАМОВЛЕННІ
6МП-31.5-56-G110-Ц-У3, де
6МП - тип редуктора,
31.5 - радіус розташування осей сателітів, мм,
56 - частота обертання вихідного валу, об/хв,
G110 - виконання за способом монтажу,
Ц - варіант виконання вихідного валу,
У3 – кліматичне виконання.
Мотор-редуктор 6МП-31.5
Відгуків про цей товар ще не було.
Немає відгуків про цей товар, станьте першим, залиште свій відгук.
Немає питань про даний товар, станьте першим і задайте своє питання.