Мотор-редуктор 6 МП-40
Мотор-редуктор 6МП-40
Мотор-редуктори типу 6МП-40 відносяться до нової серії перетворювачів, здатної покращити показники якості продукції та уніфікації технологічного процесу. Вони володіють покращеною зубчастою передачею, не схильною до стирання та деформації протягом довгих років експлуатації.
Також перетворювачі працюють на основі планетарного принципу побудови редуктора, тому видають високий ККД залежно від кількості ступенів та дотримання технологічних параметрів у ході роботи.
Компанія «Промпривод» пропонує своїм клієнтам можливість отримання детальної консультації від фахівців, які опишуть усі характеристики та особливості застосування мотор-редукторів 6МП планетарного типу. Ми пропонуємо придбати перетворювачі в наступних передавальних числах: 31.5, 40 і 50. Чемне обслуговування, тривала гарантія та доставка в будь-який регіон нашої країни робить процес придбання мотор-редукторів 6МП особливо комфортним.
Мотор-редуктор 6МП-40: основні технічні характеристики
| Мотор-редуктор 6МП — 40 | |||
| Частота обертання вихідного валу об/хв | Крутний момент Н.М. | Ел./дв. | Р.кВт |
| 2.24 | 560 | АІР 63 А6 | 0.18 |
| 2.8 | 560 | АІР 63 А6 | 0.18 |
| 3.55 | 470 | АІР 63 А6 | 0.18 |
| 600 | АІР 63 В6 | 0.25 | |
| 4.5 | 355 | АІР 63 А6 | 0.18 |
| 500 | АІР 63 В6 | 0.25 | |
| 5.6 | 315 | АІР 63 А6 | 0.18 |
| 425 | АІР 63 А4 | 0.25 | |
| 7.1 | 315 | АІР 63 А4 | 0.25 |
| 470 | АІР 63 В4 | 0.37 | |
| 9.0 | 250 | АІР 63 А4 | 0.25 |
| 375 | АІР 63 В4 | 0.37 | |
| 11.2 | 320 | АІР 63 В4 | 0.37 |
| 450 | АІР 71 А4 | 0.55 | |
| 14 | 350 | АІР 71 А4 | 0.55 |
| 450 | АІР 71 В4 | 0.75 | |
| 18 | 280 | АІР 71 В6 | 0.55 |
| 380 | АІР 80 А6 | 0.75 | |
| 22.4 | 320 | АІР 80 А6 | 0.75 |
| 410 | АІР 80 В6 | 1.1 | |
| 28 | 245 | АІР 80 А6 | 0.75 |
| 360 | АІР 80 В6 | 1.1 | |
| 35.5 | 284 | АІР 80 А4 | 1.1 |
| 385 | АІР 80 В4 | 1.5 | |
|
| 224 | АІР 80 А4 | 1.1 |
| 305 | АІР 80 В4 | 1.5 | |
| 450 | АІР 90 L4 | 2.2 | |
| 56 | 245 | АІР 80 B4 | 1.5 |
| 360 | АІР 90 L4 | 2.2 | |
| 71 | 280 | АІР 90 L4 | 2.2 |
| 390 | АІР 100 S4 | 3 | |
| 90 | 270 | АІР 100 S4 | 3 |
| 112 | 240 | АІР 112 MA6 | 3 |
| 315 | АІР 112 MB6 | 4 | |
| 140 | 270 | АІР 112 MB6 | 4 |
| 360 | АІР 132 S6 | 5.5 | |
| 180 | 280 | АІР 112 M4 | 5.5 |
| 385 | АІР 132 S4 | 7.5 | |
|
| 230 | АІР 112 M4 | 5.5 |
| 310 | АІР 132 S4 | 7.5 | |
| 450 | АІР 132 M4 | 11 | |
| 280 | 250 | АІР 132 S4 | 7.5 |
| 340 | АІР 132 M4 | 11 | |
| 355 | 200 | АІР 132 S4 | 7.5 |
| 240 | АІР 132 M4 | 11 | |
| 400 | 170 | АІР 112 M2 | 7.5 |
| 250 | АІР 132 M2 | 11 | |
| 450 | 155 | АІР 112 M2 | 7.5 |
| 255 | АІР 132 M2 | 11 | |
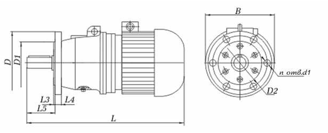
Мотор-редуктор 6МП-40: габаритні та приєднувальні розміри
Виконання на лапах

| Кількість ступенів редуктора 6МП-40 | L | B | H | L1 | L2 | B1 | B2 | H1 | H2 | H3 | d |
| не більше | |||||||||||
| одноступінчастий | 725 | 350 | 305 | 110 | 170 | 180 | 220 | 112 | 20 | 63 | 20 |
| двоступінчастий | 625 | 250 | 247 | – | |||||||
| триступінчастий | 500 | 224 | 24 | ||||||||
Фланцеве виконання

| Кількість ступенів редуктора 6МП-40 | L | B | L3 | L4 | L5 | D | D1 | D2 | d1 | n |
| не більше | ||||||||||
| одноступінчастий | 725 | 350 | 6 | 16 | 90 | 200 | 130 | 165 | 15 | 6 |
| двоступінчастий | 625 | 250 | ||||||||
| триступінчастий | 500 | 224 | ||||||||
ПРИКЛАД УМОВНОГО ПОЗНАЧЕННЯ ПРИ ЗАМОВЛЕННІ
6МП-40-56-G110-Ц-У3, де
6МП - тип редуктора,
40 - радіус розташування осей сателітів, мм,
56 - частота обертання вихідного валу, об/хв,
G110 - виконання за способом монтажу,
Ц - варіант виконання вихідного валу,
У3 – кліматичне виконання.
Мотор-редуктор 6МП-40
Відгуків про цей товар ще не було.
Немає відгуків про цей товар, станьте першим, залиште свій відгук.
Немає питань про даний товар, станьте першим і задайте своє питання.