Мотор-редуктор 6 МП-50
Мотор-редуктор 6МП-50
Поліпшення показників технологічного процесу на виробництві, а також якості продукції здійснюється за допомогою застосування мотор-редукторів планетарних співвісних нової серії 6МП-50.
Вони оснащені поліпшеною зубчастою передачею, зменшеними масогабаритними параметрами, виготовлені з сталевих легованих вищих марок і мають вкрай низький для перетворювачів подібного типу рівень шуму.
Поряд із цим, мотор-редуктори 6МП мають ті ж основні приєднувальні розміри, як і у перетворювачів – їх попередників, тому легко можуть замінити відповідні мотор-редуктори минулих серій 3МП або 4МП.
Компанія «Промпривод» пропонує своїм клієнтам можливість отримання детальної консультації від фахівців, які опишуть усі характеристики та особливості застосування мотор-редукторів 6МП планетарного типу. Ми пропонуємо придбати перетворювачі в наступних передавальних числах: 31.5, 40 і 50. Чемне обслуговування, тривала гарантія та доставка в будь-який регіон нашої країни робить процес придбання мотор-редукторів 6МП особливо комфортним.
Мотор-редуктор 6МП-50: основні технічні характеристики
| Мотор-редуктор 6МП - 50 | |||
| Частота обертання вихідного валу об/хв | Крутний момент Н.М. | Ел./дв. | Р.кВт |
| 2.24 | 740 | АІР 63 А6 | 0.18 |
| 1000 | АІР 63 В6 | 0.25 | |
| 2.8 | 550 | АІР 63 А6 | 0.18 |
| 760 | АІР 63 В6 | 0.25 | |
| 3.55 | 650 | АІР 63 В6 | 0.25 |
| 900 | АІР 71 А6 | 0.37 | |
| 4.5 | 800 | АІР 71 А6 | 0.37 |
| 1000 | АІР 71 В6 | 0.55 | |
| 5.6 | 650 | АІР 71 А6 | 0.37 |
| 1000 | АІР 71 В6 | 0.55 | |
| 7.1 | 700 | АІР 71 А4 | 0.55 |
| 960 | АІР 71 В4 | 0.75 | |
| 9 | 780 | АІР 71 В4 | 0.75 |
| 1100 | АІР 80 А4 | 1.1 | |
| 11.2 | 900 | АІР 80 А4 | 1.1 |
| 14 | 700 | АІР 80 А4 | 1.1 |
| 990 | АІР 80 В4 | 1.5 | |
| 18 | 560 | АІР 80 В6 | 1.1 |
| 750 | АІР 90 L6 | 1.5 | |
| 22.4 | 580 | АІР 90 L6 | 1.5 |
| 850 | АІР 100 L6 | 2.2 | |
| 28 | 455 | АІР 80 B4 | 1.5 |
| 640 | АІР 90 L4 | 2.2 | |
| 35.5 | 570 | АІР 90 L4 | 2.2 |
| 45 | 460 | АІР 90 L4 | 2.2 |
| 630 | АІР 100 S4 | 3.0 | |
| 56 | 500 | АІР 100 S4 | 3.0 |
| 680 | АІР 100 L4 | 4.0 | |
| 71 | 550 | АІР 100 L4 | 4.0 |
| 740 | АІР 112 M4 | 5.5 | |
| 90 | 600 | АІР 112 M4 | 5.5 |
| 112 | 410 | АІР 132 S6 | 5.5 |
| 560 | АІР 132 M6 | 7.5 | |
| 140 | 500 | АІР 132 M6 | 7.5 |
| 730 | АІР 160 S6 | 11.0 | |
| 180 | 550 | АІР 132 M4 | 11.0 |
| 740 | АІР 160 S4 | 15.0 | |
| 224 | 450 | АІР 132 M4 | 11.0 |
| 600 | АІР 160 S4 | 15.0 | |
| 280 | 360 | АІР 132 M4 | 11.0 |
| 500 | АІР 160 S4 | 15.0 | |
| 355 | 400 | АІР 160 S4 | 15.0 |
| 500 | АІР 160 M4 | 18.5 | |
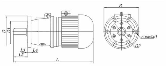
Мотор-редуктор 6МП-50: габаритні та приєднувальні розміри

| Кількість ступенів редуктора 6МП-50 | L | B | H | L1 | L2 | B1 | B2 | H1 | H2 | H3 | d |
| не більше | |||||||||||
| одноступінчастий | 925 | 350 | 360 | 145 | 210 | 220 | 265 | 132 | 22 | 43 | 22 |
| двоступінчастий | 682 | 270 | 295 | – | |||||||
| триступінчастий | 637 | 270 | 295 | ||||||||
Фланцеве виконання

| Кількість ступенів редуктора 6МП-50 | L | B | L3 | L4 | L5 | D | D1 | D2 | d1 | n |
| не більше | ||||||||||
| одноступінчастий | 925 | 350 | 8 | 18 | 124 | 250 | 180 | 215 | 17 | 6 |
| двоступінчастий | 682 | 270 | ||||||||
| триступінчастий | 637 | 270 | ||||||||
ПРИКЛАД УМОВНОГО ПОЗНАЧЕННЯ ПРИ ЗАМОВЛЕННІ
6МП-50-56-G110-Ц-У3, де
6МП - тип редуктора,
50 - радіус розташування осей сателітів, мм,
56 - частота обертання вихідного валу, об/хв,
G110 - виконання за способом монтажу,
Ц - варіант виконання вихідного валу,
У3 – кліматичне виконання.
Мотор-редуктор 6МП-50
Відгуків про цей товар ще не було.
Немає відгуків про цей товар, станьте першим, залиште свій відгук.
Немає питань про даний товар, станьте першим і задайте своє питання.