МР1-500 планетарний мотор редуктор
Мотор-редуктор МР1-500
Мотор-редуктор МР1-500 відноситься до категорії планетарних редукторів. Він застосовується більшою мірою в хімічному виробництві з метою передачі свого крутного моменту іншим механізмам, що обертаються. Є дуже простим в експлуатації, надійним та довговічним. Мотор-редуктор МР1-500 рекомендують не застосовувати в умовах агресивного середовища.
Придбати цю модель мотор-редуктора можна на сайті компанії «Промпривод». Для цього Ви можете залишити заявку на сайті або зателефонувати нашим фахівцям за вказаним номером на сайті. Купуючи у нас, Ви отримуєте не тільки високу якість виробу за ціною від виробника, але й оригінальний паспорт та гарантію 12 місяців. Доставка здійснюється по всій території України, способом, який найбільше підходить безпосередньо Вам.
Технічні характеристики мотор-редуктора МР1-500:
| Частота обертання вихідного вала n, об/хв | Номінальний момент, що крутить, на вихідному валу Мкр, Нм | Потужність електродвигуна Р, кВт |
| 80 | 4280 | 37 |
| 5205 | 45 | |
| 100 | 3424 | 37 |
| 5089 | 55 | |
| 6940 | 75 | |
| 125 | 4071 | 55 |
| 5552 | 75 | |
| 160 | 3181 | 55 |
| 4337 | 75 | |
| 200 | 2545 | 55 |
| 4164 | 90 | |
| 250 | 2036 | 55 |
| 3331 | 90 | |
| 4071 | 110 | |
| 315 | 2644 | 90 |
| 3877 | 132 |

Габаритні та приєднувальні розміри мотор редуктора МР1-500:
| D | D1 | D2 | L | L1 | L2 | L3 | L5 | d |
| 450 | 500 | 550 | 800 | 300 | 18 | 30 | 765 | 26 |

Приєднувальні розміри циліндричного вала мотор-редуктора МР1-500:
| d | d1 | d2 | l | l1 | l2 | b | t |
| на індивідуальне замовлення | |||||||

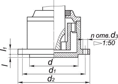
Приєднувальні розміри валу у вигляді зубчастої напівмуфти мотор редуктора МР1-500:
| d | d1 | d2 | d3 | l | l1 | n |
| 150 | 224 | 260 | 20 | 4 | 22 | 6 |
Приклад умовного позначення мотор-редуктора при замовленні:
МР1-500-15-40-Ф2В-У3 де:
МР1 – тип мотор-редуктора;
Ф2 - виконання горизонтальне фланцеве;
500 – габарит;
В – циліндричний кінець вихідного валу;
15 - виконання з комплектуючого електродвигуна;
У3 - кліматичне виконання та категорія розміщення;
40 - частота обертання вихідного валу, об/хв
МР1-500 планетарный мотор редуктор
Відгуків про цей товар ще не було.
Немає відгуків про цей товар, станьте першим, залиште свій відгук.
Немає питань про даний товар, станьте першим і задайте своє питання.