Редуктор 1Ц2Н-450-40-11
Циліндричний редуктор 1Ц2Н-450-40 варіанта складання 11
Редуктор 1Ц2Н-450-40-11 - циліндричний перетворювач загального призначення, основне завдання якого - це передача та зміна значення моменту кручення для оптимізації роботи тієї системи, частиною якої він є.
Двоступінчастий механізм даного перетворювача задіює зачеплення Новікова, що дозволяє пристрою мати невеликі габарити і одночасно працювати з значними моментами кручення.
Варіант складання редуктора

Умови застосування
| Опис | Характеристика |
| Тип навантаження | Постійний, змінний |
| Напрямок навантаження | Прямий, реверсивний |
| Можливість обертання валів в обох напрямках | Підтримується |
| Максимально допустима частота обертання вхідного вала | 1800 об/хв |
| Тип атмосфери, запиленість | I і II за ГОСТ 15150-69, не більш ніж 10 мг/м3 |
| Кліматичне виконання, категорія розміщення | У, Т, УХЛ, О, категорія розміщення 1-4 відповідно до ГОСТ 15150 |
Телефонуйте в компанію «Промпривод», щоб дізнатися більше про промислове обладнання, що вас цікавить, і купити редуктор 1Ц2Н або інший за низькою ціною. Наше підприємство займається виготовленням високоякісного обладнання вже понад 10 років. Ми використовуємо послуги лише кваліфікованого персоналу, щоб створювати надійне та довговічне обладнання для виробничих операцій.
У нас ви зможете купити редуктори в Україні з гарантією та повним комплектом документації, що супроводжує.
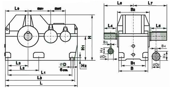
Схема габаритних і приєднувальних розмірів редуктора 1Ц2Н-450

| Aw т | Aw б | B | B 1 | B 2 | H | H 1 | h | L | L 1 | L 2 | L 3 | L 4 | L 5 | d |
| 450 | 280 | 630 | 515 | 590 | 955 | 475 | 50 | 1460 | 530 | 310 | 500 | 500 | 650 | 35 |
Основні технічні характеристики редукторів 1Ц2Н
| Найменування технічних характеристик | Типорозмір редуктора | |
| 1Ц2Н-450 | ||
| Передавальні числа | 8; 10; 12.5; 16; 20; 25; 31.5; 40; 50 | |
| Допустиме радіальне консольне навантаження, Н | на швидкохідному валу | 8200 |
| на тихохідному циліндричному валу | 71000 | |
| на т/х валу у вигляді зубчастої муфти | 95000 | |
| Номінальний момент, що крутить, на вихідному валу, Н.м. | 40000 | |
| ККД | 0,97 | |
| Маса, кг | 1530 | |
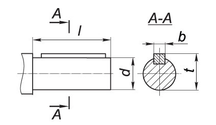
Приєднувальні розміри циліндричних валів редуктора 1Ц2Н

| Швидкохідний вал | Тихохідний вал | ||||||
| d | l | b | t | d | l | b | t |
| 80m6 | 170 | 22 | 85 | 160m6 | 300 | 40 | 169 |
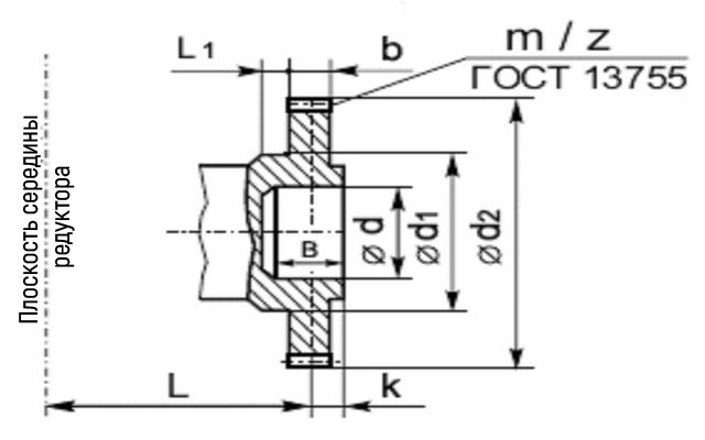
Приєднувальні розміри валу редуктора 1Ц2Н, створеного у вигляді зубчастої напівмуфти

| b | d | d 1 | d 2 | d 3 | L | l | l 1 | Зачеплення | |
| m | z | ||||||||
| 50 | 420 | 200 | 160F8 | 230 | 440 | 15 | 70 | 10 | 40 |
Приєднувальні розміри для струминного мастила редуктора 1Ц2Н
| Типорозмір | Необхідність струменевої системи змащення при передавальних відносинах | Діаметр труби колектора, øg | Розміри під патрубок для відведення олії | ||||
| 1Ц2Н-450 | 8,0 40,0 | 50,0 | G1 - B | d | d1 | d2 | d3 |
| потрібно струменеве мастило | струменеве мастило не потрібно | 70 | 132 | М10-7Н | 100 | ||
Умовне позначення редуктора 1Ц2Н

Редуктор 1Ц2Н-450-40-11
Відгуків про цей товар ще не було.
Немає відгуків про цей товар, станьте першим, залиште свій відгук.
Немає питань про даний товар, станьте першим і задайте своє питання.
