Редуктор 1Ц2Н-500-12.5-21
Циліндричний редуктор 1Ц2Н-500-12.5 варіанта складання 21
Редуктор 1Ц2Н-500-12.5-21 - різновид циліндричних перетворювачів, редукування в яких здійснюється за рахунок передачі Новікова.
Такому способу зачеплення властива особлива форма зубів, що мають збільшений контактний майданчик. Такі редуктори мають підвищену продуктивність, ККД і термін служби.
Варіант складання редуктора

Умови застосування
| Опис | Характеристика |
| Тип навантаження | Постійний, змінний |
| Напрямок навантаження | Прямий, реверсивний |
| Можливість обертання валів в обох напрямках | Підтримується |
| Максимально допустима частота обертання вхідного вала | 1800 об/хв |
| Тип атмосфери, запиленість | I і II за ГОСТ 15150-69, не більш ніж 10 мг/м3 |
| Кліматичне виконання, категорія розміщення | У, Т, УХЛ, О, категорія розміщення 1-4 відповідно до ГОСТ 15150 |
Не знаєте де вигідно купити редуктор 1Ц2Н-500? Телефонуйте менеджерам компанії «Промпривод» та отримуйте достовірну та прозору інформацію про всі нюанси виготовлення, використання та придбання промислового обладнання.
Співпраця з «Промпривод» - це:
- Оперативне оформлення замовлень та відправлення товару до будь-якого міста України.
- Наявність всіх необхідних документів, що доводять якість устаткування, що купується.
- Детальне консультування та багатий асортимент редукторів та інших механізмів за доступними цінами.
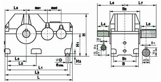
Схема габаритних і приєднувальних розмірів редуктора 1Ц2Н-500

| Aw т | Aw б | B | B 1 | B 2 | H | H 1 | h | L | L 1 | L 2 | L 3 | L 4 | L 5 | d |
| 500 | 315 | 700 | 580 | 650 | 1055 | 530 | 60 | 1650 | 615 | 360 | 565 | 530 | 690 | 42 |
Основні технічні характеристики редукторів 1Ц2Н
| Найменування технічних характеристик | Типорозмір редуктора | |
| 1Ц2Н-500 | ||
| Передавальні числа | 8; 10; 12.5; 16; 20; 25; 31.5; 40; 50 | |
| Допустиме радіальне консольне навантаження, Н | на швидкохідному валу | 10000 |
| на тихохідному циліндричному валу | 100000 | |
| на т/х валу у вигляді зубчастої муфти | 140000 | |
| Номінальний момент, що крутить, на вихідному валу, Н.м. | 56000 | |
| ККД | 0,97 | |
| Маса, кг | 2090 | |
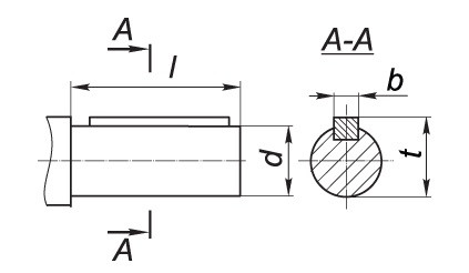
Приєднувальні розміри циліндричних валів редуктора 1Ц2Н

| Швидкохідний вал | Тихохідний вал | ||||||
| d | l | b | t | d | l | b | t |
| 90m6 | 170 | 25 | 95 | 180m6 | 300 | 45 | 190 |
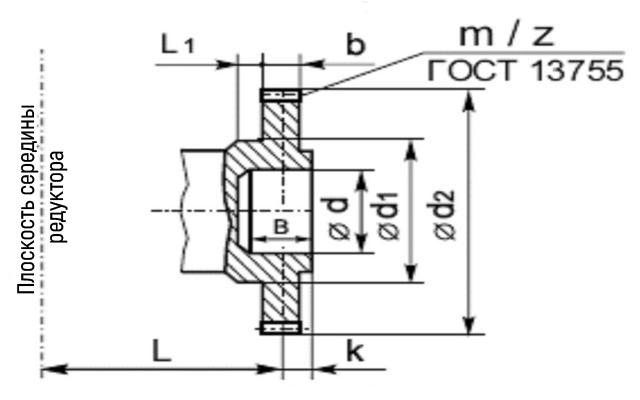
Приєднувальні розміри валу редуктора 1Ц2Н, створеного у вигляді зубчастої напівмуфти

| b | d | d 1 | d 2 | d 3 | L | l | l 1 | Зачеплення | |
| m | z | ||||||||
| 50 | 420 | 200 | 160F8 | 230 | 470 | 15 | 70 | 10 | 40 |
Приєднувальні розміри для струминного мастила редуктора 1Ц2Н
| Типорозмір | Необхідність струменевої системи змащення при передавальних відносинах | Діаметр труби колектора, øg | Розміри під патрубок для відведення олії | ||||
| 1Ц2Н-500 | 8,0 / 40,0 | 50,0 | G1 - B | d | d1 | d2 | d3 |
| потрібно струменеве мастило | струменеве мастило не потрібно | 70 | 132 | М10-7Н | 100 | ||
Умовне позначення редуктора 1Ц2Н
Відгуків про цей товар ще не було.
Немає відгуків про цей товар, станьте першим, залиште свій відгук.
Немає питань про даний товар, станьте першим і задайте своє питання.
