Редуктор 1Ц2У-100-25
Редуктор 1Ц2У-100-25
Редуктор 1Ц2У-100-25 використовують у приводах різного обладнання для зміни частоти обертання та крутного моменту валу. Цей вид приводів дуже популярний у промисловості.
Для стабільної та довгої служби, пристрій не варто встановлювати у запиленому або вибухонебезпечному середовищі. Вали перетворювача обертаються в різні сторони, без особливої переваги, що дозволяє агрегату працювати з реверсивним навантаженням.
Замовити редуктор або будь-який інший агрегат дуже просто – залишити заявку на сайті або зателефонувати. Наші менеджери представлять вам всю технічну характеристику товару та допоможуть вам з вибором. Співпрацюючи з компанією-виробником «Промпривод», ви отримуєте якісний товар та обслуговування європейського рівня. Доставка здійснюється по всіх куточках України.
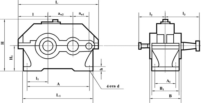
Схема габаритних і приєднувальних розмірів редуктора 1Ц2У-100

| Типорозмір | wт | wб | A | B | 1 | H | 1 | h | L | 1 | 2 | 3 | 4 | 5 | d |
| 1Ц2У- 100-25 | 100 | 80 | 290 | 145 | 109 | 225 | 112 | 20 | 386 | 325 | 85 | 132 | 136 | 165 | 15 |
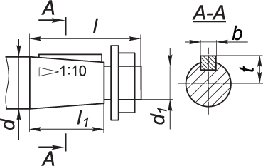
Приєднувальні розміри конічних валів редуктора 1Ц2У-100

| Типорозмір | швидкохідний | тихохідний | ||||||||||
| d | 1 | l | 1 | b | t | d | 1 | l | 1 | b | t | |
| 1Ц2У-100-25 | 20 | М12х1,25 | 50 | 36 | 4 | 10,6 | 35 | М20х1,5 | 80 | 58 | 6 | 18,55 |
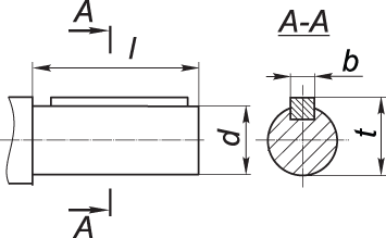
Приєднувальні розміри циліндричних валів редуктора 1Ц2У-100

| Типорозмір | швидкохідний | тихохідний | ||||||
| d | l | b | t | d | l | b | t | |
| 1Ц2У-100-25 | 18k6 | 36 | 6 | 20,5 | 30m6 | 58 | 8 | 33 |
Технічні характеристики редуктора 1Ц2У-100
| Найменування технічних характеристик | Од. вим. | Типорозмір | |
| 1Ц2У-100 | |||
| Передавальні числа | 25 | ||
| Допустиме радіальне консольне навантаження | на швидкохідному валу | Н | 500 |
| на тихохідному валу | 4500 | ||
| Номінальний момент, що крутить, на тихохідному валу | Н.м | 315 | |
| ККД | % | 0,97 | |
| Маса | кг | 37 | |
Варіанти складання редукторів 1Ц2У

Схема умовних позначень 1Ц2У
Редуктор 1Ц2У-100-25
Відгуків про цей товар ще не було.
Немає відгуків про цей товар, станьте першим, залиште свій відгук.
Немає питань про даний товар, станьте першим і задайте своє питання.
