Редуктор 1Ц2У-100-8-21
Циліндричний редуктор 1Ц2У-100-8 варіанта складання 21
Редуктор 1Ц2У-100-8-21 створюється у такому варіанті, коли обидва кінці валу розташовуються з різних боків перетворювача на паралельних осях.
Купити циліндричний редуктор даної серії можна з метою отримання перетворених величин та їх передачі виконавчому механізму.
Варіант складання редуктора

Умови застосування
| Опис | Характеристика |
| Тип навантаження | Постійний, змінний |
| Напрямок навантаження | Прямий, реверсивний |
| Можливість обертання валів в обох напрямках | Підтримується |
| Максимально допустима частота обертання вхідного вала | 1800 об/хв |
| Тип атмосфери, запиленість | I і II за ГОСТ 15150-69, не більш ніж 10 мг/м3 |
| Кліматичне виконання, категорія розміщення | У, Т, УХЛ, О, категорія розміщення 1-4 відповідно до ГОСТ 15150 |
Де купити редуктор 1Ц2У
У компанії «Промпривод» ви завжди знайдете якісні вітчизняні перетворювачі, створені на сучасному обладнанні висококваліфікованим персоналом. У нас ви зможете купити редуктор 1Ц2У в Україні за найнижчою вартістю, адже ми працюємо без посередників!
«Промпривод» завжди надсилає замовлення в обумовлений термін, надає чесну та тривалу гарантію на будь-який вид товару, та детально консультує з будь-яких питань!
Оптовим клієнтам – гідна знижка!
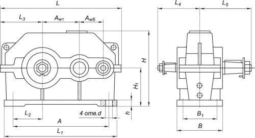
Схема габаритних і приєднувальних розмірів редуктора 1Ц2У-100

Габаритні та приєднувальні розміри редукторів 1Ц2У
| Aw т | Aw б | A | B | B 1 | H | H 1 | h | L | L 1 | L 2 | L 3 | L 4 | L 5 | d |
| 100 | 80 | 290 | 145 | 109 | 225 | 112 | 20 | 386 | 325 | 85 | 132 | 136 | 165 | 15 |
Основні технічні характеристики редукторів 1Ц2У
| Найменування технічних характеристик | Типорозмір редуктора | |
| 1Ц2У-100 | ||
| Передавальні числа | 8; 10; 12.5; 16; 20; 25; 31.5; 40 | |
| Допустиме навантаження, Н | на швидкохідному валу | 500 |
| на тихохідному валу | 4500 | |
| Номінальний момент, що крутить, Н.м | 315 | |
| ККД | 0,97 | |
| Маса, кг | 20 | |
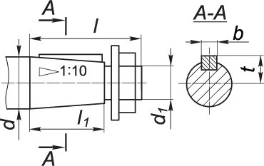
Приєднувальні розміри конічних валів редуктора 1Ц2У

| Швидкохідний вал | Тихохідний вал | ||||||||||
| d | d 1 | l | l 1 | b | t | d | d 1 | l | l 1 | b | t |
| 20 | М12х1,25 | 50 | 36 | 4 | 10,6 | 35 | М20х1,5 | 80 | 58 | 6 | 18,55 |
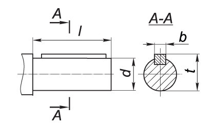
Приєднувальні розміри циліндричних валів редуктора 1Ц2У

| Швидкохідний вал | Тихохідний вал | ||||||
| d | l | b | t | d | l | b | t |
| 18k6 | 36 | 6 | 20,5 | 30m6 | 58 | 8 | 33 |
Умовне позначення редуктора 1Ц2У

Редуктор 1Ц2У-100-8-21
Відгуків про цей товар ще не було.
Немає відгуків про цей товар, станьте першим, залиште свій відгук.
Немає питань про даний товар, станьте першим і задайте своє питання.