Редуктор 1Ц2У-125-31.5
Редуктор 1Ц2У-125-31.5
Редуктор 1Ц2У-125-31.5 є потужним та надійним пристроєм. Його встановлюють для збільшення крутного моменту і зменшення частоти обертання.
Для стабільної та довгої служби механізм не варто встановлювати в запиленому або вибухонебезпечному середовищі.
Вали перетворювача обертаються в різні сторони, без особливої переваги, що дозволяє приводу працювати з реверсивним навантаженням.
Співпрацюючи з компанією «Промпривід» ви отримуєте низку переваг:
- Товар найвищої якості, що підтверджується гарантією на 12 місяців.
- Ціна від виробника.
- Обслуговування європейського рівня.
- 100% виконання всіх умов договору.
- Доставка можлива по всіх регіонах України.
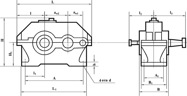
Схема габаритних і приєднувальних розмірів редуктора 1Ц2У-125

| Типорозмір | wт | wб | A | B | 1 | H | 1 | h | L | 1 | 2 | 3 | 4 | 5 | d |
| 1Ц2У- 125-31.5 | 125 | 80 | 335 | 165 | 125 | 270 | 132 | 22 | 440 | 375 | 106 | 155 | 145 | 206 | 19 |
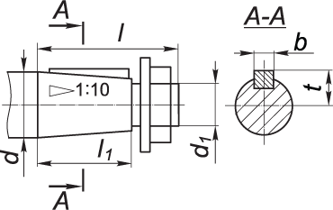
Приєднувальні розміри конічних валів редуктора 1Ц2У-125

| Типорозмір | швидкохідний | тихохідний | ||||||||||
| d | 1 | l | 1 | b | t | d | 1 | l | 1 | b | t | |
| 1Ц2У-125-31.5 | 20 | М12х1,25 | 50 | 36 | 4 | 10,6 | 45 | М30х2,0 | 110 | 82 | 12 | 23,45 |
Приєднувальні розміри циліндричних валів редуктора 1Ц2У-125

| Типорозмір | швидкохідний | тихохідний | ||||||
| d | l | b | t | d | l | b | t | |
| 1Ц2У-125-31.5 | 18k6 | 36 | 6 | 20,5 | 40m6 | 82 | 12 | 43 |
Технічні характеристики редуктора 1Ц2У-125
| Найменування технічних характеристик | Од. вим. | Типорозмір | |
| 1Ц2У-125 | |||
| Передавальні числа | 31.5 | ||
| Допустиме радіальне консольне навантаження | на швидкохідному валу | Н | 750 |
| на тихохідному валу | 6300 | ||
| Номінальний момент, що крутить, на тихохідному валу | Н.м | 630 | |
| ККД | % | 0,97 | |
| Маса | кг | 55 | |
Варіанти складання редукторів 1Ц2У

Схема умовних позначень 1Ц2У

Редуктор 1Ц2У-125-31.5
Відгуків про цей товар ще не було.
Немає відгуків про цей товар, станьте першим, залиште свій відгук.
Немає питань про даний товар, станьте першим і задайте своє питання.