Редуктор 1Ц2У-125-40-12
Циліндричний редуктор 1Ц2У-125-40 варіанта складання 12
Редуктор 1Ц2У-125-40-12 циліндричного типу з двома перетворювальними ступенями створюється у горизонтальному виконанні.
Пристрій характеризується як універсальний, тому часто встановлюється в приводах загального призначення в будівельній, машинобудівній та інших сферах діяльності людини.
Ми пропонуємо вам купити редуктор 1Ц2У-125-40 у варіанті складання 12, що характеризується неколлінеарним розташуванням кінців валів.
Варіант складання редуктора

Умови застосування
| Опис | Характеристика |
| Тип навантаження | Постійний, змінний |
| Напрямок навантаження | Прямий, реверсивний |
| Можливість обертання валів в обох напрямках | Підтримується |
| Максимально допустима частота обертання вхідного вала | 1800 об/хв |
| Тип атмосфери, запиленість | I і II за ГОСТ 15150-69, не більш ніж 10 мг/м3 |
| Кліматичне виконання, категорія розміщення | У, Т, УХЛ, О, категорія розміщення 1-4 відповідно до ГОСТ 15150 |
Купуйте якісне промислове обладнання у відповідального вітчизняного виробника – компанії «Промпривод». Ми самостійно виготовляємо вироби для загальних та для індивідуальних цілей, використовуємо для цього лише якісні матеріали та виключно кваліфікованих фахівців.
Підприємство «Промпривод» надає послуги з підбору найбільш відповідного перетворювача та інших механізмів у телефонному режимі. У нас ви зможете купити редуктор 1Ц2У без переплат, адже ми працюємо без перекупників.
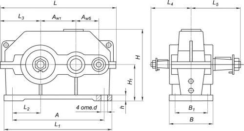
Схема габаритних і приєднувальних розмірів редуктора 1Ц2У-125

Габаритні та приєднувальні розміри редукторів 1Ц2У
| Aw т | Aw б | A | B | B 1 | H | H 1 | h | L | L 1 | L 2 | L 3 | L 4 | L 5 | d |
| 125 | 80 | 335 | 165 | 125 | 270 | 132 | 22 | 440 | 375 | 106 | 155 | 145 | 206 | 19 |
Основні технічні характеристики редукторів 1Ц2У
| Найменування технічних характеристик | Типорозмір редуктора | |
| 1Ц2У-125 | ||
| Передавальні числа | 8; 10; 12.5; 16; 20; 25; 31.5; 40 | |
| Допустиме навантаження, Н | на швидкохідному валу | 500 |
| на тихохідному валу | 4500 | |
| Номінальний момент, що крутить, Н.м | 630 | |
| ККД | 0,97 | |
| Маса, кг | 32 | |
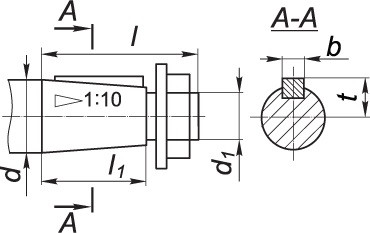
Приєднувальні розміри конічних валів редуктора 1Ц2У

| Швидкохідний вал | Тихохідний вал | ||||||||||
| d | d 1 | l | l 1 | b | t | d | d 1 | l | l 1 | b | t |
| 20 | М12х1,25 | 50 | 36 | 4 | 10,6 | 45 | М30х2,0 | 110 | 82 | 12 | 23,45 |
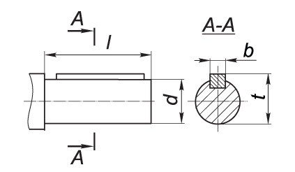
Приєднувальні розміри циліндричних валів редуктора 1Ц2У

| Швидкохідний вал | Тихохідний вал | ||||||
| d | l | b | t | d | l | b | t |
| 18k6 | 36 | 6 | 20,5 | 40m6 | 82 | 12 | 43 |
Умовне позначення редуктора 1Ц2У

Редуктор 1Ц2У-125-40-12
Відгуків про цей товар ще не було.
Немає відгуків про цей товар, станьте першим, залиште свій відгук.
Немає питань про даний товар, станьте першим і задайте своє питання.