Редуктор 1Ц2У-160-12.5-21
Циліндричний редуктор 1Ц2У-160-12.5 варіанта складання 21
Редуктор 1Ц2У-160-12.5-21 - універсальний циліндричний перетворювач, що характеризується високим ККД, можливістю працювати при різних навантаженнях та режимах.
При замовленні пристрою слід враховувати його кліматичне виконання (У, Т, УХЛ, О) та варіант складання (за ГОСТ 20373). Пропонуємо вам купити редуктор 1Ц2У у складанні 21 або іншому, вказаному у стандарті.
Варіант складання редуктора

Умови застосування
| Опис | Характеристика |
| Тип навантаження | Постійний, змінний |
| Напрямок навантаження | Прямий, реверсивний |
| Можливість обертання валів в обох напрямках | Підтримується |
| Максимально допустима частота обертання вхідного вала | 1800 об/хв |
| Тип атмосфери, запиленість | I і II за ГОСТ 15150-69, не більш ніж 10 мг/м3 |
| Кліматичне виконання, категорія розміщення | У, Т, УХЛ, О, категорія розміщення 1-4 відповідно до ГОСТ 15150 |
Вибрати якісний та повністю підходящий під технічні вимоги перетворювач вам допоможуть менеджери компанії-виробника промислового обладнання «Промпривод». У нас ви зможете купити редуктор 1Ц2У в будь-якому виконанні, що вас цікавить, за низькою ціною.
Переваги співпраці з компанією «Промпривод»:
- Оперативна допомога щодо підбору обладнання.
- Детальне консультування професіоналів.
- Доставка у будь-яку точку країни.
- Доступна на редуктор 1Ц2У ціна без переплат.
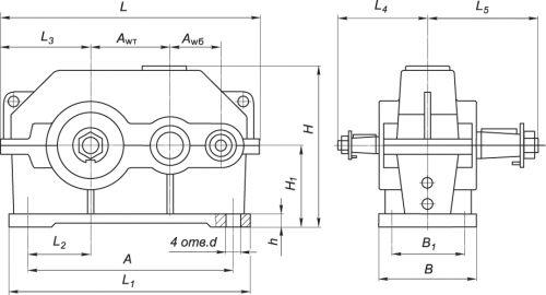
Схема габаритних і приєднувальних розмірів редуктора 1Ц2У-160

Габаритні та приєднувальні розміри редукторів 1Ц2У
| Aw т | Aw б | A | B | B 1 | H | H 1 | h | L | L 1 | L 2 | L 3 | L 4 | L 5 | d |
| 160 | 100 | 425 | 195 | 140 | 335 | 170 | 24 | 545 | 475 | 135 | 195 | 170 | 224 | 24 |
Основні технічні характеристики редукторів 1Ц2У
| Найменування технічних характеристик | Типорозмір редуктора | |
| 1Ц2У-160 | ||
| Передавальні числа | 8; 10; 12.5; 16; 20; 25; 31.5; 40 | |
| Допустиме радіальне консольне навантаження, Н | на швидкохідному валу | 1000 |
| на тихохідному валу | 9000 | |
| Номінальний момент, що крутить, на тихохідному валу, Н.м | 1250 | |
| ККД | 0,97 | |
| Маса, кг | 95 | |
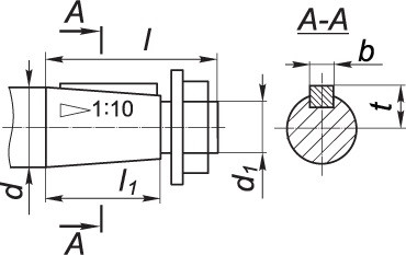
Приєднувальні розміри конічних валів редуктора 1Ц2У

| Швидкохідний вал | Тихохідний вал | ||||||||||
| d | d 1 | l | l 1 | b | t | d | d 1 | l | l 1 | b | t |
| 25 | М16х1,5 | 60 | 42 | 5 | 13,45 | 55 | М36х3,0 | 110 | 82 | 14 | 28,95 |
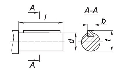
Приєднувальні розміри циліндричних валів редуктора 1Ц2У

| Швидкохідний вал | Тихохідний вал | ||||||
| d | l | b | t | d | l | b | t |
| 22k6 | 42 | 6 | 24,5 | 50m6 | 105 | 14 | 53,5 |
Умовне позначення редуктора 1Ц2У

Відгуків про цей товар ще не було.
Немає відгуків про цей товар, станьте першим, залиште свій відгук.
Немає питань про даний товар, станьте першим і задайте своє питання.