Редуктор 1Ц2У-160-20
Редуктор 1Ц2У-160-20
Редуктор 1Ц2У-160-20 є двоступінчастим горизонтальним пристроєм із циліндричним типом передачі. Його встановлюють для збільшення крутного моменту і зменшення частоти обертання.
Конструкцією приводу передбачено обертання валів в обидві сторони. Номінальна швидкість обертання вхідного валу не повинна перевищувати 1800 оборотів за хвилину. Ідеальне середовище для механізму – невибухонебезпечне, неагресивне і в міру запилене. Такі перетворювачі дуже популярні, тому що прості та надійні у використанні.
Позвонив по телефону, указанному на сайте, вы можете заказать редуктор и многие другие устройства. Наши менеджеры помогут подобрать привод, который нужен именно вам. Сотрудничая с компанией производителем «Промпривод» вы получаете гарантию на 12 месяцев. Каждый редуктор высокого качества, так как перед отправкой он проходит дополнительные проверки. Доставка возможна по всей Украине, любым удобным вам способом.
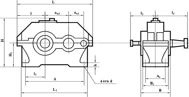
Схема габаритних і приєднувальних розмірів редуктора 1Ц2У-160

| Типорозмір | wт | wб | A | B | 1 | H | 1 | h | L | 1 | 2 | 3 | 4 | 5 | d |
| 1Ц2У- 160-20 | 160 | 100 | 425 | 195 | 140 | 335 | 170 | 24 | 545 | 475 | 135 | 195 | 170 | 224 | 24 |
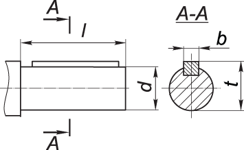
Приєднувальні розміри конічних валів редуктора 1Ц2У-160

| Типорозмір | швидкохідний | тихохідний | ||||||||||
| d | 1 | l | 1 | b | t | d | 1 | l | 1 | b | t | |
| 1Ц2У-160-20 | 25 | М16х1,5 | 60 | 42 | 5 | 13,45 | 55 | М36х3,0 | 110 | 82 | 14 | 28,95 |
Приєднувальні розміри циліндричних валів редуктора 1Ц2У-160

| Типорозмір | швидкохідний | тихохідний | ||||||
| d | l | b | t | d | l | b | t | |
| 1Ц2У-160-20 | 22k6 | 42 | 6 | 24,5 | 50m6 | 105 | 14 | 53,5 |
Приєднувальні розміри у вигляді зубчастої напівмуфти редуктора 1Ц2У-160

| Типорозмір | b | d | 1 | 2 | 3 | L | l | 1 | Зачеплення | |
| m | z | |||||||||
| 1Ц2У-160-20 | 20 | 168 | 90 | 72F8 | 95 | 165 | 9 | 38 | 4 | 40 |
Технічні характеристики редуктора 1Ц2У-160
| Найменування технічних характеристик | Од. вим. | Типорозмір | |
| 1Ц2У-160 | |||
| Передавальні числа | 20 | ||
| Допустиме радіальне консольне навантаження | на швидкохідному валу | Н | 1000 |
| на тихохідному валу | 9000 | ||
| Номінальний момент, що крутить, на тихохідному валу | Н.м | 1250 | |
| ККД | % | 0,97 | |
| Маса | кг | 95 | |
Варіанти складання редукторів 1Ц2У
Схема умовних позначень 1Ц2У

Редуктор 1Ц2У-160-20
Відгуків про цей товар ще не було.
Немає відгуків про цей товар, станьте першим, залиште свій відгук.
Немає питань про даний товар, станьте першим і задайте своє питання.
