Редуктор 1Ц2У-160-40
Редуктор 1Ц2У-160-40
Редуктор 1Ц2У-160-40 відноситься до горизонтальних механізмів із циліндричним типом передачі. Його встановлюють для збільшення крутного моменту і зменшення частоти обертання.
Дані апарати дуже надійні та практично незамінні помічники на виробництві. Пристрій працює при різних навантаженнях, як із зупинками, так і безперервно (режим 24 години). Вали редуктора обертаються в різні сторони, без особливої переваги. Такі приводи не варто встановлювати у запилених приміщеннях.
Зателефонувавши за телефоном, вказаним на сайті, ви можете замовити редуктор та багато інших пристроїв. Наші менеджери допоможуть підібрати привід, який потрібен саме вам. Співпрацюючи з компанією виробником «Промпривод» ви отримуєте гарантію на 12 місяців. Кожен редуктор високої якості, оскільки перед відправкою він проходить додаткові перевірки. Доставка можлива по всій Україні, будь-яким зручним для вас способом.
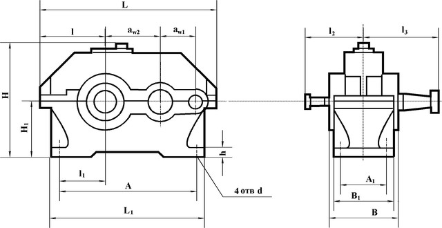
Схема габаритних і приєднувальних розмірів редуктора 1Ц2У-160

| Типорозмір | wт | wб | A | B | 1 | H | 1 | h | L | 1 | 2 | 3 | 4 | 5 | d |
| 1Ц2У- 160-40 | 160 | 100 | 425 | 195 | 140 | 335 | 170 | 24 | 545 | 475 | 135 | 195 | 170 | 224 | 24 |
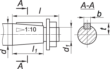
Приєднувальні розміри конічних валів редуктора 1Ц2У-160

| Типорозмір | швидкохідний | тихохідний | ||||||||||
| d | 1 | l | 1 | b | t | d | 1 | l | 1 | b | t | |
| 1Ц2У-160-40 | 25 | М16х1,5 | 60 | 42 | 5 | 13,45 | 55 | М36х3,0 | 110 | 82 | 14 | 28,95 |
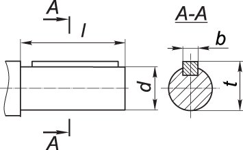
Приєднувальні розміри циліндричних валів редуктора 1Ц2У-160

| Типорозмір | швидкохідний | тихохідний | ||||||
| d | l | b | t | d | l | b | t | |
| 1Ц2У-160-40 | 22k6 | 42 | 6 | 24,5 | 50m6 | 105 | 14 | 53,5
|
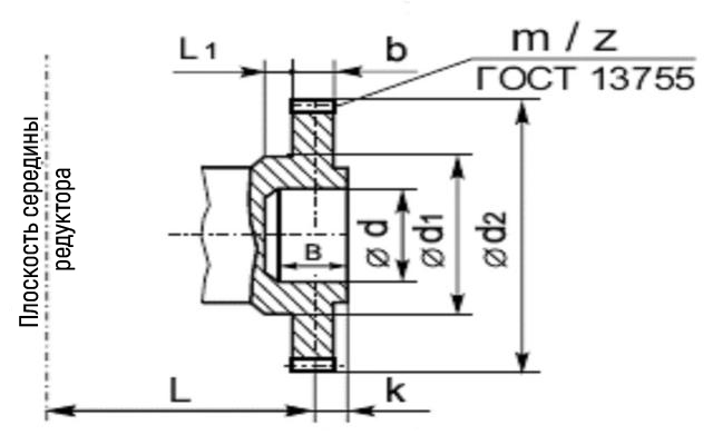
Приєднувальні розміри у вигляді зубчастої напівмуфти редуктора 1Ц2У-160

| Типорозмір | b | d | 1 | 2 | 3 | L | l | 1 | Зачеплення | |
| m | z | |||||||||
| 1Ц2У-160-40 | 20 | 168 | 90 | 72F8 | 95 | 165 | 9 | 38 | 4 | 40 |
Технічні характеристики редуктора 1Ц2У-160
| Найменування технічних характеристик | Од. вим. | Типорозмір | |
| 1Ц2У-160 | |||
| Передавальні числа | 40 | ||
| Допустиме радіальне консольне навантаження | на швидкохідному валу | Н | 1000 |
| на тихохідному валу | 9000 | ||
| Номінальний момент, що крутить, на тихохідному валу | Н.м | 1250 | |
| ККД | % | 0,97 | |
| Маса | кг | 95 | |
Варіанти складання редукторів 1Ц2У
Схема умовних позначень 1Ц2У

Редуктор 1Ц2У-160-40
Відгуків про цей товар ще не було.
Немає відгуків про цей товар, станьте першим, залиште свій відгук.
Немає питань про даний товар, станьте першим і задайте своє питання.
