Редуктор 1Ц2У-160-40-11
Циліндричний редуктор 1Ц2У-160-40 варіанта складання 11
Використання механічного циліндричного редуктора 1Ц2У-160-40-11 дозволяє домогтися збільшення сумарного моменту, що крутить, шляхом зменшення частот обертання валів.
Перетворення спирається на використання двоступінчастої передачі, що з'єднується зубчастими колесами з евольвентним зачепленням.
Редуктор має один із найвищих ККД серед перетворювачів промислового сектора і може бути впроваджений у роботу приводів різного призначення.
Варіант складання редуктора

Умови застосування
| Опис | Характеристика |
| Тип навантаження | Постійний, змінний |
| Напрямок навантаження | Прямий, реверсивний |
| Можливість обертання валів в обох напрямках | Підтримується |
| Максимально допустима частота обертання вхідного вала | 1800 об/хв |
| Тип атмосфери, запиленість | I і II за ГОСТ 15150-69, не більш ніж 10 мг/м3 |
| Кліматичне виконання, категорія розміщення | У, Т, УХЛ, О, категорія розміщення 1-4 відповідно до ГОСТ 15150 |
Вибрати якісний та повністю підходящий під технічні вимоги перетворювач вам допоможуть менеджери компанії-виробника промислового обладнання «Промпривод». У нас ви зможете купити редуктор 1Ц2У в будь-якому виконанні, що вас цікавить, за низькою ціною.
Переваги співпраці з компанією «Промпривод»:
- Оперативна допомога щодо підбору обладнання.
- Детальне консультування професіоналів.
- Доставка у будь-яку точку країни.
- Доступна на редуктор 1Ц2У ціна без переплат.
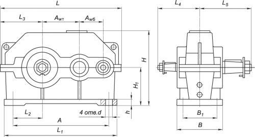
Схема габаритних і приєднувальних розмірів редуктора 1Ц2У-160

Габаритні та приєднувальні розміри редукторів 1Ц2У
| Aw т | Aw б | A | B | B 1 | H | H 1 | h | L | L 1 | L 2 | L 3 | L 4 | L 5 | d |
| 160 | 100 | 425 | 195 | 140 | 335 | 170 | 24 | 545 | 475 | 135 | 195 | 170 | 224 | 24 |
Основні технічні характеристики редукторів 1Ц2У
| Найменування технічних характеристик | Типорозмір редуктора | |
| 1Ц2У-160 | ||
| Передавальні числа | 8; 10; 12.5; 16; 20; 25; 31.5; 40 | |
| Допустиме радіальне консольне навантаження, Н | на швидкохідному валу | 1000 |
| на тихохідному валу | 9000 | |
| Номінальний момент, що крутить, на тихохідному валу, Н.м | 1250 | |
| ККД | 0,97 | |
| Маса, кг | 95 | |
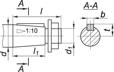
Приєднувальні розміри конічних валів редуктора 1Ц2У

| Швидкохідний вал | Тихохідний вал | ||||||||||
| d | d 1 | l | l 1 | b | t | d | d 1 | l | l 1 | b | t |
| 25 | М16х1,5 | 60 | 42 | 5 | 13,45 | 55 | М36х3,0 | 110 | 82 | 14 | 28,95 |
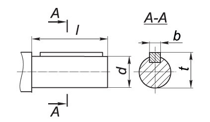
Приєднувальні розміри циліндричних валів редуктора 1Ц2У

| Швидкохідний вал | Тихохідний вал | ||||||
| d | l | b | t | d | l | b | t |
| 22k6 | 42 | 6 | 24,5 | 50m6 | 105 | 14 | 53,5 |
Умовне позначення редуктора 1Ц2У

Редуктор 1Ц2У-160-40-11
Відгуків про цей товар ще не було.
Немає відгуків про цей товар, станьте першим, залиште свій відгук.
Немає питань про даний товар, станьте першим і задайте своє питання.