Редуктор 1Ц2У-160-8
Редуктор 1Ц2У-160-8
Горизонтальний редуктор типу 1Ц2У-160-8 відноситься до універсальних механізмів із циліндричним типом передачі. Його завдання полягає у зміні крутного моменту та частоти обертання валу в приводах.
Редуктор працює в режимі 24 години з постійним навантаженням, так само добре, як із зупинками та періодичним навантаженням. Вали можуть обертатися в обидві сторони, що дозволяє використовувати пристрій з реверсивним навантаженням. Номінальна швидкість обертання вхідного валу не повинна перевищувати 1800 оборотів за хвилину.
Зателефонувавши за телефоном, вказаним на сайті, ви можете замовити редуктор та багато інших пристроїв. Наші менеджери допоможуть підібрати привід, який потрібен саме вам. Співпрацюючи з компанією виробником «Промпривод» ви отримуєте гарантію на 12 місяців. Кожен редуктор високої якості, оскільки перед відправкою він проходить додаткові перевірки. Доставка можлива по всій Україні, будь-яким зручним для вас способом.
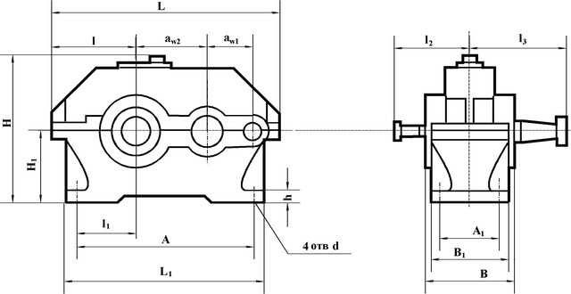
Схема габаритних і приєднувальних розмірів редуктора 1Ц2У-160

| Типорозмір | wт | wб | A | B | 1 | H | 1 | h | L | 1 | 2 | 3 | 4 | 5 | d |
| 1Ц2У- 160-8 | 160 | 100 | 425 | 195 | 140 | 335 | 170 | 24 | 545 | 475 | 135 | 195 | 170 | 224 | 24 |
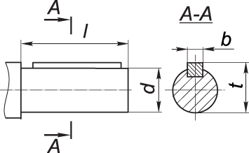
Приєднувальні розміри конічних валів редуктора 1Ц2У-160

| Типорозмір | швидкохідний | тихохідний | ||||||||||
| d | 1 | l | 1 | b | t | d | 1 | l | 1 | b | t | |
| 1Ц2У-160-8 | 25 | М16х1,5 | 60 | 42 | 5 | 13,45 | 55 | М36х3,0 | 110 | 82 | 14 | 28,95 |
Приєднувальні розміри циліндричних валів редуктора 1Ц2У-160

| Типорозмір | швидкохідний | тихохідний | ||||||
| d | l | b | t | d | l | b | t | |
| 1Ц2У-160-8 | 22k6 | 42 | 6 | 24,5 | 50m6 | 105 | 14 | 53,5 |
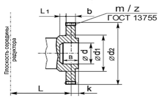
Приєднувальні розміри у вигляді зубчастої напівмуфти редуктора 1Ц2У-160

| Типорозмір | b | d | 1 | 2 | 3 | L | l | 1 | Зачеплення | |
| m | z | |||||||||
| 1Ц2У-160-8 | 20 | 168 | 90 | 72F8 | 95 | 165 | 9 | 38 | 4 | 40 |
Технічні характеристики редуктора 1Ц2У-160
| Найменування технічних характеристик | Од. вим. | Типорозмір | |
| 1Ц2У-160 | |||
| Передавальні числа | 8 | ||
| Допустиме радіальне консольне навантаження | на швидкохідному валу | Н | 1000 |
| на тихохідному валу | 9000 | ||
| Номінальний момент, що крутить, на тихохідному валу | Н.м | 1250 | |
| ККД | % | 0,97 | |
| Маса | кг | 95 | |
Варіанти складання редукторів 1Ц2У

Схема умовних позначень 1Ц2У

Редуктор 1Ц2У-160-8
Відгуків про цей товар ще не було.
Немає відгуків про цей товар, станьте першим, залиште свій відгук.
Немає питань про даний товар, станьте першим і задайте своє питання.