Редуктор 1Ц2У-200-10
Редуктор 1Ц2У-200-10
Редуктор 1Ц2У-200-10 є дуже затребуваним і дуже популярним пристроєм. Його встановлюють для збільшення крутного моменту і зменшення частоти обертання. Дані редуктори дуже надійні та практично незамінні помічники на виробництві.
Пристрій працює при різних навантаженнях, як із зупинками, так і безперервно (режим 24 години). Вали редуктора обертаються в різні сторони, без особливої переваги. Такі приводи не варто встановлювати у запилених приміщеннях.
Компанія виробник «Промпривод» вже понад 10 років стабільно стоїть на ринку України. Купуючи товар на нашому підприємстві, ви отримуєте ціни нижче за ринок на 3-10%. Гарантія якості на обладнання – 12 місяців з моменту придбання. Доставка здійснюється по всій Україні одразу після внесення оплати. У разі виникнення труднощів у виборі редуктора або оформленні замовлення ви завжди можете звернутися за допомогою до наших менеджерів - замовивши зворотній дзвінок.
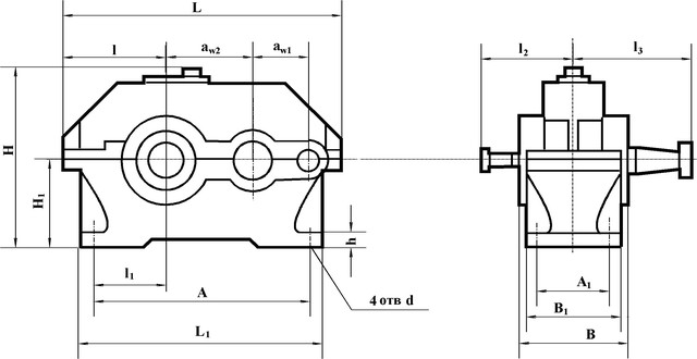
Схема габаритних і приєднувальних розмірів редуктора 1Ц2У-200

| Типорозмір | wт | wб | A | B | 1 | H | 1 | h | L | 1 | 2 | 3 | 4 | 5 | d |
| 1Ц2У- 200-10 | 200 | 125 | 515 | 230 | 165 | 420 | 212 | 30 | 670 | 580 | 165 | 236 | 212 | 280 | 24 |
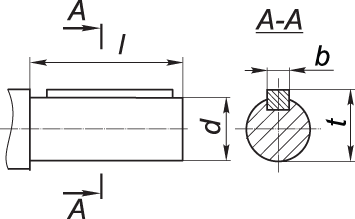
Приєднувальні розміри конічних валів редуктора 1Ц2У-200

| Типорозмір | швидкохідний | тихохідний | ||||||||||
| d | 1 | l | 1 | b | t | d | 1 | l | 1 | b | t | |
| 1Ц2У-200-10 | 30 | М20х1,5 | 80 | 58 | 5 | 15,55 | 70 | М48х3,0 | 140 | 105 | 18 | 36,38 |
Приєднувальні розміри циліндричних валів редуктора 1Ц2У-200

| Типорозмір | швидкохідний | тихохідний | ||||||
| d | l | b | t | d | l | b | t | |
| 1Ц2У-200-10 | 25k6 | 58 | 8 | 28 | 65m6 | 105 | 18 | 69 |
Приєднувальні розміри у вигляді зубчастої напівмуфти редуктора 1Ц2У-200

| Типорозмір | b | d | 1 | 2 | 3 | L | l | 1 | Зачеплення | |
| m | z | |||||||||
| 1Ц2У-200-10 | 25 | 210 | 100 | 80F8 | 105 | 192 | 10 | 50 | 5 | 40 |
Технічні характеристики редуктора 1Ц2У-200
| Найменування технічних характеристик | Од. вим. | Типорозмір | |
| 1Ц2У-200 | |||
| Передавальні числа | 10 | ||
| Допустиме радіальне консольне навантаження | на швидкохідному валу | Н | 2240 |
| на тихохідному валу | 12500 | ||
| Номінальний момент, що крутить, на тихохідному валу | Н.м | 2500 | |
| ККД | % | 0,97 | |
| Маса | кг | 170 | |
Варіанти складання редукторів 1Ц2У
Схема умовних позначень 1Ц2У

Редуктор 1Ц2У-200-10
Відгуків про цей товар ще не було.
Немає відгуків про цей товар, станьте першим, залиште свій відгук.
Немає питань про даний товар, станьте першим і задайте своє питання.
