Редуктор 1Ц2У-200-16
Редуктор 1Ц2У-200-16
Редуктор 1Ц2У-200-16 є потужним та надійним пристроєм. Його встановлюють збільшення крутного моменту і зменшення частоти обертання.
Вали механізму можуть обертатися обидві сторони, без переваг, що дозволяє використовувати редуктор з реверсивним навантаженням.
Для стабільної роботи механізму швидкість вхідного валу повинна знаходитися в діапазоні від 1500 до 1800 оборотів на хвилину.
Компанія виробник «Промпривод» вже понад 10 років стабільно стоїть на ринку України. Купуючи товар на нашому підприємстві, ви отримуєте ціни нижче за ринок на 3-10%. Гарантія якості на обладнання – 12 місяців з моменту придбання. Доставка здійснюється по всій Україні одразу після внесення оплати. У разі виникнення труднощів у виборі редуктора або оформленні замовлення ви завжди можете звернутися за допомогою до наших менеджерів - замовивши зворотній дзвінок.
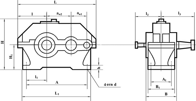
Схема габаритних і приєднувальних розмірів редуктора 1Ц2У-200

| Типорозмір | wт | wб | A | B | 1 | H | 1 | h | L | 1 | 2 | 3 | 4 | 5 | d |
| 1Ц2У- 200-16 | 200 | 125 | 515 | 230 | 165 | 420 | 212 | 30 | 670 | 580 | 165 | 236 | 212 | 280 | 24 |
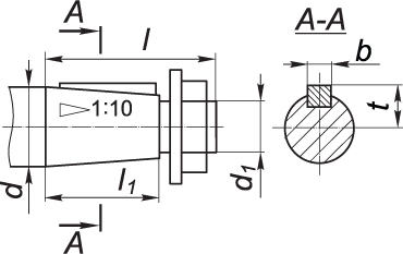
Приєднувальні розміри конічних валів редуктора 1Ц2У-200

| Типорозмір | швидкохідний | тихохідний | ||||||||||
| d | 1 | l | 1 | b | t | d | 1 | l | 1 | b | t | |
| 1Ц2У-200-16 | 30 | М20х1,5 | 80 | 58 | 5 | 15,55 | 70 | М48х3,0 | 140 | 105 | 18 | 36,38 |
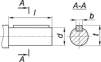
Приєднувальні розміри циліндричних валів редуктора 1Ц2У-200

| Типорозмір | швидкохідний | тихохідний | ||||||
| d | l | b | t | d | l | b | t | |
| 1Ц2У-200-16 | 25k6 | 58 | 8 | 28 | 65m6 | 105 | 18 | 69 |
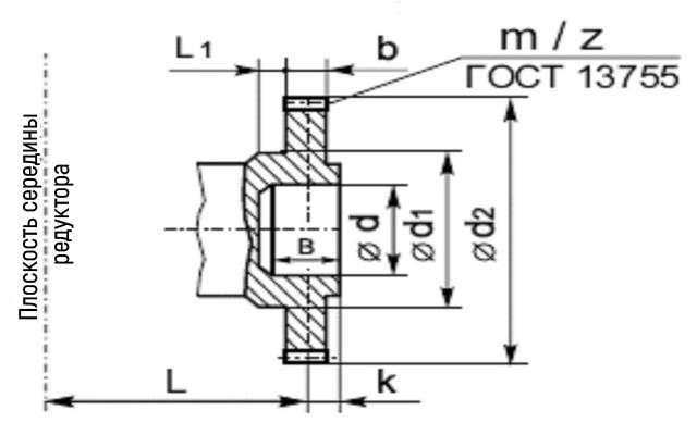
Приєднувальні розміри у вигляді зубчастої напівмуфти редуктора 1Ц2У-200

| Типорозмір | b | d | 1 | 2 | 3 | L | l | 1 | Зачеплення | |
| m | z | |||||||||
| 1Ц2У-200-16 | 25 | 210 | 100 | 80F8 | 105 | 192 | 10 | 50 | 5 | 40 |
Технічні характеристики редуктора 1Ц2У-200
| Найменування технічних характеристик | Од. вим. | Типорозмір | |
| 1Ц2У-200 | |||
| Передавальні числа | 16 | ||
| Допустиме радіальне консольне навантаження | на швидкохідному валу | Н | 2240 |
| на тихохідному валу | 12500 | ||
| Номінальний момент, що крутить, на тихохідному валу | Н.м | 2500 | |
| ККД | % | 0,97 | |
| Маса | кг | 170 | |
Варіанти складання редукторів 1Ц2У

Схема умовних позначень 1Ц2У

Редуктор 1Ц2У-200-16
Відгуків про цей товар ще не було.
Немає відгуків про цей товар, станьте першим, залиште свій відгук.
Немає питань про даний товар, станьте першим і задайте своє питання.