Редуктор 1Ц2У-200-31.5-21
Циліндричний редуктор 1Ц2У-200-31.5 варіанта складання 21
Використовуйте редуктор 1Ц2У-200-31.5-21 для отримання необхідних значень моменту крутіння та частоти обертання валів.
Цей перетворювач здатний працювати з дуже високою продуктивністю, адже не зазнає ніяких теплових втрат.
Ви можете купити редуктор 1Ц2У у варіанті складання 21 з неколлінеарним розташуванням виходів двох валів - тихохідного та швидкохідного.
Варіант складання редуктора

Умови застосування
| Опис | Характеристика |
| Тип навантаження | Постійний, змінний |
| Напрямок навантаження | Прямий, реверсивний |
| Можливість обертання валів в обох напрямках | Підтримується |
| Максимально допустима частота обертання вхідного вала | 1800 об/хв |
| Тип атмосфери, запиленість | I і II за ГОСТ 15150-69, не більш ніж 10 мг/м3 |
| Кліматичне виконання, категорія розміщення | У, Т, УХЛ, О, категорія розміщення 1-4 відповідно до ГОСТ 15150 |
Дізнайтесь більше про цікаві для вас промислові перетворювачі та інші типи обладнання у менеджерів компанії «Промпривод». Телефонуйте нам у будь-який час, щоб купити циліндричний редуктор 1Ц2У в будь-якому варианті складання за низькою ціною. Співпрацюючи з нами, ви отримуєте якісне профоснащення у повній відповідності до очікувань! Обладнання, що надається вам, має всі необхідні документи, гарантію і може бути доставлене в будь-яке місто України.
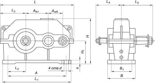
Схема габаритних і приєднувальних розмірів редуктора 1Ц2У-200

| Aw т | Aw б | A | B | B 1 | H | H 1 | h | L | L 1 | L 2 | L 3 | L 4 | L 5 | d |
| 200 | 125 | 515 | 230 | 165 | 420 | 212 | 30 | 670 | 580 | 165 | 236 | 212 | 280 | 24 |
Основні технічні характеристики редукторів 1Ц2У
| Найменування технічних характеристик | Типорозмір редуктора | |
| 1Ц2У-200 | ||
| Передавальні числа | 8; 10; 12.5; 16; 20; 25; 31.5; 40 | |
| Допустиме радіальне консольне навантаження, Н | на швидкохідному валу | 3150 |
| на тихохідному валу | 18000 | |
| Номінальний момент, що крутить, на тихохідному валу, Н.м. | 2500 | |
| ККД | 0,97 | |
| Маса, кг | 170 | |
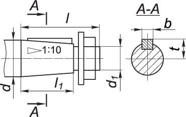
Приєднувальні розміри конічних валів редуктора 1Ц2У

| Швидкохідний вал | Тихохідний вал | ||||||||||
| d | d 1 | l | l 1 | b | t | d | d 1 | l | l 1 | b | t |
| 30 | М20х1,5 | 80 | 58 | 5 | 15,55 | 70 | М48х3,0 | 140 | 105 | 18 | 36,38 |
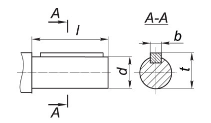
Приєднувальні розміри циліндричних валів редуктора 1Ц2У

| Швидкохідний вал | Тихохідний вал | ||||||
| d | l | b | t | d | l | b | t |
| 25k6 | 58 | 8 | 28 | 65m6 | 105 | 18 | 69 |
Приєднувальні розміри порожнистого валу редуктора 1Ц2У-200

Умовне позначення редуктора 1Ц2У

Відгуків про цей товар ще не було.
Немає відгуків про цей товар, станьте першим, залиште свій відгук.
Немає питань про даний товар, станьте першим і задайте своє питання.