Редуктор 1Ц2У-250-12.5-12
Циліндричний редуктор 1Ц2У-250-12.5 варіанта складання 12
Редуктор 1Ц2У-250-12.5-12 використовується для оптимізації робочого процесу, забезпечуючи необхідну частоту обертання і крутний момент.
Цей горизонтальний циліндричний двоступінчастий перетворювач можна встановити в різних галузях промисловості, щоб підвищити ефективність системи.
Для правильного встановлення важливо враховувати тип складання редуктора. У компанії "Промпривод » ви можете придбати редуктор 1Ц2У в будь-якій відповідній конфігурації. Якщо виконавчий механізм і двигун будуть встановлені з протилежних сторін редуктора, вибирайте складання 12.
Варіант складання редуктора

Умови застосування
| Опис | Характеристика |
| Тип навантаження | Постійний, змінний |
| Напрямок навантаження | Прямий, реверсивний |
| Можливість обертання валів в обох напрямках | Підтримується |
| Максимально допустима частота обертання вхідного вала | 1800 об/хв |
| Тип атмосфери, запиленість | I і II за ГОСТ 15150-69, не більш ніж 10 мг/м3 |
| Кліматичне виконання, категорія розміщення | У, Т, УХЛ, О, категорія розміщення 1-4 відповідно до ГОСТ 15150 |
Підібрати найкращий варіант промислового обладнання вам допоможуть наші досвідчені та компетентні менеджери. Співробітники компанії «Промпривод» нададуть повну інформацію щодо будь-якого пристрою, який вас цікавить. У нас можна купити редуктор 1Ц2У у всіх варіантах складання за найкращою в Україні ціною.
Здійснюємо оперативне оформлення замовлення та доставку до будь-якого міста країни за лічені дні. Кожен придбаний у нас механізм супроводжується паспортом та сертифікатом.
«Промпривод» - вірний помічник у вирішенні найскладніших промислових завдань.
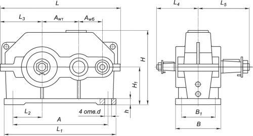
Схема габаритних і приєднувальних розмірів редуктора 1Ц2У-250

| Aw т | Aw б | A | B | B 1 | H | H 1 | h | L | L 1 | L 2 | L 3 | L 4 | L 5 | d |
| 250 | 160 | 670 | 280 | 218 | 515 | 265 | 32 | 825 | 730 | 212 | 290 | 265 | 335 | 28 |
Основні технічні характеристики редукторів 1Ц2У
| Найменування технічних характеристик | Типорозмір редуктора | |
| 1Ц2У-250 | ||
| Передавальні числа | 8; 10; 12.5; 16; 20; 25; 31.5; 40 | |
| Допустиме радіальне консольне навантаження, Н | на швидкохідному валу | 3150 |
| на тихохідному валу | 18000 | |
| Номінальний момент, що крутить, на тихохідному валу, Н.м. | 5000 | |
| ККД | 0,97 | |
| Маса, кг | 320 | |
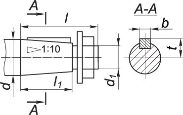
Приєднувальні розміри конічних валів редуктора 1Ц2У

| Швидкохідний вал | Тихохідний вал | ||||||||||
| d | d 1 | l | l 1 | b | t | d | d 1 | l | l 1 | b | t |
| 40 | М24х2,0 | 110 | 82 | 10 | 20,9 | 90 | М64х4,0 | 170 | 130 | 22 | 46,75 |
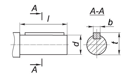
Приєднувальні розміри циліндричних валів редуктора 1Ц2У

| Швидкохідний вал | Тихохідний вал | ||||||
| d | l | b | t | d | l | b | t |
| 35k6 | 82 | 10 | 38 | 85m6 | 170 | 22 | 90 |
Приєднувальні розміри порожнистого валу редуктора 1Ц2У-250

Умовне позначення редуктора 1Ц2У

Відгуків про цей товар ще не було.
Немає відгуків про цей товар, станьте першим, залиште свій відгук.
Немає питань про даний товар, станьте першим і задайте своє питання.