Редуктор 1Ц2У-250-12.5
Редуктор 1Ц2У-250-12.5
Редуктор 1Ц2У-250-12.5 відноситься до потужних та надійних пристроїв. Його встановлюють для збільшення крутного моменту і зменшення частоти обертання. Вали, даного перетворювача, можуть обертатися в обидві сторони.
Така особливість дозволяє працювати з реверсивним навантаженням. Також привід оптимально працює тривалий час без зупинок з постійним навантаженням. Редуктор 1Ц2У-250-12.5 не любить пилу, так що найкраще його встановлювати в неагресивному і слабо запиленому середовищі.
Компанія «Промпривод» постачає товар найкращої якості. Купуючи пристрої у нас, ви отримуєте ціну та гарантію на 12 місяців від виробника. Також з кожним пристроєм йде оригінальний паспорт, з усіма печатками ВТК. Доставка здійснюється по всіх куточках України, у визначені раніше терміни. Для постійних клієнтів та оптових покупців діє гнучка система знижок.
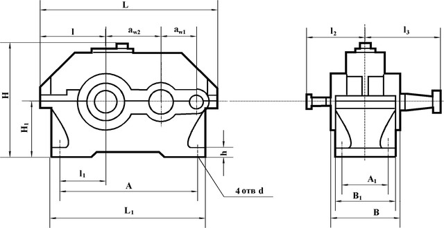
Схема габаритних та приєднувальних розмірів редуктора 1Ц2У-250

| Типорозмір | wт | wб | A | B | 1 | H | 1 | h | L | 1 | 2 | 3 | 4 | 5 | d |
| 1Ц2У- 250-12.5 | 250 | 160 | 670 | 280 | 218 | 515 | 265 | 32 | 825 | 730 | 212 | 290 | 265 | 335 | 28 |
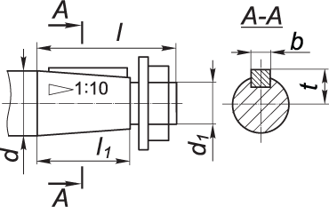
Приєднувальні розміри конічних валів редуктора 1Ц2У-250

| Типорозмір | швидкохідний | тихохідний | ||||||||||
| d | 1 | l | 1 | b | t | d | 1 | l | 1 | b | t | |
| 1Ц2У-250-12.5 | 40 | М24х2,0 | 110 | 82 | 10 | 20,9 | 90 | М64х4,0 | 170 | 130 | 22 | 46,75 |
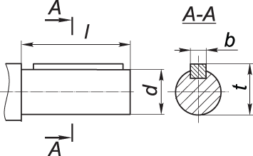
Приєднувальні розміри циліндричних валів редуктора 1Ц2У-250

| Типорозмір | швидкохідний | тихохідний | ||||||
| d | l | b | t | d | l | b | t | |
| 1Ц2У-250-12.5 | 35k6 | 82 | 10 | 38 | 85m6 | 170 | 22 | 90 |
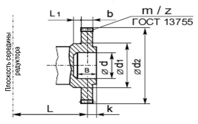
Приєднувальні розміри у вигляді зубчастої напівмуфти редуктора 1Ц2У-250

| Типорозмір | b | d | 1 | 2 | 3 | L | l | 1 | Зачеплення | |
| m | z | |||||||||
| 1Ц2У-250-12.5 | 30 | 232 | 150 | 120F8 | 170 | 231 | 10 | 50 | 4 | 56 |
Технічні характеристики редуктора 1Ц2У-250
| Найменування технічних характеристик | Од. вим. | Типорозмір | |
| 1Ц2У-250 | |||
| Передавальні числа | 12.5 | ||
| Допустиме радіальне консольне навантаження | на швидкохідному валу | Н | 3150 |
| на тихохідному валу | 18000 | ||
| Номінальний момент, що крутить, на тихохідному валу | Н.м | 5000 | |
| ККД | % | 0,97 | |
| Маса | кг | 320 | |
Варіанти складання редукторів 1Ц2У
Схема умовних позначень 1Ц2У

Редуктор 1Ц2У-250-12.5
Відгуків про цей товар ще не було.
Немає відгуків про цей товар, станьте першим, залиште свій відгук.
Немає питань про даний товар, станьте першим і задайте своє питання.
