Редуктор 1Ц2У-250-20-11
Циліндричний редуктор 1Ц2У-250-20 варіанта складання 11
Редуктор 1Ц2У-250-20-11 - це механізм, у поєднанні з електричним двигуном, що допомагає створити в приводних системах оптимальні умови для отримання найбільш продуктивних процесів.
Агрегат знижує частоту обертання, що сприяє підвищенню крутного моменту. Такі пристрої можуть бути складені за різними варіантами складання, опис для редукторів загального призначення можна знайти в ГОСТ 20373.
Варіант складання редуктора

Умови застосування
| Опис | Характеристика |
| Тип навантаження | Постійний, змінний |
| Напрямок навантаження | Прямий, реверсивний |
| Можливість обертання валів в обох напрямках | Підтримується |
| Максимально допустима частота обертання вхідного вала | 1800 об/хв |
| Тип атмосфери, запиленість | I і II за ГОСТ 15150-69, не більш ніж 10 мг/м3 |
| Кліматичне виконання, категорія розміщення | У, Т, УХЛ, О, категорія розміщення 1-4 відповідно до ГОСТ 15150 |
Підібрати найкращий варіант промислового обладнання вам допоможуть наші досвідчені та компетентні менеджери. Співробітники компанії «Промпривод» нададуть повну інформацію щодо будь-якого пристрою, який вас цікавить. У нас можна купити редуктор 1Ц2У у всіх варіантах складання за найкращою в Україні ціною.
Здійснюємо оперативне оформлення замовлення та доставку до будь-якого міста країни за лічені дні. Кожен придбаний у нас механізм супроводжується паспортом та сертифікатом.
«Промпривод» - вірний помічник у вирішенні найскладніших промислових завдань.
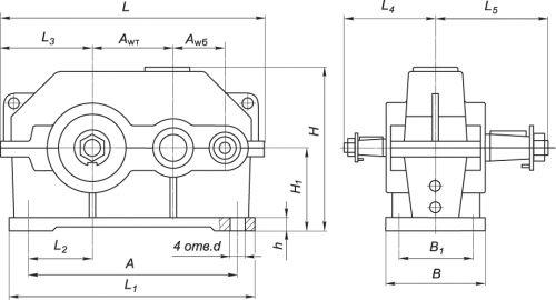
Схема габаритних і приєднувальних розмірів редуктора 1Ц2У-250

| Aw т | Aw б | A | B | B 1 | H | H 1 | h | L | L 1 | L 2 | L 3 | L 4 | L 5 | d |
| 250 | 160 | 670 | 280 | 218 | 515 | 265 | 32 | 825 | 730 | 212 | 290 | 265 | 335 | 28 |
Основні технічні характеристики редукторів 1Ц2У
| Найменування технічних характеристик | Типорозмір редуктора | |
| 1Ц2У-250 | ||
| Передавальні числа | 8; 10; 12.5; 16; 20; 25; 31.5; 40 | |
| Допустиме радіальне консольне навантаження, Н | на швидкохідному валу | 3150 |
| на тихохідному валу | 18000 | |
| Номінальний момент, що крутить, на вихідному валу, Н.м. | 5000 | |
| ККД | 0,97 | |
| Маса, кг | 320 | |
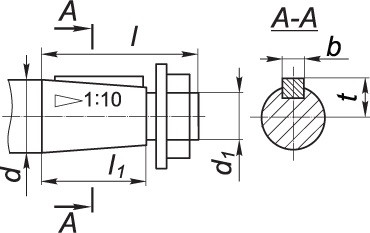
Приєднувальні розміри конічних валів редуктора 1Ц2У

| Швидкохідний вал | Тихохідний вал | ||||||||||
| d | d 1 | l | l 1 | b | t | d | d 1 | l | l 1 | b | t |
| 40 | М24х2,0 | 110 | 82 | 10 | 20,9 | 90 | М64х4,0 | 170 | 130 | 22 | 46,75 |
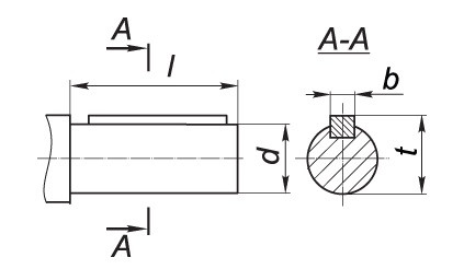
Приєднувальні розміри циліндричних валів редуктора 1Ц2У

| Швидкохідний вал | Тихохідний вал | ||||||
| d | l | b | t | d | l | b | t |
| 35k6 | 82 | 10 | 38 | 85m6 | 170 | 22 | 90 |
Приєднувальні розміри порожнистого валу редуктора 1Ц2У-250

Умовне позначення редуктора 1Ц2У

Редуктор 1Ц2У-250-20-11
Відгуків про цей товар ще не було.
Немає відгуків про цей товар, станьте першим, залиште свій відгук.
Немає питань про даний товар, станьте першим і задайте своє питання.