Редуктор 1Ц2У-250-31.5-11
Циліндричний редуктор 1Ц2У-250-31.5 варіанта складання 11
Циліндричний редуктор 1Ц2У-250-31.5-11 має два перетворювальні ступеня, що допомагають в отриманні необхідних значень моменту крутіння і швидкості обертання для передачі виконавчій ланці.
Для підключення редуктора використовуються висновки тихохідного та швидкохідного валів, просторове розташування яких визначає варіант складання. Відповідно до 11 складання перетворювач має два виведення валу, що знаходяться на одній стороні пристрою.
Варіант складання редуктора

Умови застосування
| Опис | Характеристика |
| Тип навантаження | Постійний, змінний |
| Напрямок навантаження | Прямий, реверсивний |
| Можливість обертання валів в обох напрямках | Підтримується |
| Максимально допустима частота обертання вхідного вала | 1800 об/хв |
| Тип атмосфери, запиленість | I і II за ГОСТ 15150-69, не більш ніж 10 мг/м3 |
| Кліматичне виконання, категорія розміщення | У, Т, УХЛ, О, категорія розміщення 1-4 відповідно до ГОСТ 15150 |
Підібрати найкращий варіант промислового обладнання вам допоможуть наші досвідчені та компетентні менеджери. Співробітники компанії «Промпривод» нададуть повну інформацію щодо будь-якого пристрою, який вас цікавить. У нас можна купити редуктор 1Ц2У у всіх варіантах складання за найкращою в Україні ціною.
Здійснюємо оперативне оформлення замовлення та доставку до будь-якого міста країни за лічені дні. Кожен придбаний у нас механізм супроводжується паспортом та сертифікатом.
«Промпривод» - вірний помічник у вирішенні найскладніших промислових завдань.
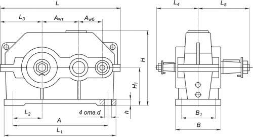
Схема габаритних і приєднувальних розмірів редуктора 1Ц2У-250

| Aw т | Aw б | A | B | B 1 | H | H 1 | h | L | L 1 | L 2 | L 3 | L 4 | L 5 | d |
| 250 | 160 | 670 | 280 | 218 | 515 | 265 | 32 | 825 | 730 | 212 | 290 | 265 | 335 | 28 |
Основні технічні характеристики редукторів 1Ц2У
| Найменування технічних характеристик | Типорозмір редуктора | |
| 1Ц2У-250 | ||
| Передавальні числа | 8; 10; 12.5; 16; 20; 25; 31.5; 40 | |
| Допустиме радіальне консольне навантаження, Н | на швидкохідному валу | 3150 |
| на тихохідному валу | 18000 | |
| Номінальний момент, що крутить, на тихохідному валу, Н.м. | 5000 | |
| ККД | 0,97 | |
| Маса, кг | 320 | |
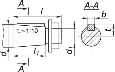
Приєднувальні розміри конічних валів редуктора 1Ц2У

| Швидкохідний вал | Тихохідний вал | ||||||||||
| d | d 1 | l | l 1 | b | t | d | d 1 | l | l 1 | b | t |
| 40 | М24х2,0 | 110 | 82 | 10 | 20,9 | 90 | М64х4,0 | 170 | 130 | 22 | 46,75 |
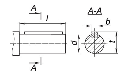
Приєднувальні розміри циліндричних валів редуктора 1Ц2У

| Швидкохідний вал | Тихохідний вал | ||||||
| d | l | b | t | d | l | b | t |
| 35k6 | 82 | 10 | 38 | 85m6 | 170 | 22 | 90 |
Приєднувальні розміри порожнистого валу редуктора 1Ц2У-250

Умовне позначення редуктора 1Ц2У

Відгуків про цей товар ще не було.
Немає відгуків про цей товар, станьте першим, залиште свій відгук.
Немає питань про даний товар, станьте першим і задайте своє питання.