Редуктор 1Ц2У-250-31.5
Редуктор 1Ц2У-250-31.5
Редуктор 1Ц2У-250-31.5 використовують у приводах різного обладнання для збільшення крутного моменту та зменшення частоти обертання валу. Його встановлюють на загальномашинобудівне обладнання.
Дані приводи дуже надійні та практично незамінні помічники на виробництві. Пристрій працює при різних навантаженнях, як із зупинками, так і безперервно.
Валі перетворювача обертаються у різні боки, без особливої переваги. Такі редуктори не варто встановлювати в запилених приміщеннях. Агрегати мають довгий термін служби та прості в експлуатації.
Компанія «Промпривод» постачає товар найкращої якості. Купуючи пристрої у нас, ви отримуєте ціну та гарантію на 12 місяців від виробника. Також з кожним пристроєм йде оригінальний паспорт, з усіма печатками ВТК. Доставка здійснюється по всіх куточках України, у визначені раніше терміни. Для постійних клієнтів та оптових покупців діє гнучка система знижок.
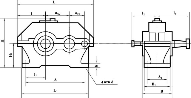
Схема габаритних і приєднувальних розмірів редуктора 1Ц2У-250

| Типорозмір | wт | wб | A | B | 1 | H | 1 | h | L | 1 | 2 | 3 | 4 | 5 | d |
| 1Ц2У- 250-31.5 | 250 | 160 | 670 | 280 | 218 | 515 | 265 | 32 | 825 | 730 | 212 | 290 | 265 | 335 | 28 |
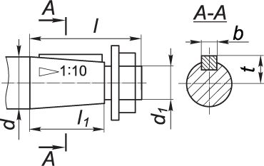
Приєднувальні розміри конічних валів редуктора 1Ц2У-250

| Типорозмір | швидкохідний | тихохідний | ||||||||||
| d | 1 | l | 1 | b | t | d | 1 | l | 1 | b | t | |
| 1Ц2У-250-31.5 | 40 | М24х2,0 | 110 | 82 | 10 | 20,9 | 90 | М64х4,0 | 170 | 130 | 22 | 46,75 |
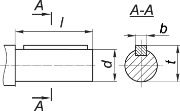
Приєднувальні розміри циліндричних валів редуктора 1Ц2У-250

| Типорозмір | швидкохідний | тихохідний | ||||||
| d | l | b | t | d | l | b | t | |
| 1Ц2У-250-31.5 | 35k6 | 82 | 10 | 38 | 85m6 | 170 | 22 | 90 |
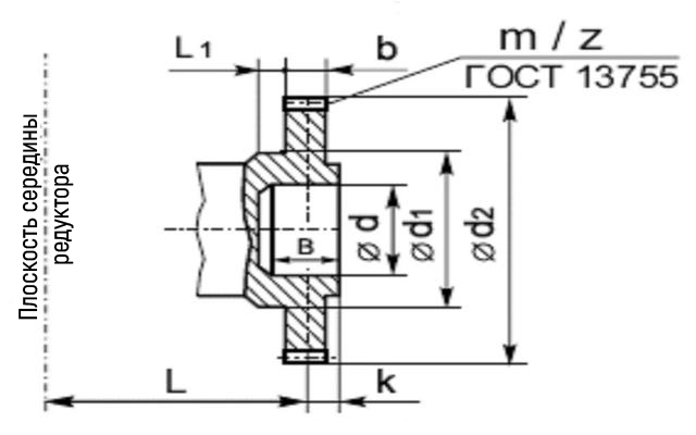
Приєднувальні розміри у вигляді зубчастої напівмуфти редуктора 1Ц2У-250

| Типорозмір | b | d | 1 | 2 | 3 | L | l | 1 | Зачеплення | |
| m | z | |||||||||
| 1Ц2У-250-31.5 | 30 | 232 | 150 | 120F8 | 170 | 231 | 10 | 50 | 4 | 56 |
Технічні характеристики редуктора 1Ц2У-250
| Найменування технічних характеристик | Од. вим. | Типорозмір | |
| 1Ц2У-250 | |||
| Передавальні числа | 31.5 | ||
| Допустиме радіальне консольне навантаження | на швидкохідному валу | Н | 3150 |
| на тихохідному валу | 18000 | ||
| Номінальний момент, що крутить, на тихохідному валу | Н.м | 5000 | |
| ККД | % | 0,97 | |
| Маса | кг | 320 | |
Варіанти складання редукторів 1Ц2У
Схема умовних позначень 1Ц2У

Редуктор 1Ц2У-250-31.5
Відгуків про цей товар ще не було.
Немає відгуків про цей товар, станьте першим, залиште свій відгук.
Немає питань про даний товар, станьте першим і задайте своє питання.
