Редуктор 1Ц2У-315-40
Редуктор 1Ц2У-315-40
Редуктор 1Ц2У-315-40 – це циліндричний горизонтальний пристрій, що широко застосовується в промисловості. Основне завдання такого механізму в зміні моменту, що крутить, і частоти обертання валу в приводах. Для стабільної та довгої служби перетворювач не варто встановлювати в запиленому або вибухонебезпечному середовищі.
Вали агрегату обертаються в різні боки, без особливої переваги, що дозволяє пристрою працювати з реверсивним навантаженням. Редуктор розрахований на роботу із зупинками, а також на роботу в режимі 24 години із постійним навантаженням.
Компанія виробник «Промпривод» вже більше 10 років вважається надійним постачальником найякіснішої продукції. Співпрацюючи з нами ви отримуєте низку переваг:
- Гарантія на 12 місяців.
- Оригінальний паспорт.
- 100% виконання умов договору.
- Доставка у будь-який куточок України, в обумовлені раніше терміни.
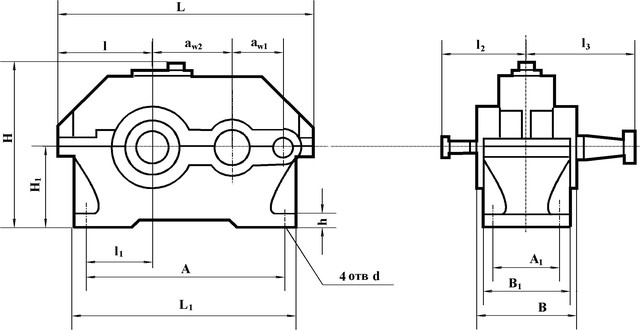
Схема габаритних і приєднувальних розмірів редуктора 1Ц2У-315

| Типорозмір | A wт | A wб | B | B1 | B2 | H | H1 | h | L | L1 | L2 | L3 | L4 | L5 | d |
| 1Ц2У- 315-40 | 315 | 200 | 395 | 260 | 318 | 685 | 335 | 35 | 1030 | 370 | 215 | 360 | 300 | 420 | 28 |
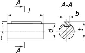
Приєднувальні розміри конічних валів редуктора 1Ц2У-315
| Типорозмір | швидкохідний вал | тихохідний вал | ||||||
| d | l | b | t | d | l | b | t | |
| 1Ц2У-315-40 | 50k6 | 110 | 14 | 53,5 | 110m6 | 210 | 28 | 116 |
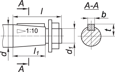
Приєднувальні розміри циліндричних валів редуктора 1Ц2У-315

| Типорозмір | b | d | d1 | d2 | d3 | L | l | l1 | Зачеплення | |
| m | z | |||||||||
| 1Ц2У-315-40 | 30 | 252 | 130 | 110F8 | 140 | 275 | 10 | 60 | 6 | 40 |
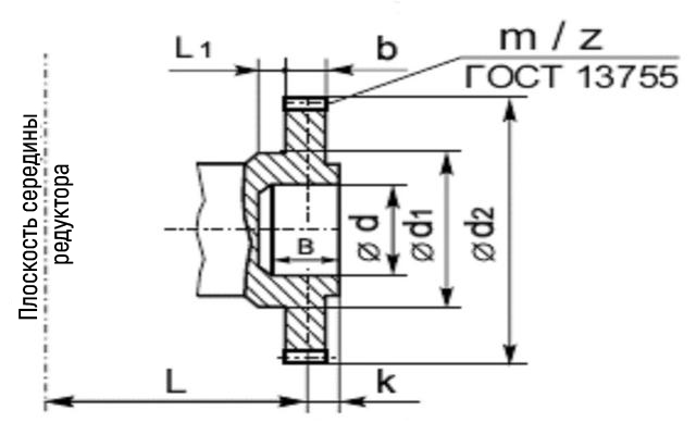
Приєднувальні розміри у вигляді зубчастої напівмуфти редуктора 1Ц2У-315

| Типорозмір | b | d | d1 | d2 | d3 | L |
| 1Ц2У-315-40 | 5 | 110h9 | 75h9 | 55 | М8х20 | 200 |
Технічні характеристики редуктора 1Ц2У-315
| Найменування технічних характеристик | Од. вим. | Типорозмір | |
| 1Ц2У-315 | |||
| Передавальні числа | 40 | ||
| Допустиме радіальне консольне навантаження | на швидкохідному валу | Н | 3500 |
| на т/х циліндричному валу | 30000 | ||
| на т/х валу у вигляді зубчастої муфти | 40000 | ||
| Номінальний момент, що крутить, на вихідному валу | Н.м. | 10000 | |
| ККД | % | 0,98 | |
| Маса | кг | 510 | |
Варіанти складання редукторів 1Ц2У
Схема умовних позначень 1Ц2У
Редуктор 1Ц2У-315-40
Відгуків про цей товар ще не було.
Немає відгуків про цей товар, станьте першим, залиште свій відгук.
Немає питань про даний товар, станьте першим і задайте своє питання.


