Редуктор 1Ц2У-315-8-22
Циліндричний редуктор 1Ц2У-315-8 варіанта складання 22
Циліндричний редуктор 1Ц2У-315-8-22 має такі особливості:
- Наявність два ступені, що дозволяють перетворювати задані величини до необхідних значень.
- Горизонтальне виконання для фіксації відповідно розташованої поверхні за допомогою металовиробів.
- Чавунний корпус, що роз'єднується по осі розташування валів для обслуговування.
- Два виведення валів для колінеарного підключення двигуна та виконавчого механізму.
Варіант складання редуктора

Умови застосування
| Опис | Характеристика |
| Тип навантаження | Постійний, змінний |
| Напрямок навантаження | Прямий, реверсивний |
| Можливість обертання валів в обох напрямках | Підтримується |
| Максимально допустима частота обертання вхідного вала | 1800 об/хв |
| Тип атмосфери, запиленість | I і II за ГОСТ 15150-69, не більш ніж 10 мг/м3 |
| Кліматичне виконання, категорія розміщення | У, Т, УХЛ, О, категорія розміщення 1-4 відповідно до ГОСТ 15150 |
Величезний вибір перетворювальної техніки в каталозі заводу-виробника «Промпривод»
У нас ви можете купити редуктор 1Ц2У за прийнятною вартістю, а також з такими обов'язковими особливостями:
- Наявність тривалої та чесної гарантії, що працює у разі потреби із заміною, поверненням або ремонтом обладнання.
- Доступна та докладна консультація, покликана допомогти вам у виборі редуктора необхідної потужності та моделі.
- Вкрай низька на редуктор ціна без переплат.
- Доставка по Україні в Харків, Одесу, Київ, інші міста та населені пункти.
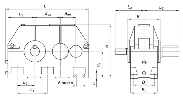
Схема габаритних і приєднувальних розмірів редуктора 1Ц2У-315

| Aw т | Aw б | B | B 1 | B 2 | H | H 1 | h | L | L 1 | L 2 | L 3 | L 4 | L 5 | d |
| 315 | 200 | 395 | 260 | 318 | 685 | 335 | 35 | 1030 | 370 | 215 | 360 | 300 | 420 | 28 |
Основні технічні характеристики редукторів 1Ц2У
| Найменування технічних характеристик | Типорозмір редуктора | |
| 1Ц2У-315 | ||
| Передавальні числа | 8; 10; 12.5; 16; 20; 25; 31.5; 40; 50 | |
| Допустиме радіальне консольне навантаження, Н | на швидкохідному валу | 3500 |
| на тихохідному циліндричному валу | 30000 | |
| на т/х валу у вигляді зубчастої муфти | 40000 | |
| Номінальний момент, що крутить, на вихідному валу, Н.м. | 10000 | |
| ККД | 0,98 | |
| Маса, кг | 510 | |
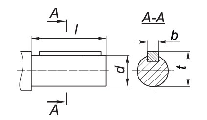
Приєднувальні розміри циліндричних валів редуктора 1Ц2У

| Швидкохідний вал | Тихохідний вал | ||||||
| d | l | b | t | d | l | b | t |
| 50k6 | 110 | 14 | 53,5 | 110m6 | 210 | 28 | 116 |
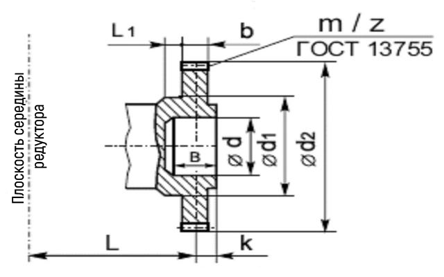
Приєднувальні розміри валу редуктора 1Ц2У, створеного у вигляді зубчастої напівмуфти

| b | d | d 1 | d 2 | d 3 | L | l | l 1 | Зачеплення | |
| m | z | ||||||||
| 30 | 252 | 130 | 110F8 | 140 | 275 | 10 | 60 | 6 | 40 |
Умовне позначення редуктора 1Ц2У

Редуктор 1Ц2У-315-8-22
Відгуків про цей товар ще не було.
Немає відгуків про цей товар, станьте першим, залиште свій відгук.
Немає питань про даний товар, станьте першим і задайте своє питання.