Редуктор 1Ц2У-355-12.5-22
Циліндричний редуктор 1Ц2У-355-12.5 варіанта складання 22
Редуктор 1Ц2У-355-12.5-22 - це циліндричний пристрій із двома передачами. Належить до горизонтальних механізмів.
Агрегат цього типу може бути використаний як промисловий демультиплікатор для зниження частоти обертання.
Підключення редуктора може відбуватися різними способами, на що впливає варіант складання. У нас ви можете купити редуктор в будь-якому складанні, що цікавить вас, за вигідною ціною.
Варіант складання редуктора

Умови застосування
| Опис | Характеристика |
| Тип навантаження | Постійний, змінний |
| Напрямок навантаження | Прямий, реверсивний |
| Можливість обертання валів в обох напрямках | Підтримується |
| Максимально допустима частота обертання вхідного вала | 1800 об/хв |
| Тип атмосфери, запиленість | I і II за ГОСТ 15150-69, не більш ніж 10 мг/м3 |
| Кліматичне виконання, категорія розміщення | У, Т, УХЛ, О, категорія розміщення 1-4 відповідно до ГОСТ 15150 |
Дізнайтесь більше про необхідний пристрій від менеджерів компанії «Промпривод». Ми – досвідчені виробники промислового обладнання. Поставляємо товари по всьому українському сегменту. Наше підприємство підтримує показник «редуктор 1Ц2У ціна» на прийнятному рівні, працюючи без посередників та перекупників. Надаємо чесну гарантію на всі види техніки, що діє 12 місяців.
«Промпривод» – ваш найкращий провідник у світ якісного промислового обладнання!
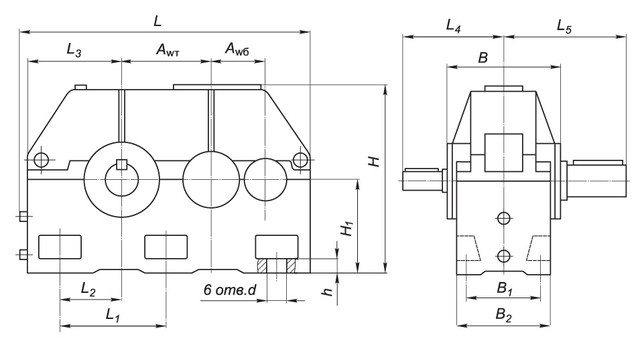
Схема габаритних і приєднувальних розмірів редуктора 1Ц2У-355

| Aw т | Aw б | B | B 1 | B 2 | H | H 1 | h | L | L 1 | L 2 | L 3 | L 4 | L 5 | d |
| 355 | 225 | 435 | 280 | 360 | 740 | 375 | 35 | 1160 | 425 | 250 | 400 | 320 | 440 | 28 |
Основні технічні характеристики редукторів 1Ц2У
| Найменування технічних характеристик | Типорозмір редуктора | |
| 1Ц2У-355 | ||
| Передавальні числа | 8; 10; 12.5; 16; 20; 25; 31.5; 40; 50 | |
| Допустиме радіальне консольне навантаження, Н | на швидкохідному валу | 3500 |
| на тихохідному циліндричному валу | 30000 | |
| на т/х валу у вигляді зубчастої муфти | 40000 | |
| Номінальний момент, що крутить, на вихідному валу, Н.м. | 20000 | |
| ККД | 0,98 | |
| Маса, кг | 700 | |
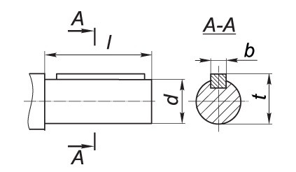
Приєднувальні розміри циліндричних валів редуктора 1Ц2У

| Швидкохідний вал | Тихохідний вал | ||||||
| d | l | b | t | d | l | b | t |
| 55m6 | 110 | 16 | 59 | 125m6 | 210 | 32 | 132 |
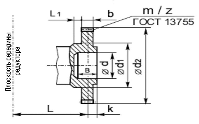
Приєднувальні розміри валу редуктора 1Ц2У, створеного у вигляді зубчастої напівмуфти

| b | d | d 1 | d 2 | d 3 | L | l | l 1 | Зачеплення | |
| m | z | ||||||||
| 35 | 294 | 130 | 110F8 | 140 | 310 | 12,5 | 65 | 7 | 40 |
Умовне позначення редуктора 1Ц2У

Відгуків про цей товар ще не було.
Немає відгуків про цей товар, станьте першим, залиште свій відгук.
Немає питань про даний товар, станьте першим і задайте своє питання.