Редуктор 1Ц2У-355-16
Редуктор 1Ц2У-355-16
Редуктор 1Ц2У-355-16 є двоступінчастим горизонтальним пристроєм із циліндричним типом передачі. Такі механізми призначені для зміни значень моменту, що крутить, і числа оборотів валу в приводах. Дані агрегати надійні, мають довгий термін служби та прості в експлуатації.
Вали перетворювача обертаються в різні боки, без особливої переваги, що дозволяє пристрою працювати з реверсивним навантаженням. Редуктор розрахований на роботу із зупинками, а також на роботу в режимі 24 години із постійним навантаженням.
Співпрацюючи з компанією «Промпривод», ви отримуєте безліч переваг:
- 100% виконання всіх умов договору.
- Товар найвищої якості.
- Гарантія від виробника на рік.
- Відправлення та доставка у раніше обумовлені терміни.
- З кожним пристроєм йде паспорт.
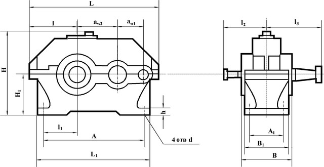
Схема габаритних і приєднувальних розмірів редуктора 1Ц2У-355

| Типорозмір | A wт | A wб | B | B1 | B2 | H | H1 | h | L | L1 | L2 | L3 | L4 | L5 | d |
| 1Ц2У- 355-16 | 355 | 225 | 435 | 280 | 360 | 740 | 375 | 35 | 1160 | 425 | 250 | 400 | 320 | 440 | 28 |
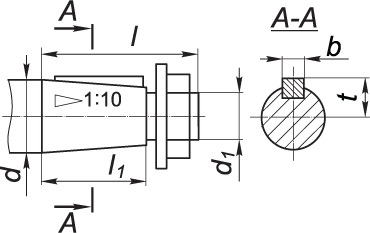
Приєднувальні розміри конічних валів редуктора 1Ц2У-355

| Типорозмір | швидкохідний вал | тихохідний вал | ||||||
| d | l | b | t | d | l | b | t | |
| 1Ц2У-355-16 | 55m6 | 110 | 16 | 59 | 125m6 | 210 | 32 | 132 |
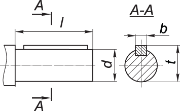
Приєднувальні розміри циліндричних валів редуктора 1Ц2У-355

| Типорозмір | b | d | d1 | d2 | d3 | L | l | l1 | Зачеплення | |
| m | z | |||||||||
| 1Ц2У-355-16 | 35 | 294 | 130 | 110F8 | 140 | 310 | 12.5 | 65 | 7 | 40 |
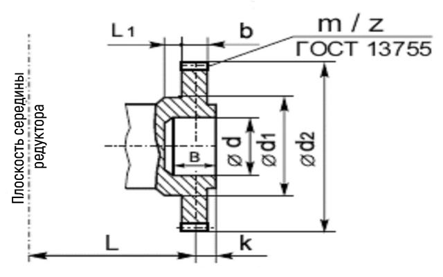
Приєднувальні розміри у вигляді зубчастої напівмуфти редуктора 1Ц2У-355

| Типорозмір | b | d | d1 | d2 | d3 | L |
| 1Ц2У-355-16 | 5 | 125h9 | 75h9 | 55 | М8х20 | 235 |
Технічні характеристики редуктора 1Ц2У-355
| Найменування технічних характеристик | Од. вим. | Типорозмір | |
| 1Ц2У-355 | |||
| Передавальні числа | 16 | ||
| Допустиме радіальне консольне навантаження | на швидкохідному валу | Н | 4200 |
| на т/х циліндричному валу | 40000 | ||
| на т/х валу у вигляді зубчастої муфти | 50000 | ||
| Номінальний момент, що крутить, на вихідному валу | Н.м. | 14000 | |
| ККД | % | 0,98 | |
| Маса | кг | 700 | |
Варіанти складання редукторів 1Ц2У

Схема умовних позначень 1Ц2У

Редуктор 1Ц2У-355-16
Відгуків про цей товар ще не було.
Немає відгуків про цей товар, станьте першим, залиште свій відгук.
Немає питань про даний товар, станьте першим і задайте своє питання.