Редуктор 1Ц2У-355-40-12
Циліндричний редуктор 1Ц2У-355-40 варіанта складання 12
Здійснити редукування механічних величин можна за допомогою перетворювального механічного пристрою - редуктора 1Ц2У-355-40-12. Він має циліндричний тип зачеплення, за рахунок чого працює при високому ККД та з великими потужностями у широкому діапазоні умов експлуатації.
Під'єднання до редуктора двигуна та виконавчого механізму здійснюється на підставі використання певного складання. Ми пропонуємо вам купити редуктор 1Ц2У в складанні 12 з паралельними неколлінеарними висновками кінців валів для підключення однієї робочої ланки та двигуна.
Варіант складання редуктора

Умови застосування
| Опис | Характеристика |
| Тип навантаження | Постійний, змінний |
| Напрямок навантаження | Прямий, реверсивний |
| Можливість обертання валів в обох напрямках | Підтримується |
| Максимально допустима частота обертання вхідного вала | 1800 об/хв |
| Тип атмосфери, запиленість | I і II за ГОСТ 15150-69, не більш ніж 10 мг/м3 |
| Кліматичне виконання, категорія розміщення | У, Т, УХЛ, О, категорія розміщення 1-4 відповідно до ГОСТ 15150 |
Дізнайтесь більше про необхідний пристрій від менеджерів компанії «Промпривод». Ми – досвідчені виробники промислового обладнання. Поставляємо товари по всьому українському сегменту. Наше підприємство підтримує показник «редуктор 1Ц2У ціна» на прийнятному рівні, працюючи без посередників та перекупників. Надаємо чесну гарантію на всі види техніки, що діє 12 місяців.
«Промпривод» – ваш найкращий провідник у світ якісного промислового обладнання!
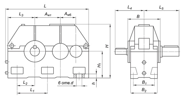
Схема габаритних і приєднувальних розмірів редуктора 1Ц2У-355

| Aw т | Aw б | B | B 1 | B 2 | H | H 1 | h | L | L 1 | L 2 | L 3 | L 4 | L 5 | d |
| 355 | 225 | 435 | 280 | 360 | 740 | 375 | 35 | 1160 | 425 | 250 | 400 | 320 | 440 | 28 |
Основні технічні характеристики редукторів 1Ц2У
| Найменування технічних характеристик | Типорозмір редуктора | |
| 1Ц2У-355 | ||
| Передавальні числа | 8; 10; 12.5; 16; 20; 25; 31.5; 40; 50 | |
| Допустиме радіальне консольне навантаження, Н | на швидкохідному валу | 3500 |
| на тихохідному циліндричному валу | 30000 | |
| на т/х валу у вигляді зубчастої муфти | 40000 | |
| Номінальний момент, що крутить, на вихідному валу, Н.м. | 20000 | |
| ККД | 0,98 | |
| Маса, кг | 700 | |
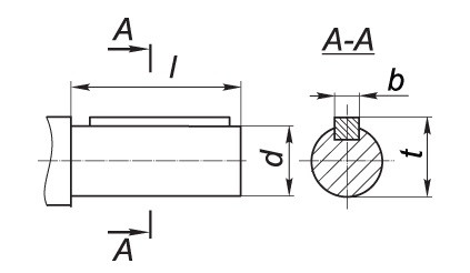
Приєднувальні розміри циліндричних валів редуктора 1Ц2У

| Швидкохідний вал | Тихохідний вал | ||||||
| d | l | b | t | d | l | b | t |
| 55m6 | 110 | 16 | 59 | 125m6 | 210 | 32 | 132 |
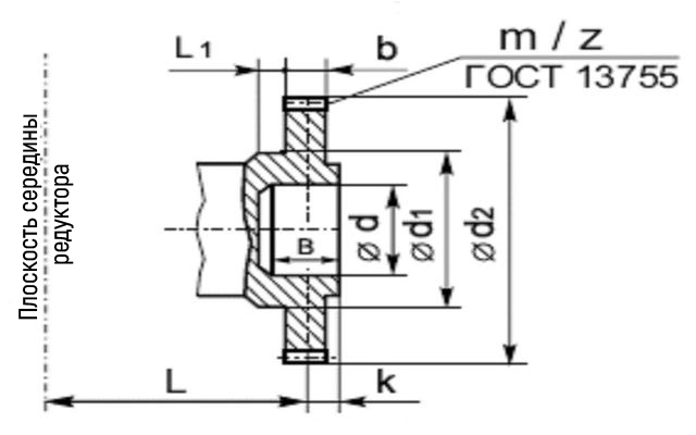
Приєднувальні розміри валу редуктора 1Ц2У, створеного у вигляді зубчастої напівмуфти

| b | d | d 1 | d 2 | d 3 | L | l | l 1 | Зачеплення | |
| m | z | ||||||||
| 35 | 294 | 130 | 110F8 | 140 | 310 | 12,5 | 65 | 7 | 40 |
Умовне позначення редуктора 1Ц2У

Редуктор 1Ц2У-355-40-12
Відгуків про цей товар ще не було.
Немає відгуків про цей товар, станьте першим, залиште свій відгук.
Немає питань про даний товар, станьте першим і задайте своє питання.