Редуктор 1Ц2У-400-10
Редуктор 1Ц2У-400-10
Редуктор 1Ц2У-400-10 використовують для зміни моменту, що крутить, і частоти обертання валу в приводах загальнопромислового обладнання. Основною перевагою такого пристрою – це високий ККД та довговічність.
Вали приводу обертаються в обидві сторони, що дозволяє використовувати його з різними навантаженнями. Номінальна частота оборотів вхідного валу становить 1800 об/хв. Такі механізми дуже цінують за їхню стабільну і безперебійну роботу.
Купуючи редуктори у компанії-виробника «Промпривод», ви отримуєте безліч плюсів, таких як:
- Висока якість товару.
- Гарантія на 12 місяців.
- Індивідуальний та унікальний паспорт.
- Виконання всіх умов договору на 100% в обумовлений термін.
- Доставка по всіх куточках країни.
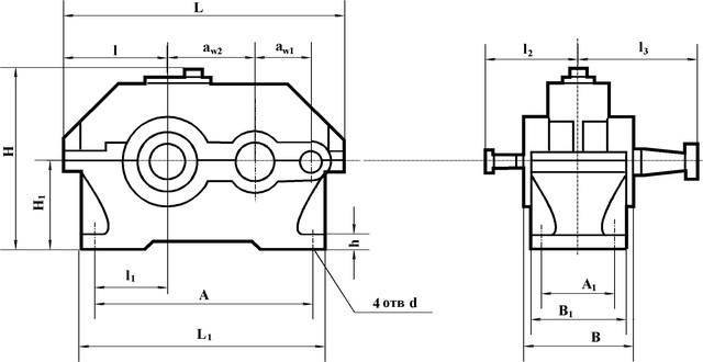
Схема габаритних і приєднувальних розмірів редуктора 1Ц2У-400

| Типорозмір | A wт | A wб | B | B1 | B2 | H | H1 | h | L | L1 | L2 | L3 | L4 | L5 | d |
| 1Ц2У- 400-10 | 400 | 250 | 475 | 330 | 420 | 835 | 425 | 42 | 1300 | 475 | 280 | 450 | 380 | 500 | 35 |
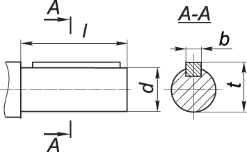
Приєднувальні розміри конічних валів редуктора 1Ц2У-400
| Типорозмір | швидкохідний вал | тихохідний вал | ||||||
| d | l | b | t | d | l | b | t | |
| 1Ц2У- 400-10 | 60m6 | 140 | 18 | 64 | 140m6 | 250 | 36 | 148 |
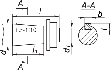
Приєднувальні розміри циліндричних валів редуктора 1Ц2У-400

| Типорозмір | b | d | d1 | d2 | d3 | L | l | l1 | Зачеплення | |
| m | z | |||||||||
| 1Ц2У-400-10 | 40 | 336 | 180 | 150F8 | 215 | 335 | 15 | 65 | 8 | 40 |
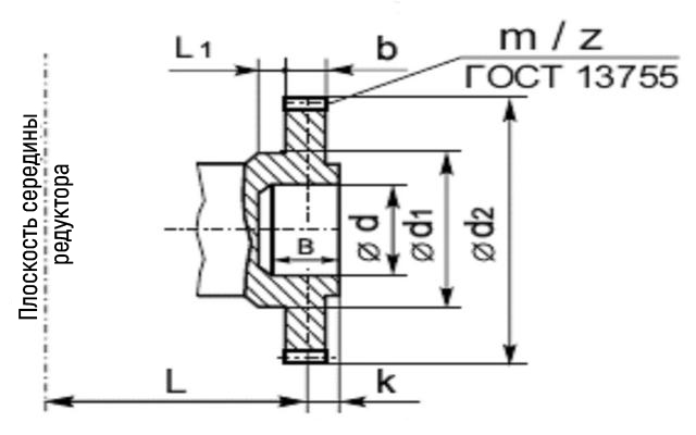
Приєднувальні розміри у формі зубчастої півмуфти редуктора 1Ц2У-400

| Типорозмір | b | d | d1 | d2 | d3 | L |
| 1Ц2У-400-10 | 5 | 140h9 | 75h9 | 55 | М8х20 | 240 |
Технічні характеристики редуктора 1Ц2У-400
| Найменування технічних характеристик | Од. вим. | Типорозмір | |
| 1Ц2У-400 | |||
| Передавальні числа | 10 | ||
| Допустиме радіальне консольне навантаження | на швидкохідному валу | Н | 4800 |
| на т/х циліндричному валу | 45000 | ||
| на т/х валу у вигляді зубчастої муфти | 56000 | ||
| Номінальний момент, що крутить, на вихідному валу | Н.м. | 20000 | |
| ККД | % | 0,97 | |
| Маса | кг | 930 | |
Варіанти складання редукторів 1Ц2У

Схема умовних позначень 1Ц2У

Редуктор 1Ц2У-400-10
Відгуків про цей товар ще не було.
Немає відгуків про цей товар, станьте першим, залиште свій відгук.
Немає питань про даний товар, станьте першим і задайте своє питання.
