Редуктор 1Ц2У-400-20-21
Циліндричний редуктор 1Ц2У-400-20 варіанта складання 21
Проводити редукування механічних величин у промислових масштабах слід з використанням надійного та якісного перетворювача.
Редуктор 1Ц2У-400-20-21 - це потужний та довговічний механізм, що має відносно просту будову та надійну конструкцію.
Перетворювач характеризується наявністю циліндричної передачі з двома ступенями.
Варіант складання редуктора

Умови застосування
| Опис | Характеристика |
| Тип навантаження | Постійний, змінний |
| Напрямок навантаження | Прямий, реверсивний |
| Можливість обертання валів в обох напрямках | Підтримується |
| Максимально допустима частота обертання вхідного вала | 1800 об/хв |
| Тип атмосфери, запиленість | I і II за ГОСТ 15150-69, не більш ніж 10 мг/м3 |
| Кліматичне виконання, категорія розміщення | У, Т, УХЛ, О, категорія розміщення 1-4 відповідно до ГОСТ 15150 |
Вибирайте перевіреного виробника!
Компанія «Промпривод» вже понад 10 років на українському ринку промислового обладнання. У нас багатий досвід вирішення завдань різних складностей. Ми працюємо із проф. оснащенням як універсального, так і унікального типу. Основа нашого виробництва – це кваліфікований персонал та сумлінне ставлення до своєї справи!
Телефонуйте нам, щоб купити редуктор 1Ц2У за низькою ціною в будь-якому варіанті складання, що вас цікавить. У нас ви зможете придбати цей перетворювач зі знижкою при оформленні оптової покупки.
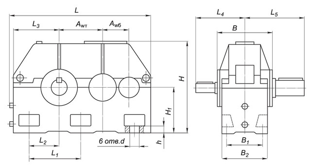
Схема габаритних і приєднувальних розмірів редуктора 1Ц2У-400

| Aw т | Aw б | B | B 1 | B 2 | H | H 1 | h | L | L 1 | L 2 | L 3 | L 4 | L 5 | d |
| 400 | 250 | 475 | 330 | 420 | 835 | 425 | 42 | 1300 | 475 | 280 | 450 | 380 | 500 | 35 |
Основні технічні характеристики редукторів 1Ц2У
| Найменування технічних характеристик | Типорозмір редуктора | |
| 1Ц2У-400 | ||
| Передавальні числа | 8; 10; 12.5; 16; 20; 25; 31.5; 40; 50 | |
| Допустиме радіальне консольне навантаження, Н | на швидкохідному валу | 4800 |
| на тихохідному циліндричному валу | 45000 | |
| на т/х валу у вигляді зубчастої муфти | 56000 | |
| Номінальний момент, що крутить, на вихідному валу, Н.м. | 20000 | |
| ККД | 0,97 | |
| Маса, кг | 930 | |
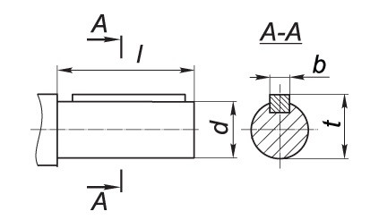
Приєднувальні розміри циліндричних валів редуктора 1Ц2У

| Швидкохідний вал | Тихохідний вал | ||||||
| d | l | b | t | d | l | b | t |
| 60m6 | 140 | 18 | 64 | 140m6 | 250 | 36 | 148 |
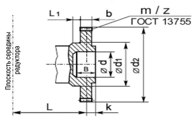
Приєднувальні розміри валу редуктора 1Ц2У, створеного у вигляді зубчастої напівмуфти

| b | d | d 1 | d 2 | d 3 | L | l | l 1 | Зачеплення | |
| m | z | ||||||||
| 40 | 336 | 180 | 150F8 | 215 | 335 | 15 | 65 | 8 | 40 |
Умовне позначення редуктора 1Ц2У

Редуктор 1Ц2У-400-20-21
Відгуків про цей товар ще не було.
Немає відгуків про цей товар, станьте першим, залиште свій відгук.
Немає питань про даний товар, станьте першим і задайте своє питання.