Редуктор 1Ц2У-450-20
Редуктор 1Ц2У-450-20
Редуктор 1Ц2У-450-20 встановлюють для корекції крутного моменту і частоти обертання валу в приводах різного обладнання в різних галузях промисловості. Такі пристрої не варто встановлювати у запилених приміщеннях.
Вали механізму обертаються в різні боки, без особливої переваги, що дозволяє пристрою працювати з реверсивним навантаженням. Приводи дуже надійні та практично незамінні помічники на виробництві.
Замовити редуктор або будь-який інший агрегат дуже просто - залиште заявку на сайті або зателефонуйте. Наші менеджери представлять вам всю технічну характеристику товару та допоможуть вам з вибором. Співпрацюючи з компанією-виробником «Промпривод», ви отримуєте якісний товар та обслуговування європейського рівня. Доставка відбувається по всіх куточках України.
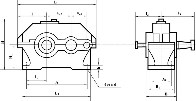
Схема габаритних і приєднувальних розмірів редуктора 1Ц2У-450

| Типорозмір | A wт | A wб | B | B1 | B2 | H | H1 | h | L | L1 | L2 | L3 | L4 | L5 | d |
| 1Ц2У- 450-20 | 450 | 280 | 630 | 515 | 590 | 955 | 475 | 60 | 1460 | 530 | 310 | 500 | 500 | 650 | 35 |
Приєднувальні розміри конічних валів редуктора 1Ц2У-450

| Типорозмір | швидкохідний вал | тихохідний вал | ||||||
| d | l | b | t | d | l | b | t | |
| 1Ц2У-450-20 | 80m6 | 170 | 22 | 85 | 160m6 | 300 | 40 | 169 |
Приєднувальні розміри циліндричних валів редуктора 1Ц2У-450

| Типорозмір | b | d | d1 | d2 | d3 | L | l | l1 | Зачеплення | |
| m | z | |||||||||
| 1Ц2У-450-20 | 50 | 420 | 200 | 160F8 | 230 | 440 | 15 | 70 | 10 | 40 |
Приєднувальні розміри у вигляді зубчастої напівмуфти редуктора 1Ц2У-450

| Типорозмір | b | d | d1 | d2 | d3 | L |
| 1Ц2У-450-20 | 5 | 180h9 | 75h9 | 55 | М8х20 | 340 |
Технічні характеристики редуктора 1Ц2У-450
| Найменування технічних характеристик | Од. вим. | Типорозмір | |
| 1Ц2У-450 | |||
| Передавальні числа | 20 | ||
| Допустиме радіальне консольне навантаження | на швидкохідному валу | Н | 8200 |
| на т/х циліндричному валу | 71000 | ||
| на т/х валу у вигляді зубчастої муфти | 95000 | ||
| Номінальний момент, що крутить, на вихідному валу | Н.м. | 40000 | |
| ККД | % | 0,97 | |
| Маса | кг | 1530 | |
Варіанти складання редукторів 1Ц2У

Схема умовних позначень 1Ц2У

Редуктор 1Ц2У-450-20
Відгуків про цей товар ще не було.
Немає відгуків про цей товар, станьте першим, залиште свій відгук.
Немає питань про даний товар, станьте першим і задайте своє питання.